1. 19630426 Port Aransas to Corpus WW Drilling Logs.pdf
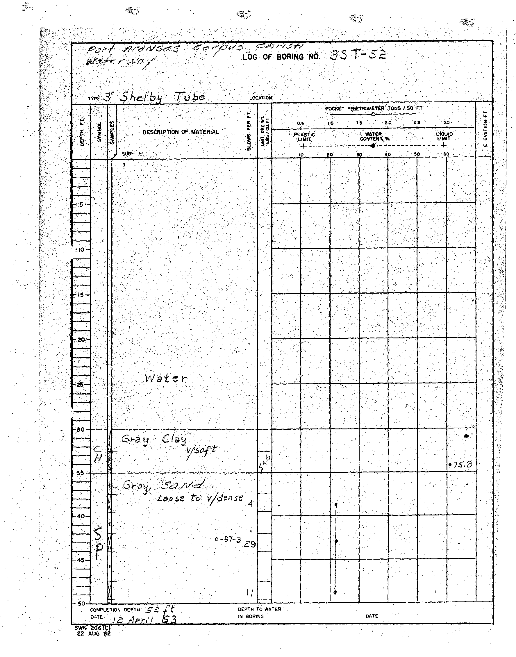
    2. 3ST-52

    alt
     
    ,
    MULt NU.
    :lST-53
    ,
    .
    I. PROJECT
    ('n~n"o
    (''' '._. T.J, SHEET
    DEPARTMENT OF THE ARMY
    ,.
    OF
    Pt
    DIVISION
    Southwestern
    2. LOCATION
    (Coordinates 01' Station)
    INSTALLATION
    Ga1v Ditt, Eng Div
    ,
    '"
    P~oo
    '1'o~oo
    3. DRILLING AGENCY
    DRILLING LOG
    TT
    "
    .~
    ..
    .f' ".
    4. HOLE NO.
    (As shown
    ()fl
    drawing title and file No.)
    5. NAME Of DRILLER
    3ST-53
    c •• _"
    6.
    DIRECTION OF HOLE
    7. THICKNESS OF OVER-
    18.
    DEPTH DRILLED INTO
    .. 19.
    TOTAL DEPTH Of HOLE
    o
    VERTICAL
    10
    INCLINED
    DEGREES WITH
    BURDEN
    ROCK
    52.0
    VERTICAL
    10. SIZE AND
    me
    OF BIT
    11. DATUM FOR ELEVATION SHOWN
    r2. MANUFACTURER'S DeSIGNATION Of DRILL
    Shelby Tube - 3"
    (TBM
    or
    MSL)
    .13.
    TOTAL NO. Of OVERBURDEN SAMPLES TAKEN
    14. TOTAL NO. CORE
    15.
    ELEVATION
    16.
    DATE HOLE
    DISTURBED
    UNDISTURBED
    I
    BOXES
    GROOND WATER
    I
    STARTED,?
    An".
    I
    COMP~E~D
    II
    4 Jars
    4 Cont
    1a,,~
    I 7. ELEVAnON TOP OF HOLE
    18. TOTAL CORE RECOVERY FOR BORING (%)
    19. SIGNATURE OF INSPECTOR
    CLASSIFICATION OF MATERiAlS
    % CORE
    BOX OR
    REMARKS
    ELEVATION
    DEPTH
    LEGEND
    (Description)
    RECOV-
    SAMPLE
    (Drillin~
    time, water loss, depth of
    ERY
    NO.
    weal. ermg, etc.,
    if
    significant)
    -
    f-
    0.0
    26.0.::
    Water
    ~
    26.0
    28.S:
    -
    40'
    rod,
    &
    3" ST to 28.5
    ~
    -=
    -
    No
    resistance
    recovery
    ~
    -
    Dark gray, muck, v/soft
    ~
    28.5
    31..2:
    40'
    rod
    &
    3" ST went to 31. 0
    f-
    :
    No resistance.
    ~
    Gray clay mucky, v/soft
    Jar
    1
    f-
    :
    t--
    31.0
    33.s::
    Same as above, v/soft
    ~
    Jar
    2
    t--
    t--
    -
    t--
    33.5
    36.Q:
    40'
    rod,
    3" ST
    &
    kelly
    t--
    .::
    No resistance
    -
    Dark gray clay w/si1t, v/soft
    ~
    -
    Cont.
    1
    36.0
    38.S:
    -=
    Same as above, no resistance
    ~
    Jar
    3
    ~
    38.5
    41 •.[:
    -
    40'
    rod,
    3" ST and ke lly
    ~
    -
    No resistance
    ~
    :
    Gray clay, w/Si1t,v/ soft
    Cont.
    2
    ~
    ...::
    t--
    41.0
    43.5:
    Same as above, No resistance
    j:-
    t--
    :
    No recovery
    t--
    t--
    :
    43.5
    -
    j:-
    46.0:
    50' rod, 3" ST and kelly
    t--
    :
    No resistance
    1=
    -:
    No recovery, same as below
    No sample
    I:-
    46.0
    48.0_
    --
    Gray sand w/c1ay seams
    ~
    -
    v/soft, no reSistance
    Jar
    4
    ~
    -:
    t--
    48.0
    --
    I-
    50.0_
    Gray, sand,
    fine, clayey
    t--
    ...::
    v/soft, some resistance
    Cont.
    3
    t--
    -
    j:-
    50.0
    52.0:
    Gray clay sandy v/soft
    t--
    Cont.
    4
    t--
    ...::
    ~
    :
    Bottomed in above
    I-:
    .1
    ::
    Water 26.0
    ~
    -:
    Wind 8-15 MPH
    r:-
    Tide
    t1.5
    @
    3:00 PM
    ::
    n.5
    @
    4:10 PM
    ~
    ...::
    ~
    ::
    ~
    -:
    ::
    r:-
    ~
    ::
    ~
    -=
    t--
    ::
    f-
    ~
    -
    f-
    -:
    -
    t--
    ~
    -
    t--
    ::
    t--
    t--
    -:
    ~
    ::
    t--
    t--
    -
    t--
    ENG FORM
    1836
    (EM
    1110-1-1801)
    PREVIOUS EDITION MAY BE USED UNTil EXHAUSTED.
    1 MAR 61
    C.
    W. Writing
    P~RbJItt
    Corpus Christi
    HOLE NO.
    3ST-53
    GPO: 1962. OF:""656250
    -''',;,-'.c'-"
    -"
    ;-;-:-_",,,,,,,,,,,,"OC:;.cc""""'"''
    -~-;;;:~~--;"o,".,~-.-
    ,.,,,,·~,,;o,,,,,,",,,,o,,,,,·
    "".,__
    "-".-",~"
    __
    ,~_",,,,.
    ,,,,-C-"-'-"C''-'==''-~"'''''"
    __
    .'''='
    ."_",-,,,,,,,,,,,,,,,,,~,,,,-,,,,,,,,,,"~--.'==,,,,,,-,,,,,,,,,,,,,,,~o''''-'''''·,"''.WN~>"=''''_''~'''''''~-'=='''=<o'"'~-,:",~~,~J

    alt
    alt
    alt
    alt
    alt
    alt
     
    ",,-,'
    ',.\
    i
    'I'''''
    '
    " w
    , '"
    ",It
    ,t ,1
    ,:t, '",
    . '"
    lh ,4
    0'"
    -
    ','fit
    ',;.'1
    5
    'J-o-.,
    ~~~~;
    ',-,"
    ,
    ~:S
    ~:S
    , c
    e-<="
    'j1,;Tt./C:;<,
    <::'77 j-]3,..';
    ,,'
    , ,
    ,LOG OF BORING 'NO,
    35T-S2
    ',-;;
    Tv be;,
    ,
    ,_.,
    /
    LOCll:tlON:
    "
    ..
    ~
    ro'
    "PocKET
    ~TRoMEltf(,iONS
    -'I
    ,so,:'f'_l:'
    o' '
    OESCI\'PTION
    oF
    IoIATERIAL .
    ~,~
    0.5
    . ,.<! .
    I_~
    1.0,
    B
    3-0
    !U
    _
    ",'.
    ....-:rt
    '
    _Pt.,-ASTle
    :', WA't£R'
    l:IQu,'.t'
    'l~'
    LIMIt.
    ",CONTt_!fT.:~
    LIMIT-
    ,
    +
    ---------------e-------- ----,---+
    s.uqF,' EL:
    ~
    .01
    ~
    '0
    , 'lO
    '0
    . '0
    '0
    ;
    ,
    j
    Wafer
    ('
    '+-'-'hF----
    ~.----
    <S;J.:q
    ~"
    .0..
    ,-c'
    "
    ~~~:;
    '-,;
    ..
    ,
    II
    1'1
    ,I;,
    .··G"'YSd;«;;;'~·
    +'
    1
    1
    I
    1
    I''''.
    .L.oo
    $: to
    vjden se
    4
    ",'"
    '1'&oft
    40
    s't',
    43r
    °:97-3
    29
    501
    e-
    "
    bd
    COMPLETION DEPTH,
    s.e ./'t
    DEPtH TO WATER'
    II
    .w>l 266
    re
    at
    AUG 62
    IN BORING
    1
    OATE
    ..
    ~
    '"
    ~

    alt
    -
    /'!;'dN1""'~#;:~'d.c;'''H~'
    ""' ...
    ~.
    ...
    ""'.
    . k?t2,
    %!ff'-"~~
    '. /,'
    .
    LOG OF BO.RIN<i NO.
    .3 5
    I
    .-
    S
    z.~
    " .' .
    ,-'
    .:'
    -.""
    "
    . ,,'
    " ..;
    -
    ,I ,
    -.
    - ,,. ',<".
    -~
    .
    ·~tI
    .,;-
    .:6 ..... //
    ~"
    .
    '>rvPE:"~:L' ,.:.)/;.7'~>Cd:·_
    '1'(-1".6-<::
    LOCATION:'
    '.,
    :.('.
    -
    P()CICE"T.
    P£NE~T[R.
    TONS j'SO.Ft:,
    ,
    '~
    ~
    ,",,,,.
    .'- '0'
    .C
    t:' ,.:;;!,
    ~.'
    .
    IX
    ~t:
    '0.&..
    1.0
    t.$-
    2.0
    t.,
    . "'.
    'r,
    ,
    :as:,'
    --:i
    _
    --.
    .,: