1. Copy (2) of B-9(1).pdf
    2. Copy (2) of B-9(2)

    alt
     
    r--:-'
    (
    ..
    --
    ~-~
    S~MARY
    OF LABORATORY TEST DATA
    COMPRESSION TEST
    ~
    PROJECT: Leo Kaufer Memorial Park, Klebcrg County, TX
    ii)~
    :0:
    ~
    ! -
    0
    ::e
    ~
    en
    >-
    OTHER TESTS
    PROJECT NO.: G-86-AUS-308
    TABLE I
    DATE:ll/17/86
    !Z'"
    0
    -,lI!
    ...
    ",u-
    wen
    z
    ii!~
    w
    '
    ,
    i
    DEPnI
    M........
    Dry
    AMerbera Umits
    ",8
    "'>-
    <i
    S
    !
    BORING
    UN
    <C
    .
    "'II>
    IN
    MATERIAL DESCRPTiON
    Content
    00n.11y
    a:
    '
    :E
    a:
    !;ill!
    ~
    NO.
    FEET
    ("!o)
    (pc!)
    LL
    PI.
    PI
    ~~
    8
    Iii
    -'''-
    ....
    ,
    '
    B-7 4 - 6
    Tan
    sandy clay.
    20
    106 45 16 29 60
    2.5
    4.4
    Split'
    ,
    B-8
    8
    -10
    Tan sandy clay.
    (CL)
    24
    101
    2.0
    7.8
    Split
    ,
    I
    ,
    I
    J
    I
    B-9 4 - 6
    Tan
    sandy clay.
    (CL)
    17
    115
    4.6 14.8
    Split
    ,
    !
    8 -10 Tan clayey sand. (SC)
    25
    99
    i
    0.7
    6.2
    Bulge
    14-16
    Tan clayey sand.
    (SC)
    26
    98
    0.5
    1.2
    Split
    28-30 Tan clayey sand. (SC)
    23
    102
    1.4
    2.5
    Split
    ;
    60°
    B-IO
    2 - 4 Tan and light gray clayey sand. (SC)
    26
    100
    1.3
    5.6
    Shear
    6 - 8
    Tan
    silty sand. (SM)
    22
    N.P 22
    i
    8-10 Tan andlight gray clayey sand. ( SC)
    25
    99
    ' 0 "
    )
    .;'
    2.5
    I
    Spli t
    I
    - -----
    .,'
    SOUT"WIITERN LABOftATOftlES

    alt
     
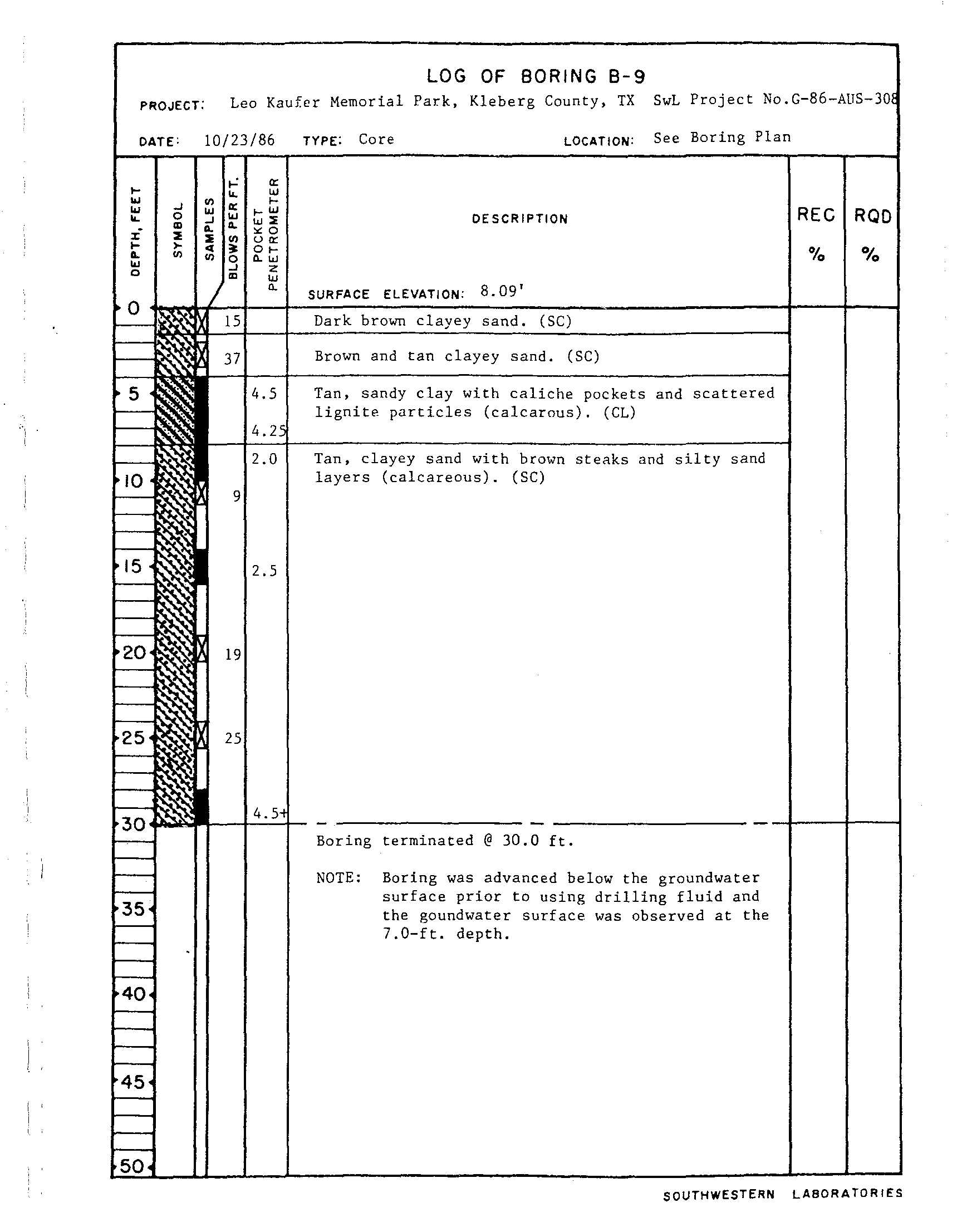
    LOG
    OF
    BORING
    B-9
    PROJECT:
    Leo Kaufer Memorial
    Park,
    Kleberg
    County,
    IX SwL
    Project No.C-86-AUS-301
    DATE:
    10/23/86
    TYPE:
    Core
    LOCATION:
    See
    Boring Plan
    It
    a:
    ...
    w
    \oJ
    oJ
    II)
    I~
    ...
    ..
    '"
    w
    .... w
    REG
    0
    oJ
    w::l;
    DESCRIPTION
    RQO
    CD
    o.
    :':0
    ::E
    ::E
    ua:
    ....
    ,..
    ..
    0
    ....
    o.
    II)
    II)
    o.w
    %
    0/0
    '"
    0
    z
    w
    /
    a.
    SURFACE
    ELEVATION:
    8.09'
    0
    1--.
    15
    Dark brown clayey
    sand.
    (SC)
    '--
    37
    Brown and
    tan clayey
    sand.
    (SC)
    5
    4.5
    Tan,
    sandy clay with caliche pockets and scattered
    lignite particles
    (calcarous).
    (eL)
    4.2'