1. Sand Source Investigation Anchorage Area C 1391.pdf
      1. Anchorage Area C Map

    alt
    alt
    alt
    alt
    alt
    alt
    alt
    alt
    alt
    alt
    alt
    alt
    alt
     
    N: 13699198..4-
    E: 3310867.3
    LOCATIONS OF SOIL BORINGS
    DISIGNATION
    NORTHING
    EASTING
    AA-31
    13698574
    3316178
    AA-32
    13698778
    3316085
    M-33
    13699244
    3316297
    M-34
    13699156
    3316692
    M-35
    13699595
    3316661
    M-36
    13700379
    3316989
    M-37
    13699288
    3315613
    M-38
    13699316
    3314867
    M-39
    13699731
    3315371
    AA-4(J
    13700296
    3315711
    M-41
    13700196
    3314956
    M-42
    13700944
    3314910
    AA-43
    13700178
    3314070
    M 44
    13700672
    3313951
    M-45
    13701278
    .331.3502
    13701529.1
    : 3313675.0
    JEllY
    8RFTD 92-10 N: 13700951.9
    (
    E: 332485t8
    ~~
    J-
    ,--
    r
    ~-
    N: 1370!074.5
    E: 3328266.9
    '--- ---'
    /(/-~~
    ~-
    ~
    56-
    --- ---
    .-l-
    _.----~
    _~--
    __ -
    ./'_
    ~
    .. __ --
    ~~
    _...,.--'"
    --
    __
    -
    _-J"----___ --
    -
    __-413
    1
    ,...- ./'"
    -
    -
    -
    -
    -
    --
    r-..,-__
    ~---'
    (5S'I-Ba-' _,,:>,,--- .-/ ___ --.........
    .,/'
    3~T?!O","""-1<
    <
    @
    r
    r
    /
    ~@
    ANGjjORAGE-,>.REA"
    (
    ~
    _
    (
    C~
    S
    J)
    <...
    '-..
    _
    .):
    "- :SST-59
    l
    ./
    -
    -
    -
    ,__
    ..&.'
    \
    hl.
    N: J.3W8714.5
    3ST-85.-"
    ~
    3S;;;Or(
    vu
    \ '"
    ....)
    I /
    --'
    /E'
    "
    3333228.1
    -- -:.
    @
    1
    /
    ,r~--
    ./
    <
    /
    )
    I
    r)
    ".//"':;---
    48----../ -_./
    ,,/ /' - - -.....:--
    ~
    --./
    J
    --/ - -
    20+000
    J..
    23+000
    ./ /' __ .,/::: _ --
    +000
    16+000
    .+
    ~
    -
    ---t-
    OU1C:R
    B.1R cHAi:r'-
    16+000
    17
    _
    -1-
    l
    l
    \
    NfL -
    14+000
    1
    --+- - -'-
    l..
    -- _ -'.- _
    ".000
    -1-
    J
    _---;-1,-
    *--------
    9+000'-._
    ~;,O+,ot-~~\--+-,N~;~;E~
    _.-1i-(-------
    ((
    I 'I
    ;
    -=--1
    \ _------- \) I
    \ I
    \
    1\
    ------
    -
    --
    -::...
    ~---
    --
    ---
    ---
    /
    /
    /
    NOTES:
    I
    (
    I
    I
    I
    {;;'
    /
    /
    I
    /
    /
    I
    /
    /
    ~
    1.
    NORTHINGS AND EASTINGS ARE: STATE PLANE GRID, NAD'S.3, TEXAS
    SOUTH CENTRAL ZONE IN U.S. FEET. GEOGRAPHIC COORDINATES
    (LAT/LONG) ARE IN NAD'S3.
    2.
    ELEVATION CONTOURS ARE IN NAVO'SS DAruM.
    --
    3.
    ElEVATIDN CONTOURS BASED ON INFORMATION PROVIDED BY THE U.S.
    ARMY CORPS OF ENGINEERS, GAlVESTON DISTRICT. SURVEY DA1E WAS
    JUNE 2009. ELEVATIONS WERE CONVERTED FROM USACE MLT TO NAVD
    'S8 USING THE FOLLOWING CORRELATION:
    o
    NAVD '88 -
    1.42' MLT.
    4.
    V18RACORES WERE PERFORMED
    BY
    ROCK ENGINEERING AND TESTING
    LABORATORY, INC (Rffi) AND OCEAN SURVEYS, INC DURING MARCH
    2009.
    5.
    SOIL 80RINGS WERE PERFORMED 8Y RETL DURING OCT08ER 2009.
    LEGEND:
    @
    HISTORICAL BORING LOCATIONS FROM USACE
    (1966)
    @
    Vl8RACORE LOCATIONS (SEE NOTE 4)
    Vl8RACORE LOCATlON FROM RICE UNNERSITY
    ()
    BORING LOCATIONS (SEEr NOTE 5)
    --
    --
    --
    --
    --
    80LIVAR ROAOS
    BORING LOCATION
    SCALE
    000'
    1600'
    1
    1
    TEXAS GENERAL LAND OFFICE
    ANCHORAGE AREA C
    SAND SOURCE INVESTIGATION
    JEllY
    BORING LOCATION
    PLAN
    -
    GALVESTON ANCHORAGE AREA
    DATE
    11/30/09
    FIGURE
    EX A

    alt
    alt
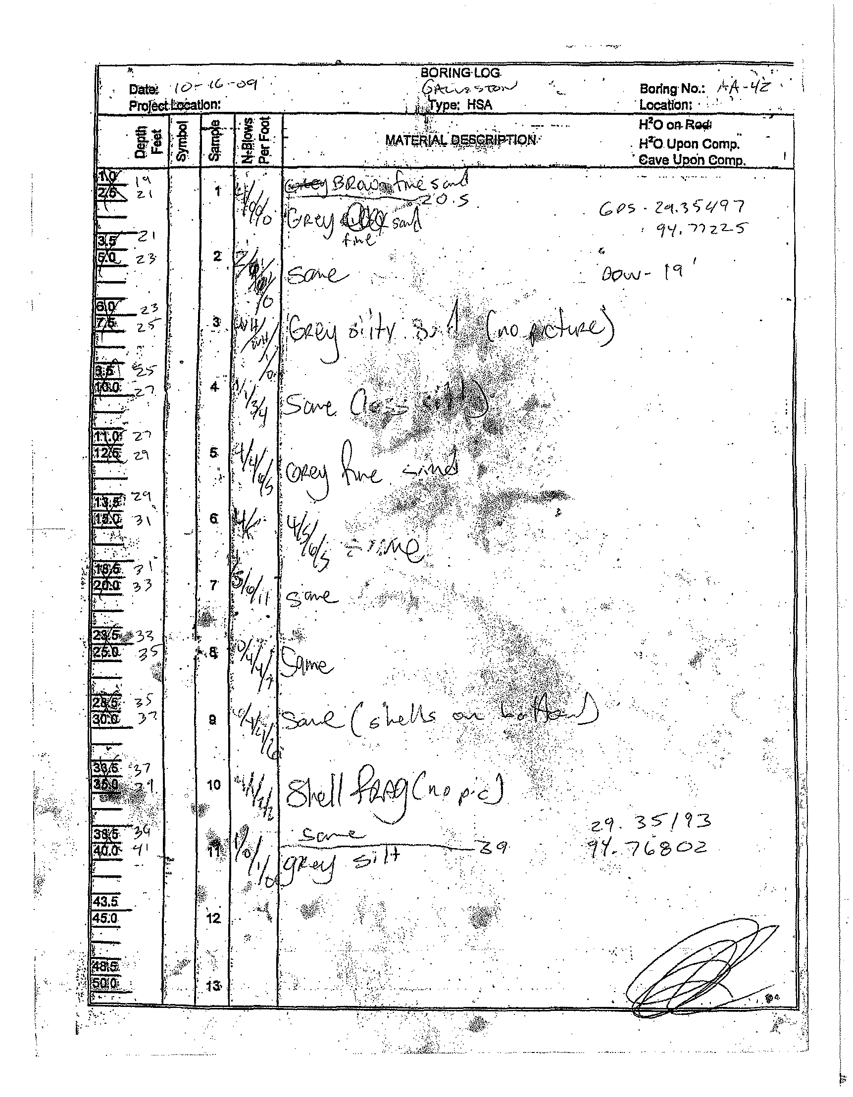
    . Geotechnical Engineering
    .
    Constl'uction Materjals Testing
    PROJECT NAME: Galveston Anchorage Area C Sand Source Investigation
    CLIENT:
    HDR Engineering, Inc.
    BORING
    !D.:
    AA-42
    DESCRIPTION: Anchorage Area
    C
    Borrow Source Area
    PERCENT SHELL BY WEIGHT (BASED ON #10 SIEVE)
    -17.02' to -19.02'
    -21.02' to
    -23.08'
    -25.02' to -27.02'
    -29.02' to -31.02'
    NAV})
    NAVD
    NAVD
    NAVD
    0.31
    0.74
    0.00
    0.Q7
    ASTM
    % FINER BY WEIGHT AFTER REMOVING SHELL
    -17.02' to -19.02'
    -21.02' to -23.08'
    -25.02' to -27.02'
    -29.02' to -31.02'
    MESH
    NAVD
    NAVD
    NAVD
    NAVD
    #10
    100.00
    100.00
    100.00
    100.00
    #18
    99.30
    98.80
    100.00
    99.70
    #35
    98.60
    98.20
    99.90
    99.60
    #60
    96.90
    96.80
    99.60
    99.10
    #70
    94.80
    94.10
    98.20
    96.80
    #100
    58.80
    55.90
    32.51
    29.00
    #120
    35.80
    37.90
    13.80
    15.90
    #170
    20.80
    24.10
    5.30
    6.60
    #200
    14.80
    19.00
    3.70
    5.30
    STATISTICS (EXCLUDING SHELL)
    MEDIAN GRAIN
    0.14
    0.15
    0.17
    0.18
    SIZE
    (mm)
    MEAN GRAIN SIZE
    0.13
    0.14
    0.17
    0.17
    (mOl)
    SORTING
    (a)
    N/A
    N/A
    0.28
    N/A
    'The -# 10 material was utilized as the total sample for Grain Size Distribution Curve calculations.

    alt
    alt
    PROJECT NAME: Galveston Anchorage Area C Sand Source Investigation
    CLIENT: HDR Engineeling, Inc.
    BORING ID.: AA-42
    DESCRIPTION: Anchorage Area C Borrow Source Area
    .
    Geotechnical Engineering
    . Construction
    MateriHls Testing
    I
    PERCENT SHELL BY WEIGHT (BASED ON #10 SIEVE)
    -33.02' to -35.02' NAVD
    -35.02' to -37.02' NAVD
    -37.02' to -39.02' NAVD
    1.01
    27.54
    2.46
    ASTM
    % FINER BY WEIGHT AFTER REMOVING SHELL
    MESH
    -33.02' to -35.02' NAVD
    -35.02' to -37.02' NAVD
    -37.02' to -39.02' NAVD
    #10
    100.00
    100.00
    100.00
    #18
    98.10
    50.00
    96.00
    #35
    97.30
    35.00
    95.10
    #60
    96.40
    28.30
    94.50
    #70
    95.10
    25.80
    94.10
    #100
    47.30
    18.10
    92.00
    #120
    27.40
    12.90
    89.10
    #170
    14.70
    8.00
    81.70
    #200
    12.00
    6.40
    75.30
    STATISTICS (EXCLUDING SHELL)
    MEDIAN GRAIN
    0.16
    SIZE (mm)
    1.00
    N/A
    MEAN GRAIN SIZE
    0.14
    0.53
    N/A
    (mm)
    SORTING (a)
    N/A
    N/A
    N/A
    'The -#10 material was utilized as the total sample for Grain Size Distribution Curve calculations.
    I

    alt
    alt
    alt
    alt
    alt
    alt
    alt
    alt
    •f.
    . .'
    1
    '.'
    .....
    5;;+,/ -,
    ~)J'
    -,
    .l
    'C'
    _'I
    IA,;;
    .-
    6~L_.
    . ,," ...
    . .'.'
    10
    ~iY,4
    8lJ1
    ~C~, t~j
    ...
    1'':''·~::::::''':'--:-1~--'''-'-·
    -6
    q
    -.. 13:,
    ..."
    ;.
    No.:
    II.,A.
    'fz .
    . ,
    "\.
    .............
    C,
    (?S .
    2"1."$
    <;
    L-/9"7
    , "N.--nz2-5"
    , ,
    ~
    "
    ~.
    '.
    ....
    :.~
    .~.
    '
    ..
    ...;.
    2_'1.35
    /93
    1«,7 c:,
    ~
    D2
    .
    .\
    i
    ,', .
    i
    'j
    I
    .1

    alt
    LOG OF
    Rnl
    ~INC:;
    A
    A
    A']
    1 of 1
    CLIENT:
    HDR Engineering,
    Inc,
    Rock Engineering & Testing Lab" Inc.
    PROJECT:
    ,Galveston Anchorage Area
    C
    Sand Source Inv.
    6817 Leopard 51.
    LOCATION:
    I.
    Anchorag~
    Area C, Galveston, Texas
    Corpus Christi, TX
    78409
    Telephone: (361) 883-4555
    NUMBER:
    G109233
    Fax: (361) 883-4711
    UA I lOIS) DRILLED:
    10/16/09
    -
    10/16/09
    FIELD DATA
    LABORATORY DATA
    DRILLING
    METHOD(S):
    Ci'
    M'
    ~:MIT
    Hollow Stem Auger
    z
    >
    0
    ~
    c
    ~
    -<
    ~
    GROUNDWATER
    ",UN:
    6
    >'"
    I-
    W
    Z
    ijj
    '"
    !ijii'i
    w
    to
    Ii
    w
    >w
    l-
    ii;
    z
    to
    !
    ~
    '"
    s"
    0
    !
    ~
    d
    i"~
    0
    §
    "
    Ii:~li:ii!~
    <.>
    ~
    i
    "
    I!
    w
    "'\2
    d
    .~
    ~~i~:§
    '"
    ~
    "
    ililil
    z
    ~~~~~
    i;;
    o z
    "'
    SURFACE ELEVATION: -17.02' NAVD
    @
    ~
    "
    0\ \:
    za:.::It:~
    a
    LL
    PL
    PI
    ~