Review of Aviles Report
    on Salt Bayou Water Control Structure
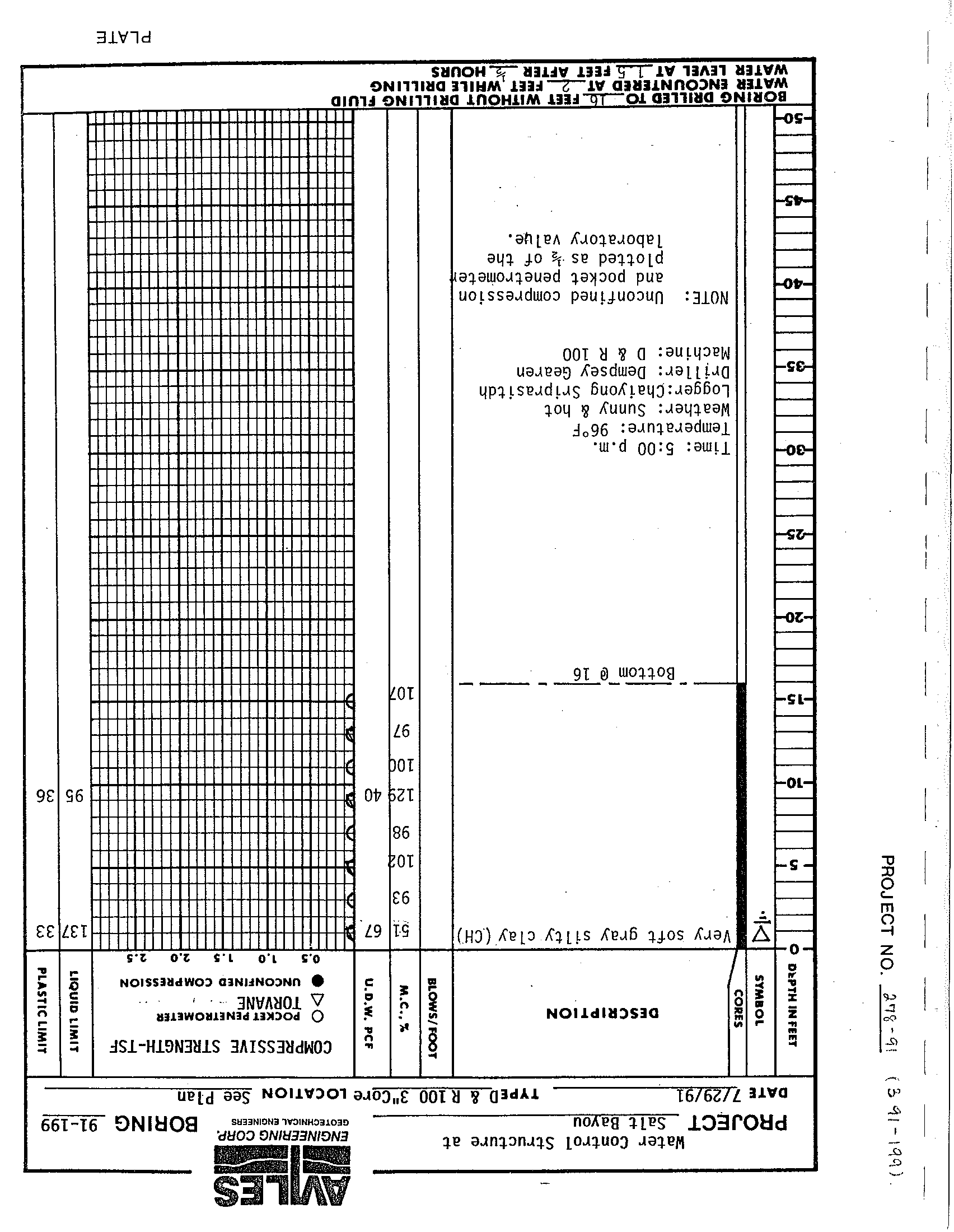
    1. The plates showing description of materials, moisture
    C£.fL......-C-E'O-FS
    Co,...o7
    ~"-"1F;r
    4, /
    O",v,
    -,;/
    r?"'y'?4<'
    r'/
    /"1/
    s"",
    /7,/ 9/
    content, unit dry weight, shear strength and atterberg limits are
    somewhat misleading. The presentation of unconfined compressive
    ".j-
    stress as a shear strength does
    ~t
    appear appropriate. Shear
    strength is usually taken as one half the unconfined compressive
    stress.
    2. A comparison of the plots of pocket penetrometer readings
    with those shown on the driller's log appears to indicate that
    most if not all of the field readings were used on the plots.
    The contracts states: "The consistency of undisturbed cohesive
    materials shall be determined in the laboratory by taking pocket
    penetrometer readings in accordance with procedures outlined in
    Paragraph 8.6." Were pocket penetrometer readings taken in the
    laboratory?
    3. A number of the torvane readin