1. 13.1
      1. 19651029 Boring Log Sabine Neches W.W..pdf
    2. 13.2.pdf
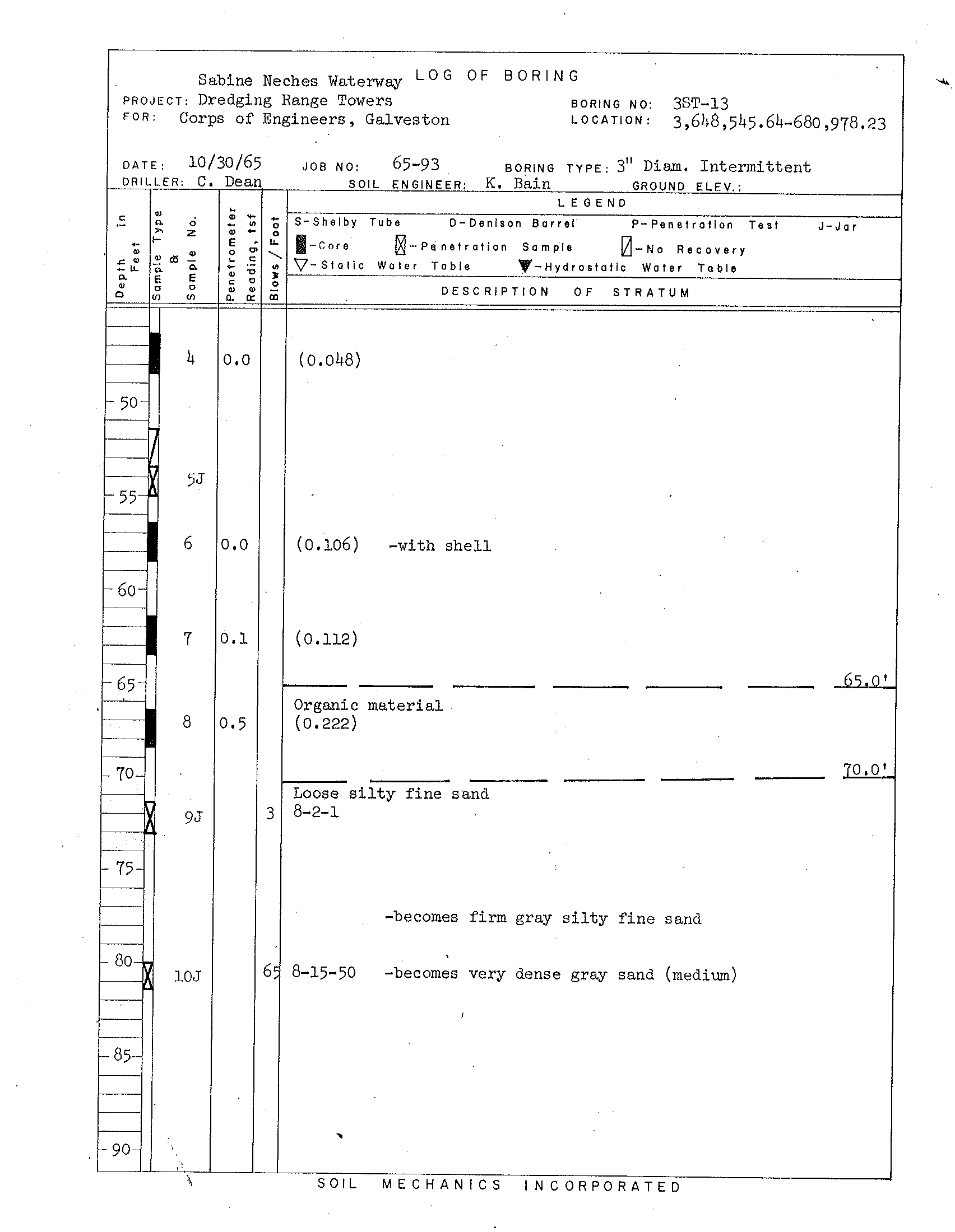
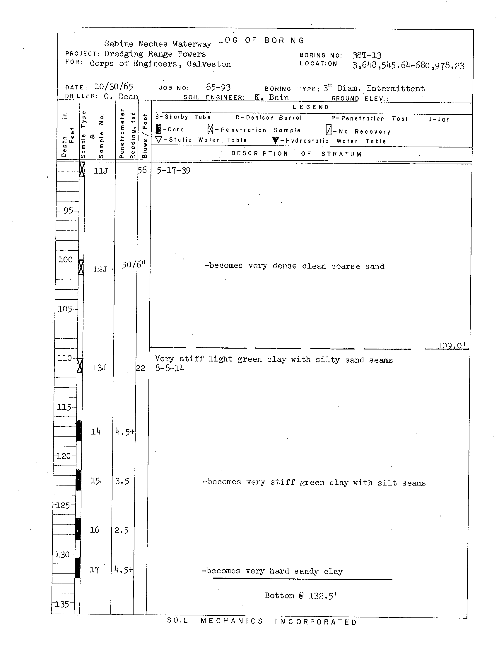
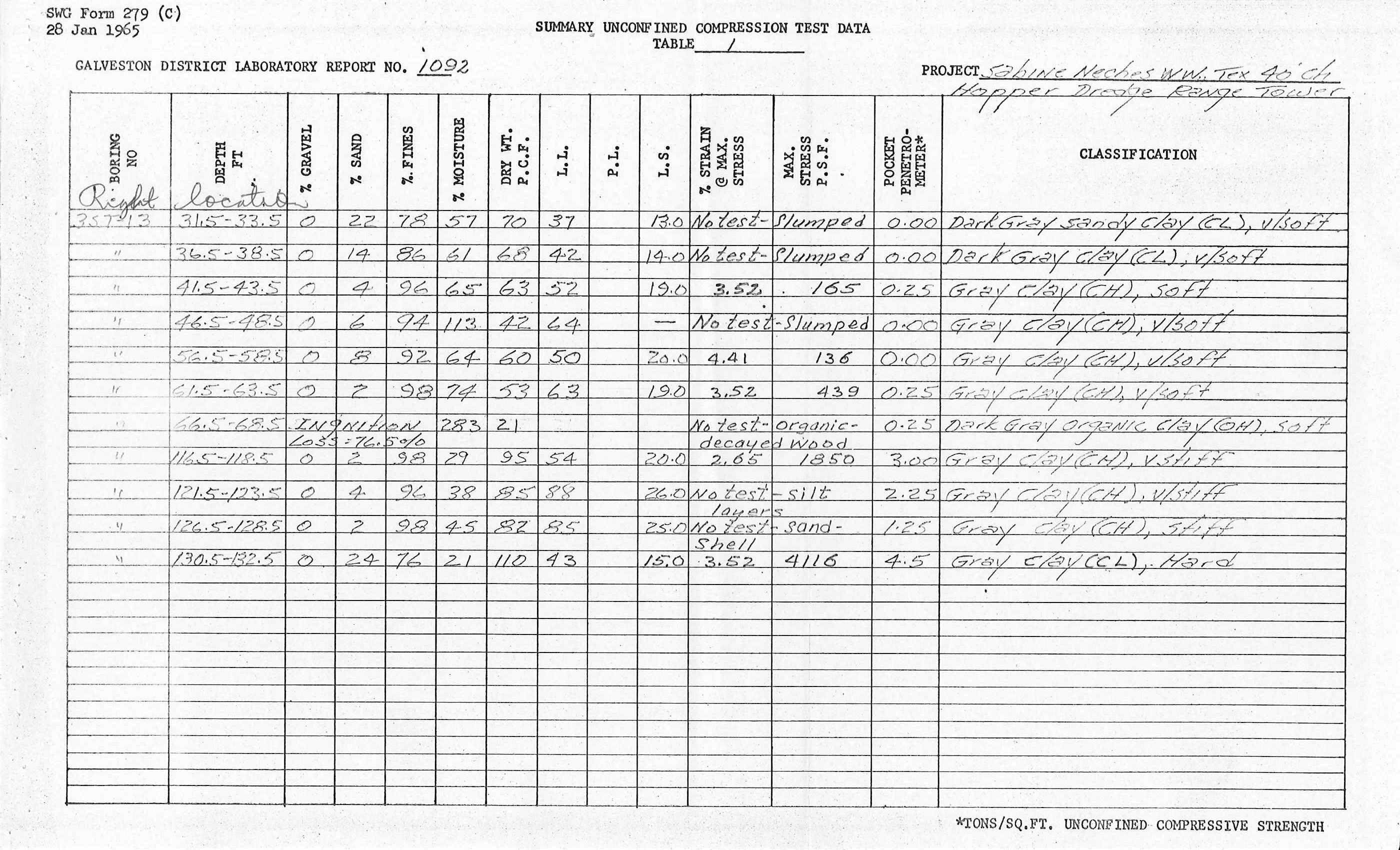
    3. USACE1593ST-13
      1. 19650316 Boring Log Sabine Neches W.W..pdf

    alt

    alt

    alt

    alt