1. 14.1
      1. 19651029 Boring Log Sabine Neches W.W..pdf
    2. 14.2.pdf
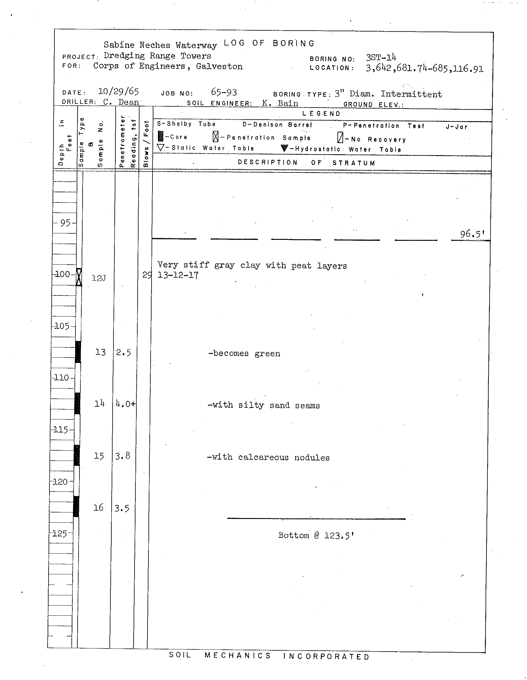
    3. USACE1593ST-14
      1. 19650316 Boring Log Sabine Neches W.W..pdf

    alt

    alt

    alt

    alt