alt
    '-~"--~-~'="~-·--~'~·>·~"·~~·~~='·"~~.~_""",,"m'~~~w,_._~~" -~~"='~~"====~==="~~=='~~'''=.=-<ov<om=~~.~._==~==-",,_._,
    u.s.
    NV(
    CORPS OF ENGINEERS
    GEOTECHNICAL BORING DATA
    PROJECT NAME
    1,'01:0
    ""0
    Will
    OarIMncl
    I
    LOG
    OF BORING NO.
    q
    0
    ~
    3.:r
    LOCATION/ STATION
    I
    J
    5 +
    0
    0
    DATE/TIME STARTED
    Q5/r,(/QO
    Q
    2:30 PYa
    DATE / TIME COMPlETED
    //
    v
    4 "
    ao
    F
    J
    /
    TIDE ELEVATION
    -
    2.00
    MLT DATUM
    WATER
    DEPTH
    }
    2, 33
    -IS3'
    DEPTH
    FROM
    WATER
    SURFACE
    I
    TO BOTTOM OF BClfIt.IG
    ?,?,
    33
    rff
    l'\
    f
    WEATI-ER
    .
    !';1/f
    ci
    _,'.oll'\
    1',..
    t?
    DRILL RIG MANUFACTURE
    MODEL NO.
    C
    r=
    -
    2'
    DRILLER
    On.>,/
    eSt:;
    Ge-ryft!
    10l"IR
    /tY'f5
    c
    LozrwjrM'[
    ~t:""1
    i., ."
    DRIlLER'S/LOGGER'S COMMENTS
    ______________
    Paoe_I_/~
    -
    --,-~
    ..,.-.-...
    ~.~--~,~~~- --~--"~""~--~"""--'~~"-~~'=--'-"'"='-----"""=:=--""'=:.-~"~'-:>:=':-=-"-'---".:.~." :;.'.--'---';.-=--:'::"~-=--=
    c::;;
    _::=~
    :..
    '-'---'-'-.:.:I"'-':'~~::'.~.::~~.~.::;::;~~~:::-:,~~~c.~--,-~~.~==-~~~
    __
    -"~":11':
    ,

    alt
    alt
    alt
    alt
    alt
    alt
    ~,-
    ..
    -,-,.",-~-
    I-<
    ~o
    ~
    I-<
    rzl
    :iju
    ~
    ~
    ~
    i;;~
    .
    0....1
    :=
    ....1
    ~
    ....1
    ~
    ......
    1-<0:0
    I
    I-<
    ~
    ~
    I'<
    ZI-<
    ~
    ~I'<
    '"
    '"
    1'<'"
    .~~~"~A_'~"*~'~_'_~',~,_w~"~~~~'O'''='''~''W='''~W_~,,"~'M-~-~_<O_~~~'~~=':Th~~=,"~~~"~_.",,=,"~~,~=,"~=C=~'V_'=~=''''.,,,
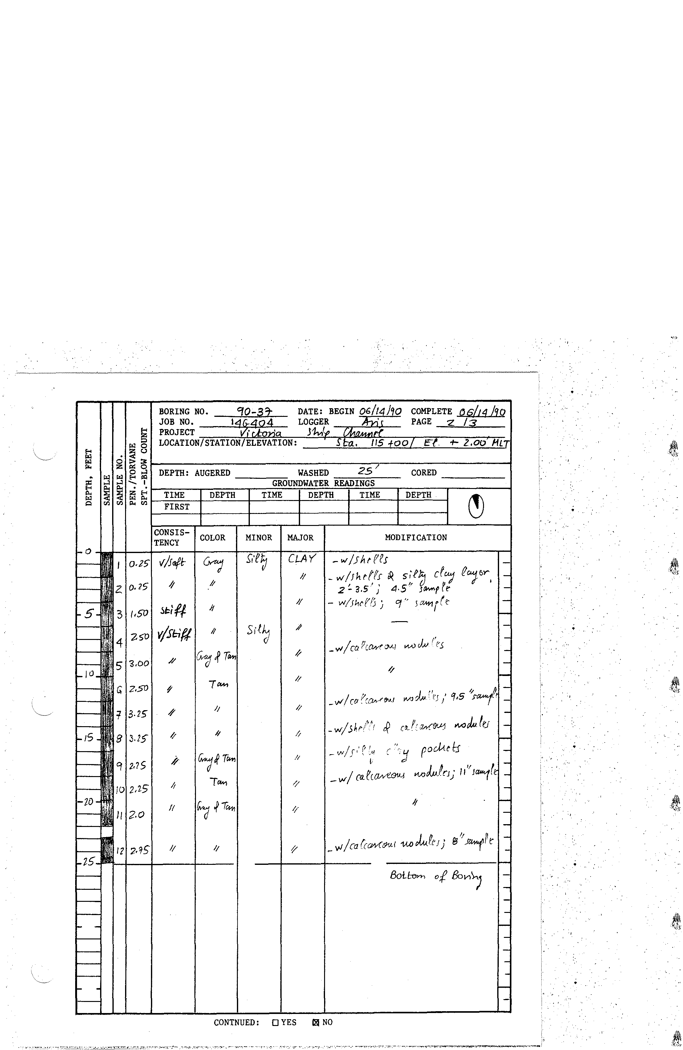
    BORING NO.
    '10-37-
    COMPLETE
    osiJ4ho
    JOB NO.
    140404
    PAGE
    'Z
    13
    PROJECT
    .
    DEPTH: AUGERED
    WASHED
    25
    ~
    CONSIS-
    TENCY
    • COLOR
    MINOR
    I
    MAJOR
    MODIFICATION
    v/J<ljt-
    It
    ~/:i
    f.I.
    vjSl:ifl
    .#
    f
    .f
    /./
    };
    It
    II
    1/
    Cvj
    1/
    It
    1/
    ~
    7-
    II
    1/
    ~~
    Te..,
    T.....
    ~ ~!Cy~
    II
    S
    i
    ~':i
    o
    CLAY
    II
    //
    ;t
    ~
    //
    1/
    I;
    il
    'l'
    1;'
    1/
    _w/JAdes
    _
    w~Jht(f~
    J(
    S";:!~ d~
    fior,
    2 -
    a.5)
    4.5
    JaM>f
    f"
    - w!J/'tf!j
    j '1"
    lC/M1.(t
    I
    If'
    Ji'
    _W!CC1.(co/,r(~
    ...
    Al
    W'5
    1/
    /
    fI
    / I'
    'I
    _V/ co:
    C/JA-J"'~I
    WJ~-;-
    fJ
    "Q,5
    ~/n
    _w/sAd"
    r
    ~
    Cl.F:;dfJ'J-)
    M)jptv
    I
    .","
    ,I.
    /,
    _'
    '1"/
    f' ,A
    (",
    I.{
    P0CM-t
    G
    /,
    d
    _w/
    (lI.e(~
    >wklo)' 1,'/,a.MIP1
    1/
    _ vJ/ca((aNC&<J.( -uokft] j
    f3'1
    ;u,yl't
    -t--+I--
    8oLhm, 01 &1'1';
    CONTNUED:
    0 YES
    181 NO
    :-'-"".
    ~"'~'''''- .'.-~'-,-.
    -.' cr ","
    . ",_'"-.---.-."'-." •.
    ,_-,?"-~"":".
    ____
    ~,._.,.-,--v.-~~"'",'><nU"',,~
    __..
    ~
    ..........
    .
    .

    alt
    alt
    Project
    VICTORIA SHIP CHANNEL. TEXAS
    SUMMARY OF LABORATORY TEST RESULTS
    Boring No.
    SPT
    Dry
    Wet
    Depth
    PP
    Blows
    Visual
    USC
    Mc
    Unit
    Unit
    LL
    S#
    (It)
    (tsf)
    per
    Classification
    (%)
    WI
    WI
    (%)
    Foot
    (pcf)
    (pcf)
    1
    o -
    2
    0.25
    Gray and dark gray. CLAY. soft. with shell
    CH
    39.1
    fragments
    2
    2 - 4
    1.00
    Gray. CLAY. stiff. with calcareous nodules
    CH
    33.2
    86.2
    114.8
    .r---.
    3
    4~
    1.50
    Gray. CLAY. stiff. with calcareous nodules
    CH
    28.4
    4
    6.8
    2.50
    Gray. SANDY CLAY. very stiff. with large sand
    CL
    23.9
    I pockets
    5
    8 -
    10
    3.00
    Gray. CLAY. stiff. slightly sandy. with
    CL
    21.4
    107.3 130.3
    calcareous nodules
    6
    10 - 12
    2.50
    Light tan & gray. SANDY CLAY. very stiff. with
    CL
    23.4
    laros calcareous nodules, slickensided
    7
    12 - 14
    3.50
    Light tan & gray. SANDY CLAY. very stiff. with
    CL
    20.6
    large
    calcareous nodules. slickensided
    8
    14 - 16
    3.50
    Light tan & gray. SANDY CLAY. very stiff. with
    CL
    20.2
    lar08 calcareous nodules
    9
    16~
    2.50
    Light tan & gray. SANDY CLAY. very stiff. with
    CL
    20.5
    sand pockets
    10
    18 - 20
    3.00
    Light tan & gray. CLAY. very stiff. with
    CH
    22.5
    large calcareous nodules, slickensided
    11
    20 - 22
    2.00
    Light tan & gray. CLAY. very stiff. slightly sandy
    CH
    24.3
    101.1 125.7
    with larQe calcareous nodules, slickensided
    12
    23 - 25
    3.00
    Light tan & gray. CLAY. very stiff. with
    CH
    22.3
    large calcareous nodules, slickensided
    S # : Sample Number. P P : Pocket Penetrometer Reading. USC: Unified
    ..
    SOil Classification.
    ..
    M c : MOisture Content
    q u : Unconfined Compressive Strength. W
    0
    H : Weight of hammer. WOP: Weight of pipe
    65
    37
    64
    90-37
    Mechanical Analysis
    PL
    % PassinQ
    (%)
    #4
    #10 #40 #100
    24 100.0
    99.9 99.5 99.3
    19 99.4 99.3 98.8 98.2
    29 99.8 99.4 98.8 95.6
    Torvane
    Shear
    qu
    Strength (tsf)
    #200
    (tst)
    99.2
    0.40
    96.7
    0.80
    0.50
    92.4
    0.80
    1.18

    alt
    ...
    ...
    <!l
    0
    z
    ci
    ...,
    -'"
    0
    -------."----------.~----.;------------.---.-,--'---"'-'--.;,--~.~-.-
    ..
    -------~-".~"~-.-----
    Failure Sketches
    0.8
    ~
    0.6
    <'
    <T
    ;:
    ~
    m
    ~
    ,g 0.4
    VI
    .~
    ~
    "-
    E
    0
    ()
    0.2
    D Controlled stress
    0.0
    k8J Controlled strain
    0
    T.st No.
    Type of Specimen
    Waler content
    c;
    Void ratio
    :;:;
    Saturation
    :5
    Dry density. Ib/cu tt
    Time to failure. min
    Unconfined comftressive
    str.ngth, T/sq t
    Undrained shear strength, Tjsq
    ft
    Sensitivity r<11[o
    Initial specimen diameter, in.
    Initial specimen height. in.
    3
    5
    Axial Strain, 55
    1
    Undisturbed
    w,
    21.4 ..
    eo
    So
    ,.
    r.
    105.8
    ~
    1.05
    q.
    .50
    S.
    .25
    s..
    0,
    2.830
    H,
    5.590
    ..
    so
    EM 1110-Z-Hl06
    Appendix XI
    30 Nov 70
    8
    10
    ..
    so
    ..
    ,.
    ,
    Classification
    Gray. CLAY, stiff, with' calcareous nodules
    I
    LL
    37
    Remarks
    ENG FORM
    3659
    1 JUN 65
    I PL
    19
    I PI
    18
    JO.
    Project
    CHANNEL TO VICTORIA, TEXAS
    i
    Area
    Channel to Victoria in Son Antonio Boy. Texas
    I
    Boring No.
    90-37
    Sample No.
    5
    Depth
    EI
    8-10 ft
    Oat.
    7/27/90
    UNCONFINED COMPRESSION TEST REPORT
    I
    !
    PLATE XI-2
    Geotest Engineering. Inc.
    PLATE

    alt
    ...
    *1
    .;
    Z
    .D
    --,
    o
    ______...
    ~_
    .._____...____
    ~.~~_.
    ____
    ~~_.~_.~~~._."._
    ..."._,..
    ~~_..;.~._",_~._~."_~
    .._";_,..'_,.,....
    ...,",,,",~
    ..
    _~~"'''''''_7''_''~''_'_~''-'''''""
    Foilure Sketches
    1.6
    ~
    1.2
    '"
    0'"
    ;:::-
    ~
    ,;
    ~