~--
.----~-- -"----------.-"~
..-----.--.-
.-.-~-~----'"
,,,.,,-,-----
·~--~·~-,-~_~_~~_·"·~~,_··_~_~_k
u.s. ARMY CORPS OF ENGINEERS
GEOTECHNICAL BORING DATA
PROJECT NAME
t/~/I'a
J~'.P
C1t
fMmt
f
i
LOG
OF BORING NO.
90-60
LOCATION/STATION
460
tOO
DATE/TIME STARTED
/
:
,~
(}5/8,1':,)
tY
4:45 1'''''
DATE/TIME COMPLETED
1
{I
2: 7:;- /(
TIDE ELEVATION
I 7.9J
WATER DEPTH
-f
IO,O()
DEPTH FROM WATER SURFACE
/
TO BOTTOM OF BORING
2:7,50
WEATHER
(t4.w=
f
fU#V'/Z.<'f
('I'
DRILL RIG MANUFACTURE
MODEL NO.
C
F
-
S
MLT DATUM
-
-7
'C'-->.
....
-.~
,...
Otmf!"'t('./~'?-
DRILLER
In-~
.
If
1/1) '>'(A""
_:(.-" /
LCQ3EfI
v
DRILLER'S/ LOGGER'S COMMENTS
_______________
Page_I_/~
fj,!-.4f
I
t
"
,
,
,
!-o
z
::>
!-o
'"
ZU
0
'"
.<
'"
....
o
z
>
'"
;J:
0
c ..J
.
'"
'" !-o '"
:r
..J
..J .....
I
E-<
""
""
""
~
~
Z
E-<
'"
Q
"'''"
'"
til Il.. tr.;
1-0
,
/.00
..
~
I
,
:1
';' 2
a
J
5
I- .>
If
- 'C
.J. - ,-
Wi 4
/,00
"'S 1.00
f-/D.
~
/. a'J
~0
.r
<.0-..:....-.
I
~
3.00
T
,I-
I-
6.
til
B
3.5)
:,.'
cr
::.5J
1-
70
•
1-2'5".
'- -
l-
.
••_____''''__
' •____
" _ .._.__
~
..
~
____
~.
___
~_.~.~~~
_____
~~,.~~".~.~
.•
_.~,~.~~_'
_'_,,_'
__
.~
...
~"""._'A_~'
___'
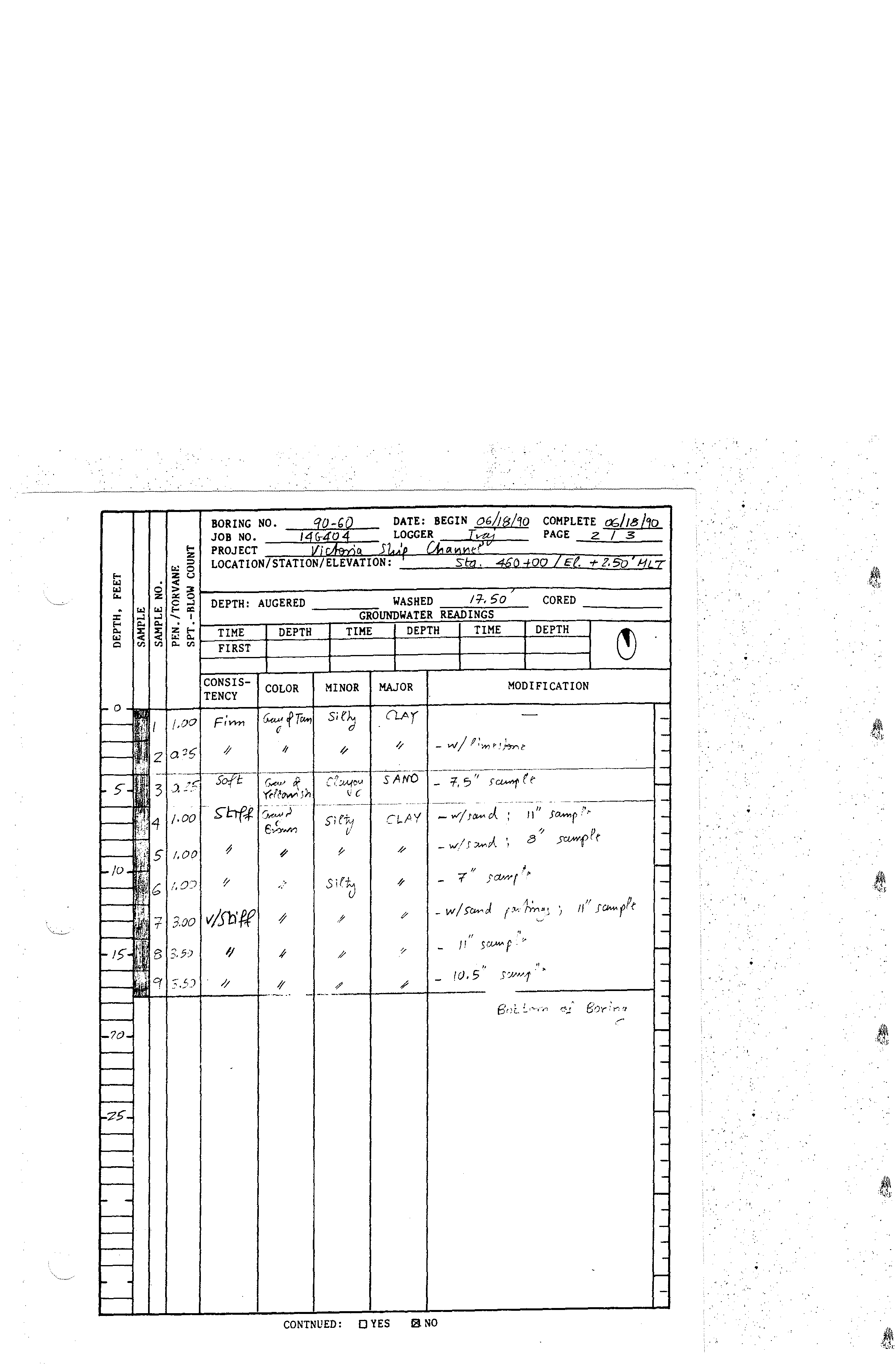
BORING NO.
qO-bQ
DATE:
BEGIN
061J8/10
COMPLETE
06/J13
L~o
JOB NO.
146-if04
LOGGER
T~
PAGE
Z / 3
PROJECT
IIi
,.(... ,
"S1..'D
LA.,/.1t", ..;;;--
LOCATION/STATION/ELEVATION:
'
slzJ,
"4t;(1 -1.0(")"
/
£1.
+-
1.50
HL
7'
DEPTH: AUGERED
WASHED
/:;'.50
CORED
GROUNDWATER READINGS
TIME
DEPTH
TIME
DEPTH
TIME
DEPTH
FIRST
~
CONSIS-
COLOR
MINOR
MAJOR
MODIFICATION
TENCY
(LA,
F,'VW!
~
fTC<NJ
Sie~
-
-
(
~
-
/ f'
,
1/
It
~
- VII
"W)9".'}"!!'Y"'l(':
-
-----.--.--
-"-'"
-
Soft
~v/
R
C?:v...{O<.J
S
AtrO
_ 7-. ':,"
s
ClAA>f
I't
-
'(d~I>W"!
),
li ('
"
~hf.,f ~:""/
----
.. ----,--
.
-.------ --- -
-
-,---_..
-
J
- - - --
-,,-
--.
II
- --- --_._
!'
.
-
(
5'.
fTj
Cl..I>Y
_ wiJOM
;
"
sa..,p
, '
-
6Y>'-m
U
/1
P
-
?
9-
f.'
4-
_ w/ f /M"\',
8
5UWf t
1-
II
"I
I-
(/
"
Sir~
~
_ -:r
fctN'~
r •
1-
"
U
,1 •
1/'1
JCJoM It
-
v/Sb'ff
1
,i'
t?
_wl>ewoJ
f)/"
(Yyt:-~
:,
-
"
"
-
If
f
,}-
,..
-
! !
S!hW'
P
,
>
I-
..
"
1-
10.5
S'./I
M
1
'
,
/.I
1/
~
-
-
/
'---.'
-
---
g,,:
!
,'--,-','1
"
6',)
'r ,,"
y,
~I
-
~.
"I.. -
"-
-
,~
f--
I-
I-
-
-
'-
-
-
-
-
I-
-
;-
-
"
"
I-
-
- ----
CONTNUED:
0 YES
13 NO
"
,
.
,
,
Project
CHANNEL TO VICTORIA
SUMMARY OF LABORATORY TEST RESULTS
VICTORIA, TEXAS
Boring No.
SPT
Dry
Wet
Depth
PP
Blows
Visual
USC Me
Unit
Unit
LL
S#
(It)
(tsl)
per
Classification
("!o)
Wt
WI
("!o)
r
Foot
(pcf)
(pel)
1
o
1
2
1.00
Gray, SANDY CLAY, stiff
CL
26.9
~
2
2~
1.50
Bluish green, CLAY, stiff, with
silt, traces of
CH
33.4
86.1
114.8
sand and calcareous nodules
3
4W-
.
Yellowish brown, light green and dark gray, SILTY
SM
SAND very loose with clay
4
6
• 8
2.00
Gray and brownish yellow, SILTY CLAY, stiff,
CL
19.4
with
large sand pockets
5
8
• 10
1.50
Gray and yellowish brown, SANDY CLAY, stiff,
CL
21.1
106.3 128.8
f'-,
with silt and calcareous nodules
6
10~
2.00
Gray and brown, SILTY CLAY, stiff, with
CL
21.7
calcareous nodules
7
12
• 14
3.75
Gray and brown, CLAY, very stiff, with silt
CH
17.4
partings
.
8
14
• 16
4.50
Brown, CLAY, hard, with silt partings,
slickensidec
CH
20.4
106.7 128.5
9
16
• 17.5
4.50
Brown, CLAY, hard, with silt partings
CH
19.1
S
# :
Sample Number, P P : Pocket Penetrometer Reading, USC: Unified
"
SOIl Classification,
"
M c : MOisture Content
q u : Unconfined Compressive Strength, W
0
H : Weight of hammer, WOP: Weight of pipe
55
25
55
90.60
Mechanical Analysis
PL
% Passing
("!o)
#4
#10 #40 #100
22
100.0 100.0 99.6 99.1
99.9 99.8
99.6
93.1
16
99.9 99.8 99.4 96.8
20 100.0
100.0
100.0
100.0
Torvane
Shear
qu
Strength
(tsf)
#200
(tsl)
93.6
0.33
30.4
67.1
0.10
100.0
1.45
Project
CHANNEL TO VICTORIA
SUMMARY OF LABORATORY TEST RESULTS
VICTORIA, TEXAS
Boring No.
SPT
Dry
Wet
Depth
PP
Blows
Visual
USC
Mc
Unit
Unit
LL
S#
(It )
(tsf)
per
Classification
(%)
WI
WI
(%)
Foot
(ocf)
(ocf)
1
o -
2
1.00
Gray, SANDY CLAY, stiff
CL
26.9
2
2
- 4
1.50
Bluish green, CLAY, stiff, with silt, traces of
CH
33.4
86.1
114.8
sand and calcareous nodules
.
3
4.6
-
Yellowish brown, light green and dark gray, SILTY
SM
SAND
with clay
4
6.8
2.00
Gray and brownish yellow, SILTY CLAY, stiff,
CL
19.4
with large sand pockets
5
8
- 10
1.50
Gray and yellowish brown, SANDY CLAY, stiff,
CL
21.1
106.3
128.8
with silt and calcareous nodules
6
10 - 12
2.00
Gray and brown, SILTY CLAY, stiff, with
CL
21.7
calcareous nodules
7
12 . 14
3.75
Gray and brown, CLAY,
very
stiff, with silt
CH
17.4
Ipartings
8
14
- 16
4.50
Brown,
CLAY, hard, with silt partings
CH
20.4
106.7 128.5
9
16
- 17.5 4.50
Brown,
CLAY, hard, with silt partings
CH
19.1
S # : Sample Number, P P : Pocket Penetrometer Reading, USC . Unified
..
SOIl Classification,
..
M c . MOisture Content
q u : Unconfined Compressive Strength, W
0
H : Weight of hammer, WOP: Weight of pipe
55
25
55
90-60
Mechanical Analysis
PL
% Passing
(%)
#4
#10 #40
#100
22
100.0
100.0
99.6
99.1
99.9 99.8 99.6
93.1
16 99.9 99.8
99.4
96.8
20 100.0 100.0 100.0 100.0
I, .
Torvane
Shear
qu
Strength
(tsf)
#200
(IsO
1
93.6
0.33
30.4
..e
Y
)"
I'
">",,, .
67.1
0.10
/
~
/
J
l/
100.0
1.45
....
;f
~:
.;
z
-"
-,
o
""__"___
~
__._,,___,,__
._~_.
__
~
_____
~_::..-.
..
~,,_,,~,.~~_w~_,
..
~_._m.'.
__
~_">""_"~~,_~".~~'_.~
___
"~,,_~.~
__
~~~
__
o"_~>' '~~
__
'_.'~_'_"'''~_'~'~_m
__
.~'
Failure Sketches
0.4
0
0.3
.,
<T
~
~
,.;
0
v
~
0.2
.~
~
a.
0
v
E
0
()
0.1
o
Controlled stress
0.0
~
Controlled strain
0
Test No.
Type of Specimen
Waler content
]
Void rotio
:f
Saturation
Dry
density.
Ib/
cu
It
Time to failure. min
Unconfined comftressille
strength. T/sq t
Undrained shear strength, T/sq
ft
Sensitivity r<ltia
initial specimen diameter, in.
Initial specimen
hei9hl.
in.
5
Wo
eo
50
r.
~
q.
S.
S.
Do
Ho
10
Axial Strain,
~
1
Undisturbed
33.4
It
It
86.1
3.62
.33
.17
2.825
5.590
,.
,.
EM 1110-2-1906
Appendix XI
30 Nov 70
15
20
I
,.
It
:
It
It
I
I
Classification
Bluish green, Silty CLAY, stiff, with sand and calcareous nodules
LL
55
Remarks
ENG FORM 3659
1 JUN 65
I PL
22
I PI
33
I
G.
!
Project
CHANNEL TO VICTORIA.
TEXAS
Area
Channel to Victoria in San Antonio Bay. Texas
Boring No.
90=£0-
/
Sample No.
2
Depth
(/
2-4 ft
Date
8/1/90
EI
\
-"
UNCONFINED COMPRESSION TEST REPORT
PLATE XI-2
Geotest Engineering. Inc.
PLATE
"C-.~O~'W"'~'~~~.
'"
a
'"
..,.
Cl
Z
o
.0
-,
o
-~_'_'-c~c-'~.
_._.
~'
__
'.c~cc~c,_~·~c~
••••_._,_,,__
._.•
_~'_-'.---_._
••"._
Failure Sketches
0.16
~
0.12
'"
<T
m
;::,.
,;
m
~
0.08
'm
~
~
"-
E
0
0
0.04
o
Controlled stress
0.00
~
Controlled strain
0
Test No.
Type of Specimen
Waler content
'0
Void ratio
~
SolurCltion
Dry density, Ib/cu It
Time to failure, min
Unconfined
comftreSSiVfi
strength, T/sq t
Undrained shear strength, T/sq
ft
Sensitivity ratio
Initiol specimen diameter, in.
Initial specimen height, in.
5
10
Axial Stroin,
~
1
Undisturbed
w,
21.1
,.
eo
So
,.
1',
106.3
~
1.33
q.
.10
S.
.05
S,
Do