1. U.S. ARMY CORPS OF ENGINEERSGEOTECHNICAl BORING DATA

      alt
      \.~~-----
      U.S. ARMY CORPS OF ENGINEERS
      GEOTECHNICAl BORING DATA
      V.
      -1'
      -1'
      1'1
      tJ
      PROJECT NAME
      :
      r
      0 1--')0
      .;.
      "'./l'
      V1;lJ.I,IJ Mt (
      LOO
      OF BORING NO.
      "
      J -
      it
      ')
      LOCATION/STATION
      ':J,).!.
      'J)
      ----~--~-------------
      DATE /TIME STARTED
      J)!! {) /0']
      ;)
      .'J: "J:,) ]//;'
      DATEITIME COMPLETED
      /1
      /1
      '. :
      '5
      TIDE ELEVATION
      -!
      ,:,.
      ry'
      MLT DATUM
      WATER DEPTH
      " . := ')
      '-, s-o
      DEPTH
      FROM WATER SURFACE
      !
      TO BOTTOM OF BClRtG
      :';:0 . 00
      iJ
      .,
      WEATI-ER
      ( ,
      ":J/'/
      ,,'
      \ ').#1'-'"
      Cr
      DRILL RIG MANUFACTURE
      MODEL NO.
      CF.?
      DRILLER
      D
      ''lI'
      r' ',J
      "",/,/,,,>
      10l7fTC
      {,;./(
      In7""'~};;
      DRILLER'S/ LOGGER'S COMMENTS
      __________-=-________
      Page-L
      /~
      JJi!~
      i -,
      .
      ,
      [,

      alt
      ,._::_'__
      ~"
      ___
      .~,-~_._;_-,:,,_,"_.~"-:~~~~~_,
      ___
      ~
      __,_.
      ~~~_~~,_'~'.""n~'~L".'_':'L~~'='''''~''~_~'"~'~,"~'>=~X=""''=''~,~"."<~~,,~~'~"
      __
      ~~~~="'_~~~=~_~_,~.=-,~'''~
      ..
      =~_,
      _'
      ~
      __
      '~~,,,
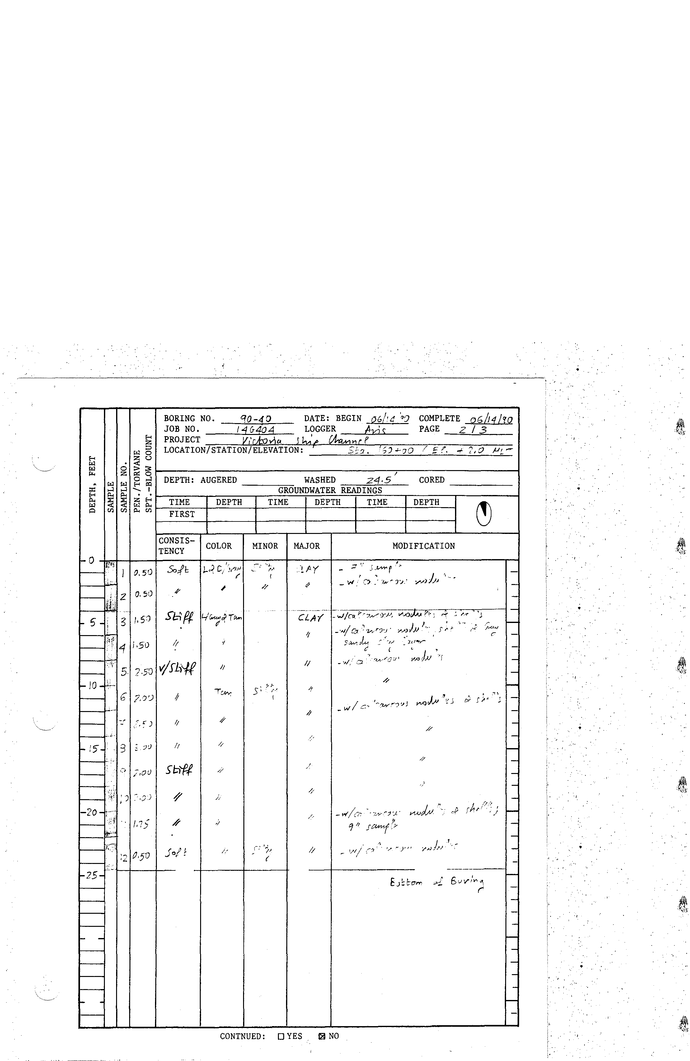
      BORING NO.
      QO-40
      DATE: BEGIN
      obl,t!
      'Q']
      COMPLETE
      Q6/J4/ro
      JOB NO.
      14 &4.0=1
      LOGGER
      ,4yi,
      PAGE
      Z
      /3
      ~
      PROJECT
      Vic;f:oyl«
      r
      !.y'". UQ.;,,,C P
      '" 5
      LOCATION/STATION/ELEVATION:
      r
      :;!::l
      ,
      '?)
      --70
      ./
      E
      r, ..;.
      i,
      0
      /-I!-~
      .
      ,,-.-'
      W
      f;;
      0
      ~U
      >
      ~I-
      __________________________________________,-____________________
      ~
      Z""O
      I
      W W
      ~;l
      DEPTH: AUGERED
      WASHED
      24,5
      CORED ___________
      ...
      :t:
      ~
      ~
      ..l..l.....
      "" ""
      ~
      1il!;::
      I
      TIME
      DEPTH
      TIME
      GROUNDWATER
      DEPTH
      READINGS
      TIME
      DEPTH
      ~
      <=>
      tIJ tIJ "" tIJ
      FIRST
      ~~~~-----+------~----1------+----~
      i~~~~S-
      COLOR
      MINOR
      MAJOR
      MODIFICATION
      - 0
      If''f
      0)
      "
      -, ",
      ~",'
      e
      1-
      ---,'. )
      0
      50
      50"
      ~
      ),.', C;
      !r'J" ,'I>
      ,'~
      f' Y
      - - ' j
      Y>'>'
      f
      ,
      -
      ,
      '
      ('
      I
      ,
      ,
      j
      '...
      1-
      __
      --+"':'
      '"1
      ~
      w' .':')
      .
      -/,IV ....
      ')",)."
      "/;) •
      /.J
      ~
      //
      ¢'
      -. --
      -
      1------1
      j
      2
      0,50
      4'
      --
      'j'.i
      _
      5-'
      ,
      3
      I,~
      q
      S8
      n-
      f)f}
      L.;'",,",~
      ('
      ",,,!
      ,
      'C'-X;-.
      ~:;Ic. ?·'~'YP,
      "'J(){)N.
      I
      !'" J ,.;.
      "'''.
      ~
      M
      oJ
      ,"
      I--
      ,
      'I
      '
      )" ',.
      ~.
      ".
      //..LU
      ,.'
      r..
      , ...
      ~
      "f'')'')'
      ;..-....,}.
      "J"
      ) ,.. ;
      i .....
      \----1;:-;1
      II
      -
      ~ ~,
      -,
      r
      ;lr
      4
      i.50
      II
      'I
      s~J..A-j
      :"""'M
      :"J.l/"""'-
      ,
      .
      1----1
      C
      (
      <..
      ~
      "
      'V\.......
      O:J'
      ~;QJ).}
      "f
      -
      ,\'
      ~
      """
      v/
      fLi'}
      0
      II
      1/
      -
      "~I,
      C1
      1----1
      J'!
      ,''v '/,
      '1"\"
      -
      "
      ~
      - 10
      _J;."
      T
      5;
      '~"
      '"
      ,
      I--
      6"
      1/Y)
      I;
      '~!
      ,1.. -'\.,
      ;,
      s;.,
      :11... -
      /
      _
      ~"'Loy'"~'"1'"
      J
      Y'...QrN"'
      ~.J
      I--r--
      #
      -
      w
      c>
      ' "
      __
      ",---_..
      -
      -.... .::-,::)
      1/
      4'
      _
      ,"
      .
      R
      1----1"';'
      /.
      --
      - i
      5" -
      '3 ;
      ~~
      1/
      1/
      I--
      //
      -
      ";,00
      Sbf/.
      //
      /
      __
      ,
      1----1") '')
      ~
      ,:;)
      l'
      j,
      '"
      -,
      :=
      :. '1'
      "
      I
      ,~/:i
      -20
      -
      ;'-"
      /.
      _
      v-IIt;
      ~
      -
      by,'";J".J..
      Vf.A.;j/.I.'
      '-.:
      .~p
      /"1'1../'."
      -")
      ~
      I----I~J
      -.
      !,
      ?
      :).It.i
      'CJ"
      J
      (.<.wl~
      :=
      1----11;7"'
      ;"),'/
      /'
      (:"'~J
      1/
      !'I/,r.,,~"'/-)'"
      /''')/,,,'''.-
      -
      :2 {J'50
      .)
      OJ ,
      '
      -
      (
      - '! '
      _
      - 25-
      c_
      6'
      I--
      tJ:bo..."
      :.<-j.
      vVIV'l1,
      r
      --
      ~
      --
      ~
      -
      -
      -
      -
      -
      CONTNUED:
      0 YES
      t:!I
      NO
      :"
      .
      i'
      i'

      alt
      alt
      Project
      CHANNEL TO VICTORIA
      SUMMARY OF LABORATORY TEST RESULTS
      VICTORIA, TEXAS
      Boring No,
      SPT
      Dry
      Wet
      Depth
      PP
      Blows
      Visual
      USC
      Mc
      Unit
      Unit
      LL
      S#
      (ft)
      (tsf)
      per
      Classification
      (%)
      Wt
      Wt
      (%)
      Foot
      (ocl)
      (ocl)
      1
      o - 2
      Black and gray, CLAYEY
      SAND, very loose, with
      SC
      27.6
      clav seams and shell fraqments
      2
      2(jJ
      Black and gray, CLAYEY S.AND, very loose, with
      SC
      14.1
      114.4 130.5
      clav seams and shell fraQments
      3
      4
      • 6
      1.50
      Light gray and tan,
      SANDY CLAY, stiff with
      CL
      22.6
      calcareous nodules
      4
      6 - 8
      1.50
      Tan
      and light gray, SANDY CLAY, stiff, with
      CL
      20.3
      107.9 129.8
      calcareous nodules
      5
      8 - 10
      2.50
      Tan
      and light gray, SANDY CLAY, very stiff, with
      CL
      18.1
      /'\
      sand DOckets
      6
      10~
      3.50
      Tan and light gray, CLAY, very stiff, with trace
      CL
      22.2
      102.6 125.3
      sand
      7
      12~
      3.50
      Tan and light gray, CLAY, very stiff, with
      CH
      26.5
      calcareous nodules
      8
      14 - 16
      3.50
      Tan, CLAY, very stiff, with calcareous nodules
      CL
      21.3
      9
      16 - 18
      3.00
      Tan and light gray, CLAY, very stiff, with
      CL
      18.2
      calcareous nodules
      10
      18
      • 20
      3.00
      Tan
      and light gray, SANDY CLAY, very stiff
      CL
      20.7
      11
      20 - 22
      3.00
      Light gray and tan,
      SANDY CLAY, very stiff, with
      CL
      19.0
      sand DOckets
      12 22.5-24.5
      2.50
      Tan and light gray, SANDY CLAY, very stiff
      CL
      20.1
      S # : Sample Number, P P : Pocket Penetrometer Reading, USC: Unified
      ..
      SOIl Classification,
      ..
      M c : MOisture Content
      q u :
      Unconfined Compressive Strength, W 0 H : Weight of hammer
      43
      38
      42
      90-40
      Mechanical Analysis'
      PL
      % Passing
      (%)
      #4
      #10 #40 #100
      18
      93.5 90.5 87.0 58.4
      17
      84.7
      84.5 83.7 82.3
      97.2 96.6 96.1
      95.8
      Torvane
      Shear
      qu
      Strength
      (tsf)
      #200
      (tsf)
      32.5
      0.15
      73.7
      0.53
      94.7

      alt
      o
      ~i
      ...
      Z
      o
      .Cl
      -,
      o
      Failure Sketches
      0.8
      ~
      0.6
      ~
      Q'
      0
      ~
      ,,;
      ~
      iii
      ~
      0.4