alt
    .
    ,
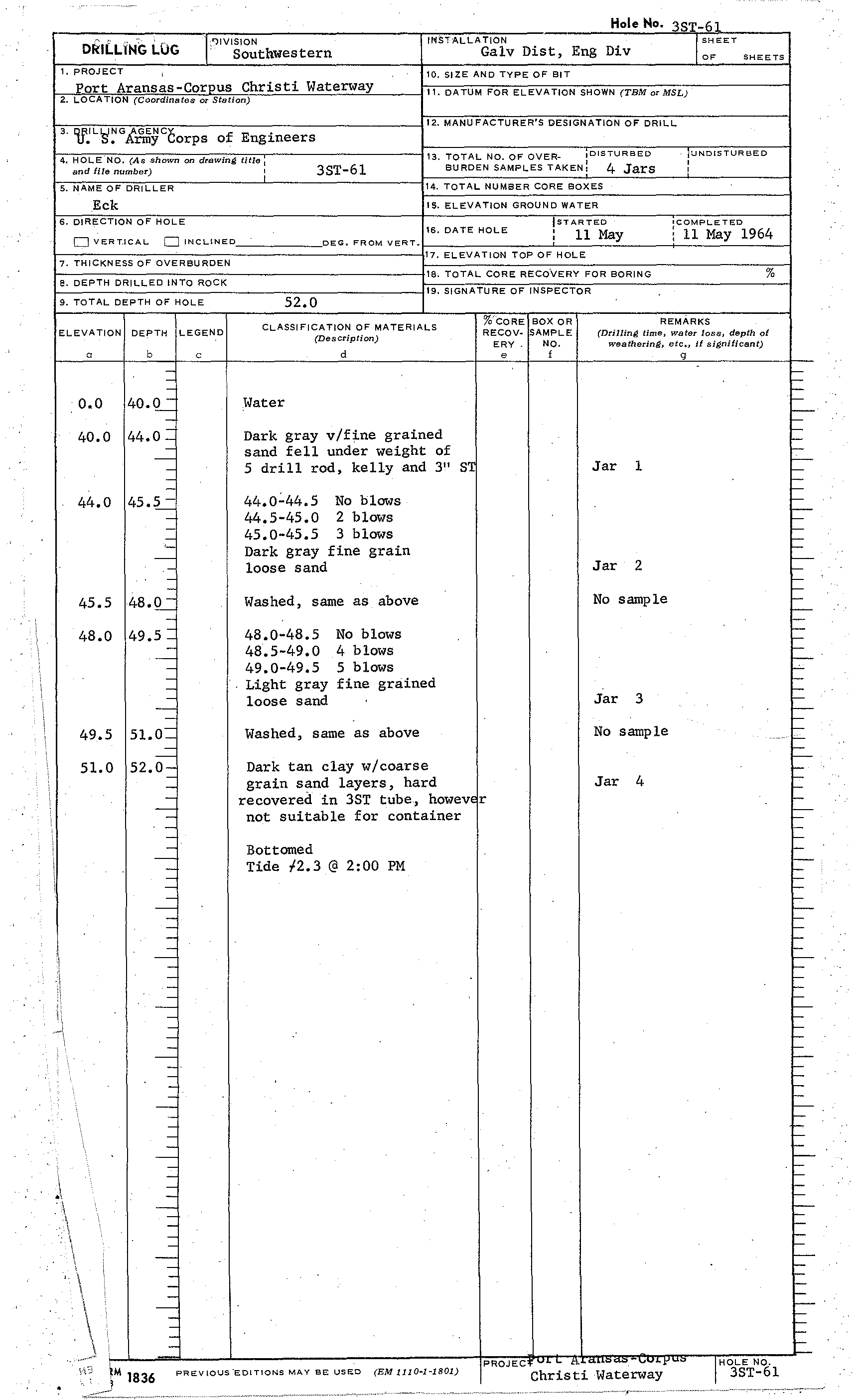
    Hole No. 3ST-61
    ,'"'"
    ,- ",
    ,
    l''11V[SION
    DkllLiNG LOG
    • Southwestern
    fI'fSTALLATlON
    Galv Dist, Eng Div
    l
    SHEET
    __ OF
    SHEETS
    1. pROJECT
    10. SIZE AND TYPE OF BIT
    Port Aransas-Corpus Christi Waterway
    11. DATUM FOR ELEVA nON SHOWN
    (TBM
    OT
    MSL)
    2. LOCATION
    (Coordinates or Station)
    12. MANU FACTURER'S DESIGNATION OF DRILL
    3. Qf'ILWNG .AGENe):
    u.
    ~.
    Army
    ~orps
    of Engkneers
    4. HOLE'NO. (As
    shown
    on
    drBwin~
    title
    I
    and file numbe.r)
    3ST-6l
    13. TOTAL NO. OF OVER-
    :DISTURBED
    BURDEN SAMPLES TAKEN I
    4 Jars
    ,
    lUNDISTURBED
    5. NAME OF DRILLER
    Eck
    6. DIRECTION OF HOLE
    o VERT.lCAL
    D INCLINED
    7. THICKNESS OF OVERBURDEN
    e. DEPTH DRILLED INTO ROCK
    9.
    ToTAL DEPTH OF HOLE
    ELEVATION I DEPTH
    a
    b
    0.0
    40.0
    44.0
    45.5
    48.0
    49.5
    51.0
    40.0 -
    44.0 =
    45.5 -,
    48.0-
    49.5 =
    51.0=
    52.0-
    ~
    ~
    LEGEND
    c
    14. TOTAL NUMBER CORE BOXES
    IS. ELEVATION GROUND WATER
    DEG. FROM VERT.
    16. DATE HOLE
    TSTARTED
    :
    11
    May
    :COMPLETED
    : 11
    May
    1964
    17. ELEVATION TOP OF HOLE
    18. TOTAL CORE RECOVERY FOR BORING
    %
    19.
    SIGNATURE OF INSPECTOR
    52.0
    CLASSIFICATION OF MATERIALS
    (Description)
    %'''COREi BOX Oft
    RECOV- SAMPLE:
    REMARKS
    d
    .water
    Dark gray v/fine grained
    sand fell under weight of
    5 drill rod, kelly and 3" S'I
    44.0~44.5
    44.5-45.0
    45.0-45.5
    No blows
    2 blows
    3 blows
    Dark
    gray fine grain
    loose sand
    Washed, same as above
    48.0-48.5
    48.5-49.0
    49.0-49.5
    Light gray
    loose sand
    No blows
    4 blows
    5 blows
    fine grained
    Washed, same as above
    Dark
    tan clay w/coarse
    grain sand layers, hard
    recovered in 3ST tube, howevar
    not suitable for container
    Bottomed
    Tide
    12.3
    @ 2:00 PM
    ERY"
    NO.
    e
    f
    (DriJ1ing time, water loss, depth of
    weatherin~,
    etc"
    if
    si~nifjcant)
    g
    Jar