1. 3ST-20
    2. 19620126 Viola Ch Drilling Logs.pdf

    alt
     
    HOLE MO.
    ~!l'l'_?n
    1. PROJECT
    OF
    DEPARTMENT
    OF
    THE
    ARMY
    DIYISIOII
    Southwestern
    lTiola Shi
    n
    "'''~
    ___
    1
    SHEET
    2. LOCATION
    (cooidi,..,.. or-sT.fion)
    IlsrALUT I011
    Galv Dist. EnvD;V
    208' NOrth of centerline su. 1"ClJOO
    DR ILLI NG
    LOG
    3' DRILLING AGENCY
    i1. -.S._ Armu r.n
    U. HOLE NO.
    (A •
    • "..11
    on
    draw In]
    title
    end 'H.
    NO.)
    5' NAME OF DRILLER
    3 -20
    6'
    DIRECTION
    or
    HOLE
    7. THICKNESS
    1
    ------..
    I
    DrGAHS
    wlfH
    OF OVER-
    c:::1
    VERTICAlC] INCLINED
    VERT-'CAl
    BURDEN
    r
    nf' 1?1
    DEPTH
    DR I LLED
    INTO ROCK
    9. TOTAL
    DE PTH
    OF
    HOLE
    47.5
    10.
    11. DATUM FOR ELEVAT I ON SHOWN
    112'
    MANUFACTURER'S DESIGNATION OF DRILL
    (TBIII
    or
    IISL)
    13' TOTAL NO. 'OF OVERBURDEN SAMPLES TAKEN
    -
    l,,;-tOTAL
    15' £lEV.
    16'
    DATE HOL
    o
    UR8ED
    UN
    NO.
    CORE
    GROUtrtO
    Sl
    A.IffEti
    COMPlETED
    BOXES
    WATER
    __
    S_
    fiI
    '!:
    n..:.. ...
    1Qk1
    17. £lEV. TOP OF HOLE
    liB' TOTAL CORE RECOVERY FOR
    119.
    SIGNATURE OF INSPECTOR
    'ELEVAT
    101
    lf~
    ILEGENI
    0.0
    5~2
    8.5
    10.0
    12.0
    "5:2
    8.L
    !~~)J'
    12.0:
    .,5,Jt
    i5:""o-ri-j.
    0::
    17.0 1 18.2:
    18.5 120.0::
    20.0 1 23.ll:
    23.0 125.0=
    25.0 128.0:
    28.0 130.0:
    30.0 133.0-
    :n.o
    35.0.:
    j
    ..
    -
    \5 .• 0
    40.0-
    -\},
    -
    40.0
    41. 5-
    41.5
    .46.0
    w.;;:
    '/1 S< ,,_
    BORING (lI)
    CLASSIFICATION
    or
    MATERIALS
    (D••criptioft)
    .
    J
    I
    COR
    1
    110X
    OF
    .
    REeOV
    SAMPl£J(Drlllln,
    ti_.
    ".t.r~
    10. ••
    deptlt
    01
    ERY
    NO'
    I ....
    'fwdn' .•tc.,
    If
    eJ,nlUUftf)
    Water
    Gray
    silty sand v/soft med
    grained w/some shell
    Washed same as above
    Gray
    sandy clay v/soft
    w/some
    ."shell No test
    1
    blow drove
    from 10.0 to 12.0
    Washed same as above
    Gray
    green sandy clay stiff
    wi
    silty sand pockets, w/some
    s~ll
    w/some cal nod
    Washed, same
    as above
    18.5-19.0 No count
    19.0-19.5 9 blows
    19.5-20.0 5 blows
    Gray green sandy clay w/silty
    sand pockets w/cal nod
    w/some
    shell
    Washed same as above
    Light gray sandy clay v/stiff
    w/silty sand pockets w/eal nod
    Washed, same
    as above
    Light gray sandy clay stiff
    w/silty sand pockets w/cal nod
    Washed, same
    as above
    Light gray sandy clay stiff
    w/cal nod w/silty sand pockets
    Washed from 35.0-to 36.5 same
    as above
    from
    36.5 to 40.0 same as below
    Light gray Silty sand med graindd
    w/cal nod
    No test 100 blows penetrated
    0.3'
    [Washed,same as above
    '46.0-46,.5 No count
    46.5-47.• 0 100 blows
    47.0-47.5 No count
    Light gray Silty sand med graine
    ~
    /eal
    nod
    o
    t.est 100 blows to penetrate
    5'
    continued
    Cont.
    1
    No sample
    Jar
    1
    No sample
    Cont. 2
    No sample
    Jar 2
    No sample
    Cont. 3
    No sample
    'Cont.
    4
    iNo sample
    /cont.
    5
    ~o
    sample
    rar 3
    ~o
    sample
    ar 4
    1.00
    2.50
    1.75
    1.00
    .
    ;\
    Ella
    FORM
    t
    JUN 57
    1836
    (TRANSLUCENT)
    (EM 1110-2-180J)
    PREVIOUS EDITIONS ARE OBSOLETE
    PROJECT Vi 01
    a
    Cho
    nn
    €! 1
    HOLE IO.3ST_?Q

    alt
    HOLE NO
    .
    ";"':1:1:
    'l.~T_?n
    1.
    PROJECT
    I
    DEPARTMENT OF THE ARMY
    Viola Ship Channel
    SHEET
    OF
    DIYISIOI
    2- LOCATION (Cooru.n.r•• or
    .:slat.OIt)
    IUTALUTIOI
    DR ILLI NG
    LOG
    3'
    DRILLING AGENCY
    u.
    HOLE NO.
    (A-
    enowlt on or•••n' ru •• ena
    1.11..
    NO.)
    S' NAME OF DRILLER
    6.
    DIRECTION OF HOLE
    7'
    TH I CKNESS
    r'
    DEPTH
    19'
    TOTAL
    c::J VERT tCAl
    CJ
    INCLINED
    ~::~:~:L·"
    "
    OF
    OVER""
    DR I LLED
    DEPTH OF
    BURDEN
    INTO ROCK
    HOLE
    10.
    SIZE AND TYPE OF BIT
    11.
    DATUM FOR ELEVATION SHOWN
    112'
    MANUFACTURER'S DESIGNATION OF DRILL
    (TBII
    or
    115L)
    13'
    TOTAL NO. OF OVERBURDEN SAMPLES TAKEN
    1U. TOTAL
    rs,
    HEV.
    l16'
    OAT
    HOL
    D'>1U'BED
    UHO!>TURBEO
    I
    :gXE~ORE
    GROUND
    ISTARTfO
    I COMPLETED
    WATER
    17.
    ELEV. TOP OF HOLE
    Ie.
    TOTAL CORE RECOVERY FOR
    19.
    SIGHATURE OF IHSPECTOR
    BORING (5)
    ELEVATION
    DEPTH
    LEGEN
    CLASSIFICATION OF MATERIALS
    Mg~~
    I
    ~~~~~:
    (DrJllllt, 11_ •
    •• t.r
    1011.,
    dep'h 01
    (D..
    e,. ipt ion)
    ERY
    NO'
    ••• ,her/n,. etc .•
    JI
    al,nlflc."t J
    :
    :
    Tide gage 2.3' @ 7:40 AM
    -
    Water depth 5.2'
    -
    Tide gage 2.5' @ 5:30 P.M.
    -=
    -
    --:
    ::
    -:
    -
    .
    -
    -=
    -
    :
    -:
    -
    -=
    -
    :
    ,
    -=
    ::
    -
    -=
    ::
    -
    :
    -
    -=
    :
    -
    -
    :
    -:
    -
    -
    -:
    -
    -:.
    =
    -
    -:
    -
    .-
    ::
    ::
    ::
    -:::
    -
    -:::
    :
    -=
    -
    i
    U8 FORM 1836
    (TRANSLUCENT)
    PREVIOUS EDITIONS ARE OBSOLETE
    1 JUN 57
    (EM 1110-2-180J)
    "'OJECT
    Viola Sh Ch
    HOLE
    NO.3ST-2Q

    alt
     
    j
    I
    r
    I
    /
    DEPARTMENT
    OF
    THE
    ARMY
    DIYlSIOIt Southwestern
    IHSTALLATION
    Galveston District
    /
    DR ILLI HG
    LOG
    u. HOLE NO.
    rAe
    ."ow" on
    flr ••
    in,
    tUle
    .nd fHe NO.)
    3ST-l
    6.
    HOLE HO.
    3ST-l
    -
    1. PROJECT
    T
    Viibla Channel
    SHEET
    1
    OF
    2. LOCATION (COOrdi_ru or SUllO")
    194' N
    <L
    3' ORILLING AGENCY
    U. S. Army Corps of Engineers
    5'
    NAME OF DR ILLER
    Smith
    DIRECTION OF HOLE
    7. TH ICKNESS
    IS' DEPTH
    f
    9' TOTAL
    CJ VERT ICAl
    CJ
    INCLINED
    I
    ~;~~:~:L·""
    OF OVER-
    DR I LLED
    DEPTH
    OF62 5
    BuRDEN
    INTO ROCK
    HOLE
    ..
    10. SIZE AND TYPE OF BIT
    11. DATUM FOR ELEVATION SHOWN
    112' MANUFACTURER'S DESIGNATION OF ORILL
    (TBM
    or
    IitSL)
    13' TOTAL NO. OF OVERBURDEN SAMPLES TAKEN
    U' TOTAL
    r5'
    ELEV.
    16.
    AT
    HOL
    o STURSH
    UNU"TU••,D
    I
    :~'r~ORE
    GROU.D
    ry~·T~an
    I
    C~9LE;t£n
    62
    WATER
    17. ELEV. TOP OF HOLE
    IS' TOTAL CORE RECOVERY FOR
    19. SIGNATURE OF INSPECTOR
    SORING (S)
    ELEVATION DEPTH
    LEGEN
    CLASSIFICATION
    ("••eription)
    Of MATERIALS
    I~E~g~~
    I
    ;~~P~:
    (Drll1J"4
    ri",.,
    ."",~~"
    •• te,.
    10.8, depth .1
    ERY
    NO.
    ••• therlnG ••tc., 1( eJ,nJllcent)
    I
    0,0
    2.5
    Fine gray & brown silty
    cl. sand
    Spoil
    Jar #1
    -
    2.5
    5.
    0:
    Same as above
    Jar #2
    -
    5.0
    10 •.Q:
    Wash, same as above
    -
    10.0
    12. s:
    Gray sand, medium to
    -=
    coarse grained w/clay
    :
    laminae~.
    Spoil material
    Cont #1
    -
    12.5
    20 •.Q:
    Wash. same as above
    -
    20.0
    22.~
    Same as above w/Caco3nod.
    Jar #3
    22.5
    28.~
    ~~
    Wash, same as above
    -
    w/gravel
    -
    28.5
    -::-
    Greenish gray sandy clay
    31.0:
    ::
    w/alternate sand laminae.
    Sandy clay hard, sand
    -::
    v/stiff w/cal nod
    Cont #2
    :
    31.0
    40 •.Q:
    Wash,
    same as above
    -
    40.0
    41.S:
    Greenish gray sand packed
    -=
    w/many thin bentonitic
    :
    clay laminae w/small
    -
    CaC03 nodules. Could not
    -::
    push past 41.5
    Jar #4
    41.5
    46.0::
    No sample
    ...:::.
    46,0
    48.5:
    Fr:Clll'01aiwery stiff gray
    -
    sandycl. to a gray silty
    -
    c1. sand at 4'7..0
    Cont #3
    -
    -
    48.5
    52.5::
    H[.J:'(~ )~-cked
    gra.y silty sa! d
    No sa.mple
    54.0::
    -
    52.5
    Hard packed gray silty sar
    d
    Jar #5
    -
    54.0
    60 •.a:
    Same as above w/some sand
    :
    stone nod.
    No sample
    -
    60.0
    62.~
    Hard packed gray silty cl.
    sand w/some cal & sand
    =
    s$~»e
    nod.
    Cont #4
    -=
    Bottomed at 62.5'
    f.r~,::C:o:'
    at 12.0
    1
    -=
    Weight of hammer 140#
    -
    Drop distance 30"
    :
    -=
    :
    -::
    -
    =
    I--
    I--
    I--
    I--
    I;::::-
    ~
    ~
    =-
    t
    ~
    t=-
    1=
    I--
    ~
    t=
    ~
    =-
    =-
    f-
    =-
    ~
    -
    =-
    --
    r-
    t=-
    f-
    ::::
    f-
    ~
    1:=
    f-
    =
    -
    f-
    t=-
    ~
    f.-
    ~
    t=
    f-
    I-
    ~
    I--
    l-
    I--
    f-
    ~
    I-
    I=-
    I-
    1=
    ~
    f-
    ~
    ENG FORM
    1836
    (EM
    "'0-'-'80,)
    1 MAR 61
    TRANSLUCENT
    PREVIOUS EDITION MAY BE USED
    UNTIL. e:;XHAUSTED.
    PROJECTViola Channel
    NO\.[
    10.3ST-l
    :-~

    alt
    ,
    I
    /
    L
    DEPARTMENT OF
    THE
    ARMY
    DIYISIOR
    Southwestern
    IISTALLATloI
    Galv Dist, Eng Div
    HOLE NO
    .- _.
    3ST-2
    1. PROJECT
    Viola Ship Channel
    SHEET
    OF
    2. LOCATION (coord, ... ,.. or
    StatIon)
    Sta.
    1470100
    centerline
    3' DRILLING AGENCY
    DRILLING lOG
    U. S. Army Corps of Engineers
    q. HOLE NO.
    (A-
    en_n on dr •• ,n,
    r;rl.
    and
    tll.
    N0.)
    5' NAME OF DR ILLER
    3ST-2
    Ross
    6.
    DIRECTION OF HOLE
    7' THICKNESS
    lB' DEPTH
    9. TOTAL
    c::J VERT ICAl
    c::J
    I Ne L IIHO
    I
    ~~;~:~~L."
    n
    OF OVER-
    OR I LLEO
    DEPTH Of
    47 0
    BURDEN
    INTO ROCK
    HOLE
    10. SIZE AND TYPE OF BIT
    11. DATUM FOR ELEVATION SHOWN
    112' MANUFACTURER'S DESIGNATION OF DRILL
    (TSII
    or
    II$L)
    13' TOTAL NO. OF OVERBURDEN SAMPLES TAKEN
    114. TOTAL
    r5' ELEV.
    16.
    AT
    HOL
    O"'U'.EO
    UNO,,,
    U••tU
    I
    ~~X[~ORE
    GROUND
    IShAR!EO
    C§.'J~~EOl962
    WATER
    Jan
    17. £lEV. TOP OF HOLE
    lB' TOTAL CORE RECOVERY FOR
    19. SIGNATURE OF INSPECTOR
    BORING
    (")
    ELEVATION
    DEPTH
    LEGEN[
    CLASSIFICATION OF MATERIALS
    I
    :E~~~': ;~~P~~
    (DrJllln,
    tJ_
    ."·;,.';t~~'"
    10. •• depth
    01
    (D••
    er
    ipt
    ion)
    ERY
    NO,
    ••• therln•••tc.,
    II
    .ifni/leant)
    0.0
    3S..J:
    Wat~r
    ,
    -
    35.0
    37.C
    Dark gray silty sand w/some
    -:
    v/soft clay
    Jar
    L
    37.0 38.
    r
    Light gray tan silty sand, soft
    -=
    w/small clay pockets
    Cant.
    1
    0.25
    -
    38.0
    40.C
    Same as above
    Washed
    -
    40.0
    411
    Light gray silty sand w/sandy
    ::
    clay pockets w/cal nod
    Jar 2
    c
    "" n
    ",>~-:-
    aD.
    O,;,4tltS
    ~o
    count
    't
    40.5-400.0 27 blows
    -
    41.0-41.5 28 blows
    -:
    Light gray silty sand w/sandy
    -
    ::
    clay pockets w/cal nod
    h~
    41.S
    4S~
    .-::
    Same as above
    Washed
    !" .
    45.5
    47~
    Light gray sandy clay w/sil,ty
    -
    sand layers w/eal nod ,"/aoroe
    gravel
    -
    45.5-46.0
    No
    count
    ::
    46.0-46.5 48 blo,"s
    .
    -
    46.S-47.0
    52 blows
    Jar
    3
    -
    -
    Hole bottomed in above
    ::
    Weight of hammer 140#
    -
    Drop Dis tance 30"
    :
    Tide gage 1.1 @ 9;20 AM
    -
    Water depth 35.2
    -
    Tide gage 0.9 @ 1:1S PM
    :
    -
    -::
    -
    -
    -:
    -
    -=
    =
    -
    -::
    -
    :
    -::
    :
    -=
    :
    =
    -:
    ,
    :
    -
    //'
    /
    I
    [110
    FO..
    1836
    (TRANSLUCENT)
    ,
    JUN 57
    (EM
    1110~2-1BOl)
    PREVIOUS EDITIONS ARE OBSOLETE
    PROJECTViola Sh Ch
    HOLE 10.
    3ST-2

    alt
    ····,iC."~'
    HOLE HO.
    ,:)iJJ.-~
    'i.
    i;;"'" .
    I.
    PROJECT
    1
    SHEn 1
    DEPARTMENT OF THE ARMY
    phannel to Viola
    OF
    OIVISIOIt
    Southwestern
    2. LOCATION
    (COOrD,,..' .. or
    Stat
    10")
    IHSTALLATION Galveston District
    Sta
    1475/00
    130
    I
    N (to
    DR ILL! KG
    lOG
    3'
    DRILLING AGENCY
    U. S. Army Corps of Engineers
    u.
    HOLE NO.
    (A-
    an_It
    on ar•• ,"'
    I"HI..
    enG'
    rl.,.
    N0.)
    ~.
    NAME OF DRILLER
    3ST.'3
    Smith
    6.
    DIRECTION OF HOLE
    7.
    TH ICKNESS
    18'
    DEPTH
    19'
    TOTAL
    c::::J
    VERT ICAl
    c::J INCLINED
    ~;~~;~~l·
    '"
    OF OVER""
    DRI LLED
    DEPTH OF52
    5
    I
    8URDEN
    INTO ROCK
    HOLE
    10.
    SIZE
    AND TYPE OF
    BIT
    11.
    DATUM FOR ELEVAT ION SHOWN
    112'
    MANUFACTURER'S DESIG.ATIO. OF
    DRILL
    (TBM
    or
    MSL)
    13' TOTAL '0. OF OVERBUROEN SAMPLES TAKE.
    II.'
    TOTAL
    r~'
    HEV.
    16.
    A
    HOL
    OISTU'.ED
    UNu." UMotO
    I
    :gxr~ORE
    GROUND
    1126"' :fan
    1
    2"6' \rilll
    62
    WATER'
    17.
    HEV.
    TOP OF HOLE
    18'
    TOTAL CORE RECOVERY FOR
    19.
    SIGNATURE
    OF
    INSPECTOR
    80R ING (S)
    ELEVATIO'
    DEPTH
    LEGE.
    CLASSIFICATION OF MATERIALS
    I
    ~E~~~~
    I
    ~~~pr!
    (Drlllllt,
    tj_; •• t.r loa ••
    dep,,..1
    (D••
    er
    ipt
    ion)
    ERY
    .0'
    " •• tlterl"" ••tc., Jf
    a/,nlllea ..')
    0,0
    2.5
    Brown & gray silty Cl.
    r-
    sand w/grass roots
    Jar #1
    r-
    2.5
    13.0:
    -
    Very
    loose~acked
    silty
    I--
    ~
    :
    Cl. sand w decayed veg,
    1--.
    -:
    No resistance to push
    No
    sampl~
    t=--
    13.0
    15.~
    13.fj-14~0 ~.
    blows
    -
    =
    -
    -
    14.0-14.5 .' blows
    =-
    :
    Fine brown & gray Silty
    :
    Cl.
    sa~d
    w/decayed veg.
    Jar #2
    =
    15.0
    18.0.:
    -
    Med brown & gray silty
    =-
    -'
    :
    sand w/some small gravels
    No sample
    =
    -
    :::..-
    18.0
    20.0.:
    Same as above
    Cont
    #1
    r-
    -
    )
    1=
    20.0
    25 •
    .0:
    Same as above
    No sample
    ~
    25.0
    27.S:
    -
    Very
    stiff gray Cl. sand
    1=
    I-
    w/cal nod
    Cont #2
    3.75
    I-
    -
    ~
    27.5
    30.0:
    Hard brown sandy cl.
    l-
    I-
    -:
    w/sand stone nod.
    Cont #3
    4.50
    I-
    t=--
    30.0
    32.S:
    Same as above
    Cont #4
    4.50
    I-
    ~
    32.5
    -
    ~
    35.0:
    Hard gray sandy Cl
    -
    w/cal nod.
    Cont #5
    4.50
    I-
    ~
    -
    Fine to
    ~d.gray hard~
    ~
    35.0 38.0:
    :
    packed sand w/cal nod.
    ~
    No sample
    ~
    -
    ,
    I
    38.0
    40.0:
    Med. gray silty cl. sand)
    f-
    r-
    :
    'f/eal nod
    r"'-/
    Jar #3
    r-
    -
    ,
    =-
    ~
    ....
    40.0
    42.5:
    Hard gray sandy el.
    ,
    =
    ,/
    -
    w/cal nod
    Cont #6
    4.50
    =
    ..::.
    -
    42.5
    44.0:
    Hard gray Cl. sand
    =
    :
    w/cal nod
    Cont #7
    -
    44.0 48.0:
    -
    Hard packed gray silty
    =-
    :
    sand w/cal nod.
    No sample
    -
    ~l
    :;:
    -
    48.0
    . lO. 0_
    48.5-49.0 30 blows
    -
    .
    -
    49.0-49.5
    70 blows
    -
    -
    Hard packed gray Silty sar
    d
    . Jar #4
    -
    §co.o
    52.5:
    -::
    -
    =
    Hard packed gray silty Cl.
    -
    -::
    sand w/sandstone nod.
    Cont #8
    =-
    -
    -
    Bottom at 52.5
    1
    ..::.
    Water at 7.0
    1
    =-
    :
    Weight of Hammer 140#
    ::-
    :
    Drop distance 30"
    =
    -::
    =-
    -
    ;:
    ENG FORM
    1 MAR 61
    1836
    (EM
    1110.1-1801)
    TRANSLUCENT
    PREVIOUS EDITION MAY BE USED
    UNTIL. EXHAUSTED.
    PROJECTViola Channel
    HOLE lo.3ST-3

    alt
    v
    HOLE .0
    .....
    U •
    1.
    PROJECT
    DEPARTMENT OF THE ARMY
    \1{
    ,,1.
    ~hi
    n
    ('h~n',,"
    1
    SHEET
    OF
    DIVISION
    ~Quthwestern
    2. LOCATION
    (coora,... t.. or ",.t'OIl)
    IISTALUTION
    Galv Dist, Eng Div
    ~.~
    1'"'''\1nn
    lin"
    DR ILLI NG
    LOG
    3'
    DRILLING AGENCY
    " "
    •.=,
    r,
    ~
    ,.
    ,"
    "~"i n""~.
    ll. HOLE NO. (Ae eno.-n on dr ....n' 1.111. enu ,jJa N0.)
    5'
    NAME
    OF DRI1.LER
    '"
    D,
    '
    ,
    6.
    DIRECTION OF HOLE
    7.
    TH I CKNESS
    18'
    DEPTH
    9.
    TOTAL
    CJ
    VERTICAL
    I
    C:J
    INCLINED
    ~~~~~~~L·"n
    OF OVER-"
    DRI LLED
    DEPTH OF
    BURDEN
    INTO ROCK
    HOLE
    47.0
    10.
    SIZE AND TYPE OF BIT
    11.
    DATUM FOR ELEVATION SHOWN
    112'
    MANUFACTURER'S DESIGNATION OF DRILL
    (TBM
    or JISt)
    13'
    TOTAL NO. OF OVERBURDEN SAMPLES TAKEN
    1..
    TOTAL
    r5'
    HEV.
    16.
    DATE HOL
    O'>lU•• EO
    UNO", URO'O
    I
    :gXEg
    ORE
    GROUND
    ISIAfll£D
    k~O';;~~TE~
    'l" 1
    WATER
    10
    n,,~
    17.
    ELEV. TOP OF HOLE
    18'
    TOTAL CORE RECOVERY FOR
    19.
    SIGNATURE OF INSPECTOR
    BORING (")
    ELEVATION
    DEPTH
    LEGEN
    CLASSIFICATION OF MATERIALS
    :E~~~=
    I
    ~~~pr;
    (D,l111n,
    ti_
    .ti'~~~~~;::,
    IN •• dept
    It
    01
    (D..eriptioft)
    ERY
    NO'
    ••• ''',In, .•tc.,
    If
    .UnJfleant)
    [4
    <-1>-
    .
    -
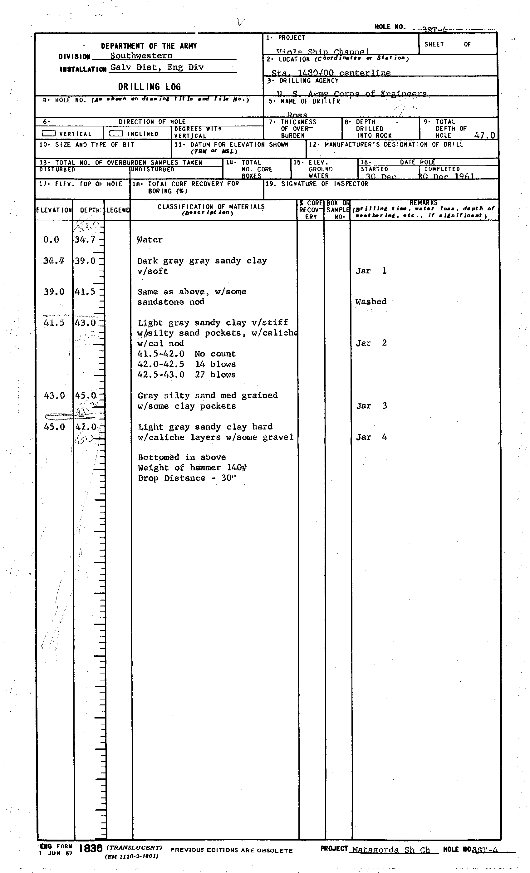
    0.0
    34.7:
    Water
    34.'1 39.0
    -
    :
    Dark gray gray sandy clay
    :
    v/soft
    Jar
    1
    39.0
    -:
    41.5_
    Same as above, w/some
    -
    sandstone nod
    Washed
    -
    -"."..
    .~,.
    ..,.... ...7
    41.5 43.0:
    Light gray sandy clay v/stiff
    ,
    :'
    -
    w!,silty sand pockets, w/cal1chE
    ..
    '. -
    w/cal nod
    Jar 2
    .-
    ::
    41.5-42.0
    No count
    ::
    42.0-42.5
    14 blows
    -::
    42.5-43.0 27 blows
    43.0
    45,0:
    Gray silty sand med grained
    i' "s'
    "1-
    w/some clay pockets
    Jar
    3
    e
    C
    '
    '_
    ~-
    ..
    -
    45.0
    47.0c
    Light gray sandy clay hard
    ,
    c
    w/caliche layers w/some gravel
    Jar
    4
    ~L}'
    ',-.3-±
    -;_
    . i-
    Bottomed in above
    .
    -:
    i::
    Weight of hammer 140#
    Drop Distance - 30"
    .-=
    ::
    ::
    i
    -:
    -
    -:
    .
    -
    =
    -
    i
    -
    ,
    ::
    -=
    ::
    c
    -
    -:
    -
    -=
    =
    -
    -::
    -
    :
    -::
    -
    ...:
    -
    =
    -
    -
    -=
    --------------
    ------
    EM
    FORM 1838
    (TRANSLUCENT)
    PREVIOUS EOITIONS ARE OBSOLETE
    1 JUN 57
    (EM
    tll0~2-1801)
    PROJECT
    Matagorda Sh Ch
    HOLE
    .O~

    alt
    alt
    alt
    alt
    alt
    alt
    alt
    alt
    alt
    alt
    alt
    HOLE NO.
    3ST~5
    ARMY
    SHEET
    1
    OF
    2
    IN(c')
    'ct>j...--------
    'it"
    'Q'>I.'
    ~.<
    DR III ING LOG
    II_It
    an
    dn.
    In.
    i j
    .
    ~~
    "-
    brown & g'1;'ay
    ~(Ieandy
    01. parta
    &
    roots
    Jar #1
    as above
    No sample
    g'1;'ay & brown silty
    01. parts
    Jar #2
    6 blows
    0-9.5
    7 blows
    ine damp bn0lm silty 01
    I
    ~
    and
    Jar #3
    •0 12•
    arne as above
    Cont #1
    .5
    15.0
    ine light brown wet
    sand
    Jar #4
    ,0
    ~8.~
    r
    as abova
    No sampJ.e
    .0
    0.0
    8.5-19.0 17 blowa
    Q.O-19.5 20 blows
    fine gray ailty sand
    layers of hard
    cl.
    Jar #5
    0
    121.
    5-1
    Bame as above
    No sample
    grfg ailty sand with
    (0.5) of hard gray
    • sand
    wlcal
    nod
    Cont #2
    4.50
    I
    I .
    =I
    _ aame as above
    No sample
    fine gray silty cl.
    packed
    Cont
    #3
    as above
    No sample
    35 blowa
    .0-32.5
    76 blows
    fine hard packed gray
    sand
    Jar #6
    I~';o!'
    .. 5
    65.<B
    bame aa above
    No aample
    fine gray silty sand
    packed
    Cont
    #4
    as above
    No sample
    .42 blowa
    ,0-39.5
    75 blows
    packed
    gray silty
    within cemented sand
    I
    Jar #7
    -'~U.1.J.10.t·1801)
    PREVIOUS EDITION MAY BE USED
    -
    ~L·-··-EXHJro.USTEO.
    HO!

    alt
    alt
    alt
    alt
    alt
    alt
    DEPARTMENT
    OF THE
    ARMY
    DIVISIOIt ______________
    IHSTALLATIOH ___________
    43.0
    45.0
    47.0
    50.0
    52.0
    53.0
    DR ILlING LOG
    CLASSIFICATION OF MATERIALS
    (D••er
    ipt
    lon)
    Wash, same as above
    Very
    fine gray silty sand
    45.5-46.0 29 blows
    46.0-46.5 39 blows
    Ve~t
    fine gray silty sand
    within layers of 01. sand
    & Cal nod.
    Wash, same as above
    50.5-51.0
    51.0-51.5
    Very fine
    14 blows
    15 blows
    gra.y silty
    Wash. same as above
    sand
    Same as above with layers
    (0.5) of hard Cl. sand &
    cal. nod.
    Bottom
    at 54.5'
    Weight of hammer
    140#
    Prop
    distance 30"
    Water
    at 13.0
    1
    ENG FORM
    1836
    (EM 1110.1-1801)
    PREVIOUS EDITION MAY BE USED
    , MAR 61
    TRANSLUCENT
    UNTIL. EXHAUSTED.
    HOLE NO.
    3ST~5
    Channel
    PROJECT
    No sample
    Jar #8
    Jar #9
    No sample
    Jar #10
    No sample
    Cont #5
    SHEET
    2!F
    OF
    ••
    d."th .1
    "JI
    leent
    HOLE 10.
    _ ... -
    -

    alt
    alt
    ~'
    DEPARTMENT
    OF
    THE
    ARMY
    DIVISIOII
    Southwestern
    I.STALL.TlaI Galu Pist, Eng Diu
    DR I Lli NG LOG
    ••
    17' ELEV. TOP OF HOLE
    0.0
    35.8
    39.0
    40.0
    42.0
    43.5
    45.5
    rtj;/'
    A "
    CLASSIFICATION OF MATERiAlS
    (D..eription)
    .
    W~,ter
    Bl~ck
    gray sandy clay v/sof,t
    Light gray tan sandy clay
    stiff w/silty sand pockets
    w/cal nod
    Same as above
    Light gray rust sandy clay
    hard w/silty sand
    poc~ets
    w/caliche
    Light gray silty sand w/cal
    nod w/clay pockets
    Light gray silty sand med
    grained w/cal nod
    w/~lay pocket~
    45.5-46.0
    46.0-46.5
    46.5-47.0
    No count
    37 blows
    31 blows,
    Bottomed in above
    Weig~t
    of hammer 140#
    Drop Distance - 30"
    Tide gage 1.6 @ 7:50 AM
    Tide gage 1.7 @ 3:40 PM
    EIIG FO.M
    1836
    (TRANSLUCENT)
    1 JUN 57
    (EM
    1110-2-1801)
    PREVIOUS EDITIONS ARE OBSOLETE
    HOLE NO.
    3ST-6
    SHEET
    OF
    ! '
    Jar
    1
    Jar 2
    Washed
    Cont. 1
    4.51
    Washed
    Jar 3
    ,
    \
    PROJECT
    Viola Ship Channelibu
    NO.
    3ST-6

    alt
    HOLE MO
    3ST-7
    ,. PR,OJECT
    DEPARTMENT OF THE ARMY
    \SHEET
    OF
    ,
    Viola Ship Channel
    DIYISIOM
    Southwestern
    2' LOCATION
    (COOrdJn.t •• en sr.r,oft)
    I ISTALLATI OM
    Galv Dist, En8 Div
    COI']JUS Christi
    Sta
    1495tOO 79.0'
    N centerli e
    DRILLING
    LOG
    3' DRILLING AGENCY
    IT.
    ~
    Armv
    of
    F.n"'inppr~
    Ii. HOLE NO.
    (A-
    an_n on tn•• ,n" lUI• .-ncr
    ,,1..
    N0.)
    5' NAME OF DRILLER
    3ST-7
    Ross
    6.
    DIRECTION OF HOLE
    7' TH ICKNESS
    IS' DEPTH
    19'
    TOTAL
    I
    ~;~~~~~L·"n
    OF OVER-
    DR I LLED
    DEPTH 0
    c::J
    VERT leAL
    c=J INCLINED
    BURDEN
    I NTO ROCK
    HOLE
    ~O.
    0
    10. SIZE AND TYPE OF SIT
    11. DATUM FOR ELEVATION SHOWN
    l'Z'
    MANUFACTURER'S DESIGNATION OF DRILL
    ~h
    .. lbv 'T'uh.. - 3"
    (T811
    or
    IISL)
    13' TOTAL NO. OF OVERSURDEN SAMPLES TAKEN
    ,I.. TOTAL
    rs,
    ELEV.
    l'6.
    DATE HOL
    o
    ISTURBED
    UNO ISTURBE"
    I
    :gXE~ORE
    GROUND
    ISU,RT£D
    I COMPlETED
    WATER
    3 Jan 62
    3 Jan 62
    17' [lEV. TOP OF HOLE
    IS' TOTAL CORE RECOVERY FOR
    19. SIGNATURE OF INSPECTOR
    BOR ING (")
    ELEVAT ION
    DEPTH
    LEGEN
    CLASSIFICATION OF MATERIALS
    Mg~~
    I
    ~~~PL;
    (Dr1111"'
    tj_.l'{z;,~~~~.:)
    1__ ,
    depth
    of
    (D..eriptiOfl)
    .
    ERY
    NO'
    • •• 'he .. 1", •
    • te.,
    il.-l,nlI1e.nl)
    0.0
    3.5 _
    Water
    -
    3.5
    5.5_
    Rust silty sand med grained
    :
    w/some sandstone nod
    Jar
    1
    -
    5.5
    7.5.-:;.
    Washed, same as above
    -
    7.5
    9.0 -
    Brown
    silty sand med grained
    -=
    w/some pea gravel w/some sand-
    :
    stone nod
    Jar
    2
    =
    7.5-8.0
    No count
    8.0-8.5 15 blows
    -::
    8.5-9.0 38 blows
    :
    9.0
    10.Q.:
    Light gray clay w/cal nod w/
    :
    sandstone nod
    No sample
    -
    .
    10.0
    12. Q.:
    Light gray sandy clay v/stiff
    -
    w/cal nod w/sandstone nod w/si
    -
    ty
    -
    sand l!!yers
    Cont. 1
    2.00
    -
    12.0
    15.S:
    Same as above to 14.5 from 14.
    -
    to 15.5 same as below
    Washed
    -
    15.5
    17.~
    Light gray silty sand fine
    -
    grained
    Jar 3
    -
    15.5-16.0 No count
    -::
    16.0-16.5 6 blows
    -
    :
    16.5-17.0
    12 blows
    17.0
    20.~
    Same as above
    Washed
    -
    -
    -
    Bott
    :
    -
    :
    :
    :
    -::
    -
    -:
    -
    -=-
    :
    =
    -
    -:
    -
    -
    -::
    '.
    :
    -=
    :
    -
    -
    -
    -=
    EIIG FORM
    '836
    (TRANSLUCENT)
    PREVIOUS EDITIONS ARE OBSOLETE
    1 JUN 57
    (EM
    1110~2-1BOl)
    ""OJECT
    HOLE .0. __....,.-_

    alt
    HOLE
    .-
    MO.
    3ST-7
    ~-
    1.
    PROJECT
    DEPARTMENT OF THE ARMY
    Vi nl.<l Shin f'h
    el
    SHEET
    OF
    DIVISION
    Scntb:w~st~:t:D
    2. LOCATION
    (COorcrH,.r •• or ;ua',oft)
    .ISTALLATION
    Galv Dist, Eng Qiv
    Coroua
    Christi Sea
    1495~00
    79.0' N centerli e
    DR ILli NG LOG
    3' DRILLING AGENCY
    IT S
    A
    no"
    of Rn<r,
    1l. HOLE NO.
    (A-
    .-nown on or.w .. n, IJlJe _na rila
    N0.)
    5'
    NAME OF DRILLER
    3ST-7
    RORS
    6'
    DIRECTION OF HOLE
    7. TH ICKNESS
    18'
    DEPTH
    9.
    TOTAL
    ,c:J
    VERT ICAl
    c.:J INCLINED
    ~:~;:~;lWOT"
    OF OVER-
    DRI LLED
    DEPTH OF
    BURDEN
    INTO ROCK
    HOLE
    20.0
    10.
    SIZE AND TYPE OF BIT
    11. DATUM FOR ELEVATION SHOWN
    112'
    MANUFACTURER'S DESIGNATION OF DRILL
    !lh.. lbv T"h.. - '1"
    (T811
    or
    IISL)
    13' TO AL NO. OF OVERBURDEN SAMPLES TAKEN
    J 14.
    TOTAL
    r5'
    ELEV.
    116.
    OAT
    HOL
    DIS URBED
    unU'''UK"U
    I
    :gx,~ORE
    GROU"D
    I
    S3'~;l~
    62
    C03P~JE;~O
    62
    WATER
    17.
    ELEV. TOP OF HOLE
    18'
    TOTAL CORE RECOVERY FOR
    19.
    SIGNATURE OF INSPECTOR
    BORING
    ("J
    ELEVATION
    DEPTH
    LEGEN
    CLASSIFICATION OF MATERIALS
    ~E~g~:
    I
    ~~~p~!
    (Drlllln,
    ti_
    .t(~~~~~::;
    loa •• depth 01
    (D••
    er
    ipt.
    ion)
    ERY
    NO.
    .... therJn•••te.,
    Jf
    .1,nllieanl.)
    0.0
    3.5 .
    Water
    3.5
    5.5-=
    Rust silty sand med grained
    -
    w/some sandstone nod
    Jar
    1
    -
    5.5
    7.5"'::'
    Washed, same as above
    -
    7.5
    9.0 :
    Brown
    silty sand med grained
    -=
    w/some pea gravel w/some sand-
    :
    stone nod
    Jar
    2
    -
    7.5-8.0
    No count
    -=
    8.0-8.5 15 blows
    -
    8.5-9.0 38 blows
    -
    09.0
    10.0.:
    Light gray clay w/cal nod w/
    :
    sandstone nod
    No sample
    10.0
    12.0..:
    Light gray sandy clay v/stiff
    -
    w/ca1 nod w/sandstone nod w/si ty
    -
    :
    sand liilyers
    Cont.
    1
    2.00
    12.0
    15.5
    7=
    _
    Same as above to 14.5 from 14.
    :
    to 15.5 same as below
    Washed
    15.5
    -;-:
    17.0_
    Light gray silty sand fine
    I
    -
    grained
    Jar
    3
    -
    15.5-16.0 No count
    ;-::
    16.0-16.5 6 blows
    -
    ,
    :
    16.5-17.0 12 blows
    17.0
    20.0:
    -
    Same as above
    Washed
    -
    -
    -
    Bott
    :
    -
    -
    :
    :
    -::
    -
    ,
    -
    -::
    -
    :
    -::
    :
    -
    -:
    -
    -
    -::
    :
    -=
    :
    -
    -::
    :
    .....:
    --- -----
    £110 FORM
    1836
    (TRANSLUCENT)
    PREVIOUS EDITIONS
    ARE OBSOLETE
    1,
    JUN 57
    (EM
    1110-2-1801)
    PROJECT
    HOLE 10. ____

    alt
    v
    HOLE 10
    1<'lT_R
    1. PROJECT
    DEPARTMENT
    OF THE
    ARMY
    \
    SHEET
    OF
    Viola Ship Channel
    DIVISIOI
    luallate::cc
    2. LOCATION
    (coorouJ.t •• or .:.utJOft)
    ,',
    IISTALLATIOI
    .jaly Dist
    tEns
    Djy
    r>,
    "h,.;~,;
    ".~
    l'iIlIlJnn
    (;
    ,
    DR ILL! NG lOG
    3' DRILLING AGENCY
    U. S. Army Corps of Engineers
    I, :'
    lJ..
    HOLE NO.
    (A-
    .n_" on
    dr•• Jn, r.lt
    I.
    eltd ,
    j
    1.8
    NO.)
    5.
    NAME
    OF DR ILLER
    "
    3ST-a
    Ross
    6'
    DIRECTION OF HOLE
    7. TH ICKNESS
    OF OVER-
    DR I LLED
    DEPTH OF
    c::J VERTICAL
    CJ
    IHCLINEO
    I
    ~;:~;~~l'''"
    8URDEN
    \8' DEPTH
    I NTO ROCK
    \9' TOTAL
    HOLE
    47.0
    10. SIZE AND TYPE OF BIT
    11. DATUM FOR ELEVATION SHOWN
    112' MANUFACTURER'S DESIGNATION OF DRILL
    (TBII
    or
    JlSL)
    13' TOTAL NO. OF OVERBURDEN SAMPLES TAKEN
    110. TOTAL
    r5' £lEV.
    \16.
    DATE HOLE
    o
    ISTUR.EO
    UNO,,,uK","
    I
    :gXf~ORE
    GROUND
    .
    1ST
    ARTED
    1
    CONPLETED
    1')1'>1
    WATER
    29 Dec
    29 Dec
    9
    17. ELEV. TOP OF HOLE
    18' TOTAL CORE RECOVERY FOR
    19. SIGNATURE OF INSPECTOR
    \
    BORING (II)
    ,
    ELEVATION
    O£ PTH
    ([GENt
    CLASSIFICATION OF MATERIALS
    ,
    i " ""
    i
    (D..eription)
    0.0
    'I:»'-~>
    3kS/
    Water
    \
    -
    37.3'
    "
    39. g..,,:
    Black gray clay v/soft w/sand
    ,'/~\
    w/some gravel
    39.0
    i"q
    ,S;'
    ,41~~
    ',--,
    -
    Light gray sandy clay plastic
    w/calc nod w!silty sand pocket
    :
    41.0 45.S-::
    Washed, silty sand w/clay pock'
    "
    :
    w/small gravel w/cal nod
    -
    45.5
    47.cr:
    Light gray gray silty sand
    r t;-
    f<>
    .,j,_
    w/layers of clay w/sandstone
    , ,'-
    and cemented sand pockets
    ...:
    45.5-46.0 No count
    :
    46.0-46.5
    22 blows
    -
    -
    46.5-47.0 20 blows
    -::
    .-
    Bottomed in above
    -
    Weight of hammer
    140i;
    -
    -
    Drop Dis tance - 30"
    -
    Tide gage 1.6 @ 7:50 AM
    -
    Tide gage 1.5 @ 2:45 PM
    .
    ...:
    -
    ....:
    -
    ..
    -=
    :
    =
    -
    -:
    =
    yP"
    :
    -
    -::
    -
    -=
    -
    -=
    -
    -
    -::
    -
    :
    -
    -
    --::
    -
    -::
    :
    -
    EIIQ FORM
    1836
    (TRANSLUCENT)
    PREVIOUS EDITIONS A.RE OBSOLETE
    I JUN S7
    (EM
    1110-2-1801)
    ~E~~~~
    I
    ~~~pr~
    (Drlll1n,
    tl_.K;'~r.~.:>
    1__ , dep'h of
    ERY
    ts
    NO,
    .... therin' •• tc., If
    ai,nlilcant)
    Jar
    1
    Cont.
    i
    Jar 2
    Jar
    3
    ..
    PROJECT
    Vj
    01
    a
    Sh Ch
    Corpus Christi
    1.00
    "OU
    .O.~

    alt
    .
    _. -
    ~
    /
    HOLE .0
    3ST-9
    1. PROJECT
    DEPARTMENT OF THE ARMY
    Viola Ship Channel
    SHEET
    Of
    OIYISIOII
    ScntbwesteI.:ll
    2. LOCATION
    (coorGua.,•• or
    ~
    ...
    tJon)
    liSTALLAT I011
    Galv Dist,
    En~
    Div
    Sta.
    1505100
    83.0 N centerline
    ,i' ..
    DR IlllNG lOG
    ). DRILLING AGENCV
    U. S. Army Corps of En"ineers
    u, HOLE NO.
    (A-
    en_n on tJ,. •• ,n,
    (.HI•
    .. _
    rll.
    N0.)
    5.
    NAME
    Of DRILLER
    3ST-9
    Ross
    6'
    DIRECTION OF HOLE
    7. THICKNESS
    lB' DEPTH
    9. TOTAL
    CJ VERTICAL
    -'
    CJ
    INCLINED
    ~;:~;~~L·m
    Of OVER-
    DR I LLED
    DEPTH
    or 46 5
    BURDEN
    INTO ROCK
    HOLE
    •.
    10.
    SIZE AND tVPE OF BIT
    11.
    DATUM FOR ELEVATION SHOWN
    112'
    MANUFACTURER'S DESIGNATION OF DRILL
    (TBII
    or
    ItISL)
    I). TOTAL NO.• OF OVERBURDEN SAMPLES TAKEN
    11..
    TOTAL
    r5' ElEV.
    16.
    AT
    HOL
    o
    !>TURBEO
    UNO 1ST URBED
    I
    :~XE~ORE
    GROUND
    I
    5!/"TE0
    C~MPlnEO
    WATER
    Jan
    Jan 1962
    17' ELEV. TOP OF HOLE
    lB' TOTAL CORE RECOVERV FOR
    19. SIGNATURE OF INSPECTOR
    ,
    BORING (S)
    .'.
    J,
    CLASSIFICATION OF MATERIALS
    ~Egg~:
    I
    ;~~P~:
    (DrlllJ'a,
    tJ_
    .W;~~~~~
    INa. d.",h 01
    ELEVAT ION
    ' DEPTH
    LEGEM
    (D••
    cr ipt Jon)
    ERV
    NO.
    " •• therJn, .•tc .•
    11
    .1,nllleent)
    0.0
    '
    'l.~_
    I ll.v_
    Water
    :
    -
    11.0
    l~:O:
    Gray silty sand plastic w/sheiJ
    ....
    -
    w/sarne
    clay
    Cant.
    I
    0.50
    u
    .
    ~.Y
    ,.,;
    14.0
    i
    15."0:
    Same as above
    Washed
    p
    -
    ,.
    -
    15.0
    17.Q:
    Gray sandy clay v/soft w/shell
    I
    .J
    -
    No test 1 blow drove tube 0.7'
    -
    2nd blow drove tube below 17'
    -
    Jar
    1
    i
    :/
    17.,0
    Jio.O:
    Same as above
    Washed
    ,
    -
    .
    -
    20J.O
    22 .
    .Q:
    Gray sandy clay soft w/shell
    -
    w/silty sand pockets
    Cont.
    2
    0.25
    z-:.>}J:'
    '-"""'.""','.,,,,,'
    22.0
    2St.sr.
    Same as above
    Washed
    -
    25.0
    27.0:
    Gray silty sand v/soft ",/sarne
    -
    clay pockets w/shell
    \~/some
    ~
    ;=
    gravel
    Cont,
    3
    0.0
    ,/ -
    27.0
    30//.2:
    Same as above
    Washed
    '.1
    _
    30.0
    3~.0:
    Gray silty sand coarse grained
    ;i
    "
    ~
    -
    w/gravel washed sample
    t:
    [
    :
    No recovery
    ,.
    -
    30.0-30.5 No count
    .' '
    -
    30.5-31.0 3 blows
    '!,.
    ,
    ~
    31. 0-31. 5 4 blows
    '
    -
    ,
    I
    :
    31. 5-32. 0 No count
    Jar 2
    .
    .'
    -
    35.~
    .'
    >32 •.
    Q
    Same as above
    Washed
    ';1
    !
    :
    35/0
    37&
    Gray Silty sand med grained
    ,
    '
    ,
    -
    Washed
    w/gravel
    sample
    i
    -=
    No test 100, blows peneteated
    )"
    :
    less than 0.5'
    Jar
    3
    !
    ,
    !
    -
    '37.1i)
    40.j[
    Gray silty sand w/gravel w/some
    ,=
    sandstone nod w/some clay balls
    Washed
    ~""t\
    .
    :
    ~'k,
    40.0
    41.2:
    Light gray clay hard w/silty sa
    pd
    -
    layers w/caliche and cal nod
    Jar
    4
    =
    40.0-40.5 No count
    ::'
    -=
    40.5-41.0 48 blows
    :
    41.0-41.5 79 blows
    -
    41.5
    45.!£
    Same as above
    Washed
    /45.0
    ;1 n'g:;;
    Light.gray hard w/sandy clay
    Tide gage 0.2 9;30 AM
    46'.5-
    Tide gage 1.3 4;50 PM
    "
    -=
    pockets w/callche aad cal nod
    ,
    -
    45.0-45.5 No count
    J.,
    -
    45.5-46.0 25 blows
    :
    -:
    46.0-46.5 42 blows
    Hole bottomed
    in above
    -
    !,'"i"h. nf'
    lld11!
    nrnn "{
    fl'
    'l
    "
    EIIO FORM
    1 JUN 57
    1836
    (TRANSLUCENT)
    (EM
    1110~2-180J)
    PREVIOUS EDITIONS ARE OBSOLETE
    PROJECT
    HOl[ 10......_ ......._
    vl.ola Sri en
    351-9

    alt
    DEPARTMENT OF
    THE
    ARMY
    DIVISIOII
    ~:wtl~UIil&til;&;A
    IISTALLATIOII
    IZalv Qist. Eng Div
    DRILLING lOG
    ;u.
    HOLE NO.
    (A-
    .h.,n on
    dr•• ,"'
    tHI..
    ancf
    Ijl..
    NO.)
    '.'
    Oom'"
    6.
    DIRECTION
    Or
    HOLE
    CJ VERTICAL
    c::J
    INCLINED
    ~1ilTir
    VERTICAL
    -,'
    v"'
    1.
    PROJECT
    " ... ,
    o~'
    ,..
    ...
    HOLE _0
    u.
    ,~
    1
    2- LOCATION (coord".. , .. or
    StdlOn)
    ,...
    ," N ••' oH
    Q.~
    '"
    1('~{)('
    3'
    0111 Lli NG AGENCY
    ..
    "
    ,...
    .&
    ~,
    .,
    5.
    NAME OF DR'I LLER
    0 ..0
    7.
    TH ICKNESS
    B' DEPTH
    OF
    OVER""
    DR I LLED
    BURDEN
    I NTO ROCK
    1!':T-1O
    \ SHEET
    OF
    /!
    ,J ,,'
    \9'
    TOTAL
    DEPTH
    OF
    HOLE
    47.0
    10.
    SIZE AND TYPE OF BIT
    11.
    DATUM FOR ELEVATION SHOWN
    112'
    MANUFACTURER'S DESIGNATION OF DRILL
    (T8M
    or
    IISL)
    13'
    TOTAL NO. OF OVERBURDEN SAMPLES TAKEN
    10'
    TOTAL
    \15'
    ELEV.
    16'
    OAT
    HOL
    DTITU•• ED
    UNDISTU.BED
    I
    :gx.~ORE
    GROUND
    I;T~.~
    I
    C~~L~~~
    1 QI'. 1
    WATER
    17.
    ELEV. TOP OF HOLE
    lB' TOTAL CORE RECOVERY FOR
    19.
    SIGNATURE OF INSPECTOR.
    BORING (S)
    "
    .•......
    CLASSIFICATION OF MATERIALS
    ~~g~~
    I
    ;~~p~'
    (DrJJlJn,
    fl_.
    _der
    IN., depth 01
    i
    ELEVATION
    '~i:PTH
    LEGEN
    (D••
    er
    jpt
    ion)
    ."
    ;n ..
    ERY
    NO,
    ••• t.rI.A' .•te.,
    II eJ,nlllcant)
    0.0
    ,:.T.
    ,
    37.6
    Water
    \
    37.6'
    3/!.s..:
    Dark gray gray clay w/sand
    ,
    w/gravel
    Jar
    1
    ,; 1
    ~,8.5
    40.'0,.:
    Light gray sandy clay stiff
    \
    :
    w/silty sand pockets w/gravel
    '\
    ....:
    w/cal
    nod
    Cont •
    I
    1.00
    40.~
    45.5 :
    GraYJlilty sand w/clay pockets
    ;:
    -
    w/some gravel
    Washed
    ....:
    .-
    Gray Silty sand w/clay pockets
    45.5
    47.0
    _
    ¥~:;)
    :
    bottom 1.0' light gray clay
    " -:
    hard w/layers of
    !.
    ":
    fractured sandstone
    and cemented sand
    -
    -:
    w/cal nod
    Jar
    2
    I
    -
    45.5-46.0 No count
    :
    46.0-46.5 22 blows
    -:
    46.5-47.0
    34 blows
    I/!
    :
    Bottomed in above
    ....:
    Tide gage 1.6 @ 7:50 AM
    -
    Tide gage 1. 5
    @
    2: 45 PM
    -
    Weight of hammer 140#
    ....:
    Drop Distance 30"
    \
    \
    :
    \
    ,
    \
    -:
    -
    i;~
    -::
    :
    I
    -
    : I
    i \
    :
    -::
    I
    -
    -
    -:.
    ....:
    =
    -
    =
    -
    -::
    -
    -
    -:
    :
    ....:
    :
    :
    -:
    :
    -
    -- ------ ---_._--------------
    ENG FORM 1836
    (TRANSLUCENT)
    PREVIOUS EDITIONS ARE OBSOLETE
    1 JUN 57
    (EM 1110-2-1801)
    PROJECT
    Hi
    oJ a Sb channel HOLE 10. JgT 19
    COl:OUS Christi

    alt
    v
    OLE
    10
    .
    1~1'-11
    1.
    PROJECT
    DEPARTMENT OF THE ARMY
    Viola Shin Channel
    SHEET
    OF
    DIYISIOI
    Southwestern
    2. LOCATION (coord.,•• t .. or SIdJo")
    IISTALLATIOI
    Galy OJ at
    EDg
    Djll
    Corn us Christi
    Sta 1515,100
    90' N. centerl
    r
    e
    DR ILLI
    HG
    LOG
    3'
    DRILLING AGENCY
    of Rn," ""erR
    ,,;(f>
    r'
    if
    A
    A._..
    U' HOLE NO.
    (A-
    ili'"""_n
    on7,..'n,~
    .-niT-fH. NO.)
    5.
    NAME OF DR ILLER
    351'-11
    Dnoo
    6.
    DIRECTION OF HOLE
    7.
    TH ICKNESS
    \B' DEPTH
    9.
    TOTAL
    CJ
    VERT leAl
    D
    INCLINED
    ~~~~~~~l·ITH
    OF OVER-"
    DR I LLED
    DEPTH OF
    BURDEN
    INTO ROCK
    HOLE
    47.0
    10.
    SIZE AND TYPE OF
    BIT
    11.
    DATUM FOR ELEVATION SHOWN
    l!12.
    MANUFACTURER'S DESIGNATION OF DRILL
    (TBII
    or
    MSL)
    13'
    TOTAL NO. OF OVERBURDEN SAMPLES TAKEN
    114.
    TOTAL
    r5'
    ELEV.
    16'
    OAT
    HOL
    DISTURBED
    IUHIHrru.-BED
    I
    :gXF~ORE
    GROU"D
    PTARHO
    ~~.Pl~!'..ED
    1 <l61
    WATER
    I",
    nu
    17.
    ELEV. TOP OF HOLE
    lB' TOTAL CORE RECOVERY FOR
    19.
    SIGHATURE OF INSPECTOR
    BORING
    (S)
    ELEVATlO!
    DEPTH LEGEN.
    CLASSIFICATION OF MATERIALS
    IMg~~
    I
    ~~~p~'
    (DrlIlJn, IJ......hr
    IN •• dept" 01
    (D..cription)
    ERY
    NO'
    ..... 'herin•.•tc.,
    It
    .-l,nJllcant)
    17:'U _
    0.0
    8.3 -
    Water
    8.3
    10.0:
    Gray sandy clay soft w/shell
    Cant.
    I
    0.25
    10.0
    :
    13.Q...
    Gray
    s~ndy
    clay soft w/sorne
    :
    s~ell
    Cant.
    2
    0.25
    13.0
    15.Q..:
    Sam~
    as above
    Washed
    :
    15.0
    17.0 -
    Gray
    sandy clay soft w/shell
    --::
    w/clay pockets
    Cant.
    3
    0.25
    17.0
    20.0 :
    Same as above
    Washed
    20.0 '
    22.0
    -
    :
    Gray Sandy clay plastic w/shel
    Cant.
    4
    0.75
    -
    22.0
    25.0.:
    Same as above w/some cemented
    :"':
    sand nod
    Washed
    25.0
    ;;;:t
    :~7.
    ,c
    Gray sandy clay v/soft w/sorne
    -
    shell w/some cemented sand nod
    -
    Cant.
    5
    0.0
    27.0
    30 •.l..:
    -
    ,
    Gray silty sand w/sandy clay
    -
    layers w/some shell, w/sorne
    -
    cemented sand nod
    Washed
    -=
    , 30.,5
    32.0:
    Gray silty sand w/small gravel
    :
    w/some cemented sand nod
    Jar
    1
    -
    30.5-31.0 No count
    -
    31.0-31.5 11 blows
    L>'~~
    31.5-32.0 14 blows
    '~'l,.9.
    32.0
    ' ,"
    -,"-
    35.0 _
    Same as above
    Washed
    -
    35.0 36.s...::
    Gray sandy gravel w/some
    :
    sandstone nod
    Jar
    2
    -
    35.0-35.5 No count
    -
    35.5-36.0 16 blows
    -
    " "-c:::\
    36.0-36.5
    20 blows
    36.5
    ij~i~
    Same as above
    Washed
    ,39.5
    41.5
    =
    Light gray clay hard w/some
    -=
    cemented sand nod
    Cant.
    6
    4.00
    41.5
    -
    45.0 =
    Same as above
    Washed
    -
    45.0
    1,;7.0,
    Light gray clay hard w/cementec
    / "i";'S :
    'sand' nod w/silty sand pockets
    ,
    ;,,/'
    -
    w/some gravel
    Cant.
    7
    4.50f
    -
    Bottomed in above
    --::.
    "eight of hammer
    445ft
    -
    Drop Dis tance - 30"
    ::
    Tide gage 1.8 @ 8:35 AM
    --:::
    Tide gage 1.5 @ 4:00 PM
    :
    -
    \
    EM
    FORM 1836
    (TRANSLUCENT),.
    ·P.~EVIOUS
    EDITIONS ARE OBSOLETE
    ,
    JUN 57
    (EM
    1110~2-IBOJ)
    PROJECT
    Vj 01
    a Sh Channel NOLl 10_____

    alt
    \//
    "OLE NO.
    3ST-l2
    1. PROJECT
    DEPARTMENT OF THE
    ARMY
    DIVISION
    Southwestern
    INSTAllATION Galv Dist, Eng Div
    Viola Ship Channe 1
    SHElT
    OF
    2. LOCATION
    (coor .,..,.. or
    S
    .tJOn)
    -----I
    DR ILLI NG
    LOG
    11' HoLE
    No.-rA••h.,.,,,
    on du.ln,
    TIt]•
    • iiillrr.
    N0.)
    3ST-l2
    6'
    DIRECTION OF HOLE
    [-
    IOEGREES WIT"
    c:J VERTICAL
    C::J INClINEO
    VERTICAl
    Sta. 1520tOO centerline
    ri
    '--j
    3' DRILLING AGENCY
    U. S. Army Corps of Engineers
    '?l ";
    5. NAME OF DRILLER
    Ross
    7. TH ICKNESS
    OF OVE!!""
    BURDEN
    1
    8
    '
    DEPTH
    J
    9. TOTAL
    DRILLED
    DEPTH
    Of
    INTO ROCK
    HOLE
    10. SIZE AND TYPE OF BIT
    111.
    DATUM FOR ELEVATION SHOWN
    112 .
    MANUFACTURER'S DESIGNATION OF DRILL
    (TBM
    or
    MSL)
    47.5
    13' TOTAL NO. OF OVERBURDEN SAMPLES TAKEN
    '14.
    TOTAL
    If5'
    [LEV.
    16.
    DATE HOL
    o
    STU.BEO
    UN
    NO. CORE
    GROUND
    S1.A.f'
    T
    lO
    C2~PlETEO
    196
    BOXE
    WATER
    <! 1
    DeC
    <! 1
    Dec
    1
    17.ELEV. TOP OF HOLE
    ELEVATIONI
    DEPJ"H ..ILEGENI
    -/"
    -
    0.0
    40.0
    41.0
    f?:;
    7
    \
    _. '
    .
    ./
    It,rr.:tt
    r?~:A"::'
    41:0-
    A"?
    ..
    C,'._
    45.5-J
    45.5
    I
    i
    ~:,i;
    47.S.
    47.5
    I
    t" I.
    VI
    18' TOTAL CORE RECOVERy FOR
    80RING (")
    19. SIGNATURE OF INSPECTOR
    CLASSIFICATION OF MATERIALS
    (D~.er
    ipt
    ion)
    IT. COR, BOX
    O~
    IH.I"IAI'C "'.;)
    RECOV
    $AMPl
    (DrJIlln, fig,
    •• ter
    loa ••
    d.ptll
    01
    ERY
    tlO'
    •••
    therln.: •
    • te .•
    JI
    .1,nUle."t)
    Water
    Top 0.7 ft. gray silty sand
    w/gravel and shell
    Bottom 1.2 ft. light gray
    gravel sandy clay v/stiff
    w/ca
    nod and shell
    Same as above, w/small sand
    pockets
    Washed, sample, gray silty san,
    wlclay pockets w/grave1
    Bottomed in above
    Tide gage 2.4 @ 8:10 AM
    Water depth 39.3
    Tide gage 2.1 @ 2:30 P.M.
    Cont. 1
    2.25
    Washed
    Jar 1 No recovery
    ENG FORM
    1836
    (EM 1110.1-1801)
    1 MAR 61
    TRANSLUCENT
    PREVIOUS EDITION MAY BE USED
    UNTIL e:XHAUSTEO.
    PROJECT Viola Channe 1
    HOLE 10:3
    §I::ll

    alt
    I
    1/
    ~OLE
    HO.
    3S1'-13
    1. PROJECT
    I
    DEPARTMENT OF THE
    ARMY
    SHHT
    "in1" Rhin Channel
    OF
    DIYISIOII
    Southwestern
    2. lOCAT ION (cooiflT,.., .. or
    Sta'
    JOlt)
    -
    ,
    INSTALLATION
    Galv Dist, Eng Div
    Sta.
    1525,100
    Corpus Christi
    110 N centerl ne
    DR I LLI
    HG
    LOG
    3' DRILLING AGENCY
    U. S. Armv r.orns of Engineers
    li.
    HOLE NO.
    (A.
    alt_1t Oft dr•• In' IJrl. and
    Ijl.
    N0.)
    5. NAME OF DRILLER
    ~""'_1'>.
    Ross
    .'
    /;,'
    .""\
    6.
    DIRECTION OF HOLE
    7. TH ICKNESS
    18' DEPTH
    19' TOTAL
    CJ VERT ICAl
    D
    INCLINED
    ~~:~:~!lWITH
    OF OVER'"
    OR I LLED
    DEPTH OF
    47
    0
    8URDEN
    INTO ROCK
    HOLE
    10. SIZE AND TYPE OF 81T
    11. DATUM FOR ELEVATION SHOWN
    112. MANUFACTURER'S DESIGNATION OF DRILL
    (TBM
    or
    MIL)
    13' TOTAL NO. OF OVER8URDEN SAMPLES TAKEN
    110' TOTAL
    r5' ELEV.
    116.
    ATE HOLf
    DISTURBED
    UNO,,'UR.tU
    I
    :gXEg
    ORE
    GROU.D
    pT ARl£O
    I
    COMPLETED
    WATER
    19 Dec
    19 Dec 1961
    17' ELEV. TOP OF HOLE
    18' TOTAL CORE RECOVERY FOR
    19. SIGNATURE OF INSPECTOR
    80R ING
    (S)
    ELEVAT ION
    DE'Pfir
    \EGEH[
    CLASSIFICATION OF MATERIALS
    I
    :E~g~~
    I~~~'~~
    (Drillin, ti",.,
    •• hr 1_••
    dap'" 01
    ,
    /
    "
    (D••cl'
    ipt Ion)
    ERY
    NO,
    ••• tlterln4 ••fc.,
    11 .i,nl/le...')
    0.0
    ill:>
    ,/,~
    . 7;5_
    Water
    -
    I-
    1=
    17.5
    20.0..:
    Gray silty sand vlsoft w/some
    r-
    =
    shell w/some clay
    Cont.
    1
    0.0
    f-
    ~
    -
    r-
    20.0 22.0..:
    Gray silty sand vlsoft w/shell
    Cont.
    2
    0.00
    ~
    -
    No sample
    1=
    22.0
    25.0 :
    Washed, same
    as above
    ~
    25.0
    26.5
    -
    :
    Washed sample
    gray silty sand
    =-
    :
    med grained
    No recovery
    -
    -:
    25.0-25.5
    No count
    =-
    -
    25.5-26.0
    26.0-26.5
    6
    blows
    Jar
    1
    =
    26.5 30.0:
    -=
    Washed, same as above
    -
    :
    from 29.0 to 30.'0 some gravel
    No sample
    f-
    =
    -
    r
    30.()
    31.5:
    Washed, sample
    ~
    .
    ::
    gray silty sand med grained
    1=
    '-
    ,q/small gravel
    No recovery
    -
    30.0-30.5 No count
    ~
    :
    I--
    30.5-31.0
    74 blows
    1=
    -=
    31.0-31.5 85 blows
    Jar
    2
    I--
    =
    I--
    I--
    31.5
    35.0 :
    Washed, same
    as above
    r-
    From 34.5-to 35.0 light gray
    I--
    -::
    clay pockets
    No sample
    ~
    -
    r-
    -
    f=
    35.0 37.0..::
    No recovery, waShed sample
    I--
    :
    gray silty sand w/small gravel
    I=-
    =
    w/small cemented sand nodules
    Jar
    3
    I--
    37.0
    40.0:
    -
    Washed, same as above
    No sample
    t:::
    ~
    =
    r-
    40.0
    41.~
    Light gray gray silty sand
    I=-
    med. grained w/some clay
    jar
    4
    f=
    =
    40.0 -40.5
    No count
    4
    f=
    ..:.
    40.5-41.0
    33 blows
    I='"
    =
    41.0-41.5 37 blows
    41.5
    45.s.:::
    -
    Washed, same as above
    No sample
    =
    -
    45.5
    47.0:
    =
    Gray silty sand med grained
    =-
    /'-:
    w/some small cemented sand
    =--
    nod
    No recovery
    Jar 5
    -
    =
    45.5-46.0
    No count
    =
    -
    -
    '0-'1/
    -
    46.0-46.5
    No test •
    =-
    /
    :
    46.5-47.0
    No count
    -
    -
    -
    ./
    -::
    -
    Hole bottomed in above
    =-
    Tide gage 1.3 @ 8:35 AM
    -
    \,
    :
    Water depth 17.5
    ::-
    ..:.
    Tide gage 2.1 @ 3.00 P.M.
    =-
    ,
    =
    =
    :
    C0-
    l--
    -:
    I--
    :
    1=
    -
    ---- -----
    -
    -
    EHG FORM
    t MAR 61
    1836
    (EM
    1110-1-1801)
    TRANSLUCENT
    PREVIOUS EDITION MA.Y BE USED
    UNTIL EXHAUSTED.
    PROJECT Vj 01 a Sh Cb
    HOLE 10. 38
    1
    =
    J
    1
    -'
    --'

    alt
    I
    I
    HOLE "0. _
    3$'1'-14
    1. PROJECT
    DEPARTMENT OF THE ARMY
    Hi.tlla Channel
    I
    SH~~T
    OF
    DIVISIOII
    Southwestern
    2. LOCATION (coord,,..,.. or Sht,on)
    IISTALLAT I ON
    G~l~
    Ui§t, Ens
    Dj~
    Corpus Christi
    Sta.
    1530iOO
    5' south cent rl;
    .
    ). DRILLING AGENCY
    DR ILli NG LOG
    n
    .~
    A_
    ~"
    "...i,
    t):-
    U' HOLE NO.
    (A.
    a".." on dr•• ,n, r
    n
    I •
    .....
    r
    ,f,.
    N0,)
    5.
    NAME OF DRILLER
    ~'::'1'_1t...
    Rn""
    6.
    DIRECTION OF HOLE
    "
    7.
    THICKNESS
    18' DEPTH
    V'
    TOTAL
    c:J VER11CAl
    c:::J
    INCLINED
    IUt •• t" .,,"
    V'
    OF DVEI!"""
    DR I LLED
    DEPTH
    OF
    VERT I CAl
    8URDEN
    INTO ROCK
    .
    HOLE
    47.5
    10. SIZE AND TYPE OF BIT
    11. DATUM FOR ELEVATION SHOWN
    rZ'
    M.ANUFACTURER.S DESIGNATION OF DRILL
    (TBM
    or
    MSL)
    1). TOTAL NO. OF OVERBURDEN SAMPLES TAKEN
    1~·
    TOTAL
    r5'
    ELEV.
    ,16'
    OAT
    HOL
    DISTURBED
    UNO ISTu•• tu
    I
    :gXE~ORE
    GROUND
    I'~A~T~~r
    I
    Cg~L~:E:
    1
    QI'.
    1
    WATER
    17' ELEV. TOP OF HOLE
    18' TOTAL CORE RECOVERY FOR
    19. SIGNATURE OF INSPECTOR
    80RING (II)
    ELEVATIO
    DEPTH LEGEN
    CLASSIFICATION OF MATERIALS
    I
    ~E~g~~
    I
    ~~~P~:
    (DrJIlJ.n, tip,
    ... te,.
    1_•• d.,,'h 01
    (D••
    CI'
    ,'pt
    ion)
    ERY
    HO'
    ••• ther/nC •• te ••
    Jf
    aJ.,nllJc..,')
    0.0
    36.S:
    i=
    Water
    l-
    f-
    36.5
    -
    ~
    39.0::
    Gray silty sand medium grained
    f---
    .
    w/some shell
    Jar
    1
    I-
    41.5:
    ~
    39.0
    Washed, same as above
    l-
    I-
    .
    I-
    41.5
    43 •
    .s::
    Gray sandy clay plastic w/some
    l-
    =-
    -
    shell w!gravel w/cemented sar
    d
    nod
    les
    w/c1ay pockets
    Cont.
    1
    0.50
    =
    43.5
    -=
    =-
    46.0:
    Same as above, becomming
    -
    ::
    more sandier at 45.5
    .
    No sample
    =
    46.0
    -
    =-
    47.5:
    Sandy gravel w/clay pockets
    -
    :
    46.0-46.5 No count
    =
    46.5-47.0 16 blows
    I-
    -:
    f--
    t~
    i
    -
    47.0-47.5 13 blows
    Jar
    2
    I=-
    -
    l-
    .. -
    Hole bottomed at 47.5
    I-
    /
    -:
    Weight of hammer 140#
    =-
    :
    I-
    Drop Distance - 30"
    I-
    -
    Tide gage 2.1 @ 10:45 AM
    I=-
    -:
    Water depth 36.5
    '-
    :
    I-
    Tide gage 2.3 @4:50 P.M.
    I-
    -=
    I-
    :::
    I-
    ~
    -:
    :::
    I--
    ~
    :::
    I-
    f=.
    -
    I
    -::
    I-
    :::
    l-
    I-
    -
    -
    I=-
    -
    -
    ~
    -
    :::
    ~
    :
    ~
    I-
    -::
    -
    ~
    -
    ~
    -=-
    I-
    ~
    :::
    -
    I-
    ~
    -
    f--
    -
    I-
    ~
    l-
    -::
    f--
    I-
    -
    I-
    -=
    I--
    ~
    :
    t=
    -:
    -
    t;;..
    ~
    ENG FORM
    1836
    (EM
    1110.1-1801)
    PREVIOUS EDITION MAY BE USED
    1 MAR 61
    TRANSLUCENT
    UNTIL. EXHAUSTED,
    PRDJECT_-:--:-_-.-_--::-_
    Viola Channel
    "01.[ 10. -"..__
    3ST-l4
    "

    alt
    alt
    alt
    alt
    alt
    alt
    alt
    alt
    .)
    v/
    otl>J(R'I'HEMl'ilOF>iTMEliUMr",
    Div~"'$fOf)~i,
    io.'tqJQI tQIl'P
    III:STMruAT'f'bitjj~
    Qalv 9i8t:, i'Qg
    -Q:V.,;
    0.0
    lO.O.
    .12.0
    15.0
    17.0
    20.0
    22.0
    27.
    \4.5:
    i
    -1
    36.0
    43
    45
    IlIUI1L!1NGGLOGG
    . Water
    -fi.dc
    ,b<-"~;'---::
    'f,
    l
    i~!
    ;:.\
    >
    ~l:a:fisf1:ty:sahd:
    v/soft
    .wIs1:ual'l>" /...,' (/
    :::,2>
    i"
    ',2:i.d-e ':,z/Jg;fL 2. J, (J';,;:L
    ,,,\YI
    IltlsWea
    H'salne as above
    T id,g g}:,ge
    2,:3 (J :;;;
    1,~';
    :'-)!:'i
    Gray sandy clay w/some shell
    No il?Ji'st
    l;tu'&e'liieiit
    i
    68ilbot
    t
    om
    Prf') r""
    r
    .,~,
    '.'
    J'"
    "v .,
    te'!I'~
    ravg'cw. '.'
    Washed, same as above
    Gray sandy
    clay v/soft w/some
    shell
    washed, same as above
    First 0;5 same as.above
    Gray silty sand med grained
    w/some shell,
    Washed same as above
    Gray
    silty sand med grained
    w/pea gravel washed sample
    30.0-30.5 No count
    30.5 .. 31.0 43 blows
    31.0-31.5 46 blows
    Washed, same
    as above
    Gray
    silty sand med grained
    gravel w/clay pockets
    34.5-35.0 No count
    35.0-35.5 5 blows
    35.5-36.0 9 blows
    Washed, Gray
    silty sand
    w/gravel - No recovery
    36.0-36.5 17 blows
    36.5-37.0 15 blows
    Washed
    Washed,
    gray silty sand
    Light gray
    42.0-42.5
    42.5-43.0
    43.0-43.5
    silty sand med
    No count
    35 blows
    80 blows
    Washed, same
    as above
    Light gray Silty sand w/clay
    pockets w/gravel
    45.4-46.0 No count
    46.0-46.5 32 blows
    -47.0 67 blows
    :;~i836'.·_~-:·::\E~f,.j~11Ci.,;~~i801)
    \,,;,
    PREVXOUSJ EotT,ION.
    MA.:~;
    B,E,PSEO
    "'TRANSLUCENT
    1
    UNTIL;~ie:·XH"US.T_EO.
    Cont. 1
    0.00
    Jar
    1
    Cont. 2
    0.0
    Washed sample Jar 2
    No sample
    Jar 3
    Jar 4
    Jar 5
    Jar 6
    No sample
    Jar 7
    .
    Q.:t.q.;ta",~el*4AH~,.l

    alt
    HOLE HO.
    3ST-16
    1.
    PROJECT
    DEPARTMENT
    OF
    THE
    ARMY
    DIVISIOM
    Southwestern
    I
    Viola Channe 1
    2. LOCATION (coord,,..,.. or Shinn)
    SHEET
    OF
    I.STALLATION
    Ca 1'7 ;gist J iRS 9i"
    Corpus Christi. Sta.
    1540/00
    centerline
    DRILLING lOG
    .~.
    HOLE NO.
    (Ae
    e"-." on
    4,."
    in,
    t it
    I •
    • rwl
    f i
    ,.
    N0.)
    3ST-l6
    '6
    0
    '"
    -
    ~-
    DIRECTION OF HOLE
    IDEGREES wla
    c::J YElI:IICAl
    r=J INCLINED
    VERTICAL
    3. OR I LLiNG AGENCY
    n
    f:.
    A'r"mu
    nf' l?'l
    5.
    NAME OF DRILLER
    Ross
    7.
    THICKNESS
    OF OVER-
    BURDEN
    B' DEPTH
    OR I LLED
    INTO ROCK
    "
    9.
    TOTAL
    DEPTH Of
    HOLE
    47.0
    10.
    SIZE AND TYPE OF BIT
    11.
    DATUM FOR ELEVATION
    .
    (TSM
    or 1115
    L)
    SHOWN
    T12'
    MANUFACTURER'S DESIGNATION OF DRILL
    13\
    TOTAL NO. OF OVERBURDEN SAMPLES TAKEN
    1..
    TOTAL
    "
    5'
    [LEV:-
    ,,1,.,6"'•...,'"
    DATE-lla[
    -~rsl\tJRB[D
    IUNOISTURBEb
    NO.
    CORE
    ,
    AnY~~
    GROUtrtO
    Sl ART EO
    WA,TER
    ?O_ n,
    COMPLETED
    1)1\
    n ........ 1n(.,
    17' ECEV. TOP OF HOLE
    \'
    '1
    [LEV'A!
    .
    ,
    ,
    ION
    ,0.0 '\
    39.0
    \i
    40.5
    42.0
    45.5
    DE PTH
    J~EGEN
    -),
    I). l?,
    39,0.;,
    ___
    Ii
    _'
    rJ-
    40..:s:
    -
    42.'()-
    .4
    45~
    4/)
    ,
    I{-:?-
    .
    ;700;:
    /li
    4..[4....
    lB' TOTAL CORE RECOVERY FO.
    19.
    SIGNATURE OF INSPECTOR
    BOR ING (.)
    CLASSIFICATION OF MATERIALS
    (D••
    eription)
    RECOV SAMPl
    (DrlllJn,
    ri~
    ••
    • ate,. loa.,
    dept"
    01
    II cOR1BOX
    O~
    REMARKS
    ERY
    HO' •••
    tlterJn~
    ••tc .• U.J,nJlJc.ntj
    Water
    Light gray gray sandy silt
    v/soft w/some gravel going
    into a sandy clay at bottom
    of sample
    Light gray sandy clay hard
    w/clay seams w/cemented
    sand nod
    Same as above
    Top half of sample
    Light gray sandy clay hard
    w/cemented sand nod
    Bottom
    half of sample
    Light gray sandy clay w/cementFd
    sand nod w/silty sand pockets
    Bottomed at 47.0
    Tide gage 2.1 @ 10:45 AM
    Water depth 39.0
    Tide gage 2.3 @ 4:50 PM
    Jar
    1
    Cant. 1
    Washed
    Cont. 2
    4.00
    4.51
    I'
    I
    I
    "'.....,
    :,1
    .
    1\
    ENG FORM
    , MAR 61
    1836
    (EM
    1110-1-1801)
    TRANSLUCENT
    PREVIOUS EDITION MAY BE USED
    UNTIL EXHAUSTED.
    PROJECT ..
    i:
    ill:
    ..r " 8: 6i8une
    HDL£ IO'3Sf_16

    alt
    alt
    alt
    alt
    alt
    alt
    alt
    alt
    alt
    alt
    (/
    DEPARTMENT OF
    THE
    ARMY
    DIVISION
    Southt.estern
    IISTALLATION
    Galv Diet, Eng Div
    DRILLING lOG
    ).
    5. NAME OF DRILLER
    ELEV. TOP OF HOLE
    lIe. TOTAL CORE
    eORING
    (11)
    0.0
    4.5
    B.O
    10.0
    15.0
    17.0
    20.0
    22.0
    25.0
    27.0
    30.0
    32.0
    35.0
    36.
    "
    40.0
    41.5
    45.5
    CLASSIFICATION
    OF
    MATERIALS
    (D••
    eriptioft)
    .
    Water
    Gray
    silty sand v/soft med
    grained w/shell
    Washed same as above
    Gr~y
    sandy clay v/soft
    wi
    shell
    No test 1 blow
    drove tube past test
    Washed, same as above
    Gray
    sandy clay v/soft w/shell
    No test 1 blow drove tube
    past test
    Washed, same as above
    Gray
    sandy clay soft w/shel1
    Washed, same as above
    Light gray sandy clay soft
    bottom 0.5 fe. gray silty sand
    coarse grained
    Washed, same as above
    Gray
    silty sand wlpea gravel
    w/shell
    No recovery washed sample
    30.0-30.5 No count
    30.5-31,0 5 blows
    31.0-31.5
    11
    blows
    31.5-32.0 No count
    Washed, same as above
    35.0-35.5 No count
    35.5-36.0 16 blows
    36.0-36.5 19 blows
    Gray
    silty sand wlpea gravel
    ",j:lIne clay at bot totn of samp 1e
    .
    I!-"
    Washed light gray 'sandy clay
    w/cemented sand layers
    Light gray sandy clay v/stiff
    w/cemented sand layers
    Washed, same as above
    Light gray sandy clay hard
    w/ce~entep
    sand layers
    Bottomed in above
    ,8:15 AM
    Tide
    HOLE MO.
    )
    Cont. 1
    No sample
    Jar
    1
    No sample
    2
    No sample
    Cont. 2
    No sample
    Cont. 3
    No sample
    Jar 3
    No sample
    Jar 4
    No sample
    Cont. 4
    No sample
    Cont. 5
    4:15 P.M.
    EIO
    fORM
    1836
    (TRANSLUCENT)
    PREVIOUS EDITIONS ARE OBSOLETE
    1 JUN 57
    (EM
    1110-2-1801)
    PROJECT Viola Channe
    SHEET
    OF
    0.0
    0.25
    0.25
    3.00
    4.501
    HOLE 10. - -- -

    alt
    \//
    HOLE MO.
    311'1'-lS
    1. PROJECT
    81
    DEPARTMENT
    OF
    THE
    ARMY
    SHEET
    OF
    DIYISIGI
    SO'ztbrm:,terJ.1
    Vi n 1:;! Shin ....1-.
    2. lOe AT ION {C-6ord
    If..
    t.. or -STat jon)
    ••STALLATIOII
    Galy Dist
    Eng Di1'
    525
    N
    centerline .&Ta.
    155~
    DR ILLING
    LOG
    3.
    OR' LLiNG AGENCY
    WI
    C!
    1. .........'<17
    f'I.
    IS- HOLE NO.
    (A-
    "tawn on
    dra,rift4
    Or
    i.
    ana
    h). NO.)
    5.
    NAME Ofi)RILLER
    1S'I'-IS
    Dna
    6'
    DIRECTION OF HOLE
    I 7' THICKNESS
    I
    bEGREts
    WITH
    OF OVER-
    CJ VERTICAL
    c::J INCLINED
    VERTICAL
    BURDEN
    y
    ....~
    ll',
    DEPTH
    OR I LLEO
    INTO ROCK
    9.
    TOTAL
    DE PTH
    OF
    HOLE
    .
    47.5
    10.
    SIZE AND TYPE OF.
    BIT
    111-
    DATUM FOR ELEVATION SHOWN
    112'
    MANUFACTURER'S DESIGNATION OF DRILL
    C.H... .o1hu Tub@- ... 1H
    (TBII
    or
    ICSL)
    DATE HOf
    o
    URBED
    UN
    NO. CORE
    GROUND
    51 "RTtn
    COMPlt'H:-o
    k
    -n..:. ....
    10&'1
    13'
    TOTAL No.-OF oVERijuifDEN SAMPLES TAKEN
    1~·
    TOTAL
    15.
    ELEV-;
    ~6'
    flnn~
    WATER
    h D2C
    (
    /17'
    £lEV. TOP OF HOLE
    18'
    TOTAL CORE RECOVERY FOR
    19.
    SIGNATURE OF INSPECTOR
    36.S
    DEPTH,I LEGEN'
    ~'Y
    -
    <')
    -'
    ,
    Jr.:"i'7
    ~9.<f
    13..0:
    15. ()
    17.
    Q:
    20..0:
    22.(}
    25. (}
    27:([
    30 •. 0;
    ,,,\
    /-<>,
    b-
    ::3Z1[
    35.J:[
    36.£
    /
    . ,,!,
    /
    .;~
    1 ;1,-If
    .K6',(t
    1'''48i
    ?l,~;
    40.0
    "
    \42.0
    '\
    45;5
    \
    ,
    '\
    42.0-
    45.5:
    4.7.5::
    ,3"7
    80R I NG (11)
    ,v.
    CLASSIFICATION OF MATERIALS
    (D••
    er ipt ion)
    REeOV SAHPl
    (DrJJJln, ti_ •
    ...t.,. 1000a, dep'" 4)1
    I' COR
    1
    110X
    O~
    KtMO.
    ERY
    NO. ••• ''''rlft' •• te .•
    11
    eJ,nUlcenf)
    Water
    Gray sandy clay v/soft w/shell
    Washed, same as above
    Gray
    sandy clay v/soft w/she.U.
    Washed, same as above
    Gray
    sandy clay v/soft w/shell
    w/clay pockets
    ....
    Washed,
    sam~
    as above
    Light gray sandy clay v/stiff
    w/cal nod
    Washed,
    same as above
    Light
    g~ay
    sandy clay plastic
    w/silty sand pockets
    Washed, gray silty sand w/lome
    pea gravel ,./shell.
    "jJ/
    35.0-35.5
    35.5-36.0
    36.0-36.5
    No count
    11 blows
    15 blows
    ,
    .:
    ~
    Washed from 35.0'to 40.0
    after drive test from 35.0-36.5
    Gray silty sand w/shell and
    gra~el
    about to 37.0
    Light gray clay w/gravel from
    37.0- to 40.0
    Brown tan sandy clay hard w/cal
    nod
    Washed,
    same as above
    Light gray sandy clay v/stiff
    w/silty sand pockets w/cal nod
    Bottomed
    in above
    Tide gage 2.3' @ 7:55 A.M.
    Water depth 9.4'
    Tide gage 2.2' @ 3d!lO
    t.M.
    Cont.
    1
    No sample
    pont. 2
    No sample
    Cont. 3
    0.0
    No sample
    Cant. 4
    2.00
    No samp'le
    Cont.
    5
    0.50
    No sample
    No recovery
    Jar 1
    Cant.
    6
    4.50,1
    No sample
    Cant. 7
    3.50
    E. -fORM I B38
    (TRANSLUCENT)
    PREVIOUS EDITIONS ARE OBSOLETE
    1 JUN 57
    (EM
    1110.2-180J)
    MOJECTViQ]Q ChaQQeJ
    HOLE 10.35T-18

    alt
    alt
    alt
    alt
    alt
    (~"
    DEPARTMENT
    OF
    THE
    ARMY
    DIVISION
    Southwestern