alt
    v
    HOLE .0
    .....
    U •
    1.
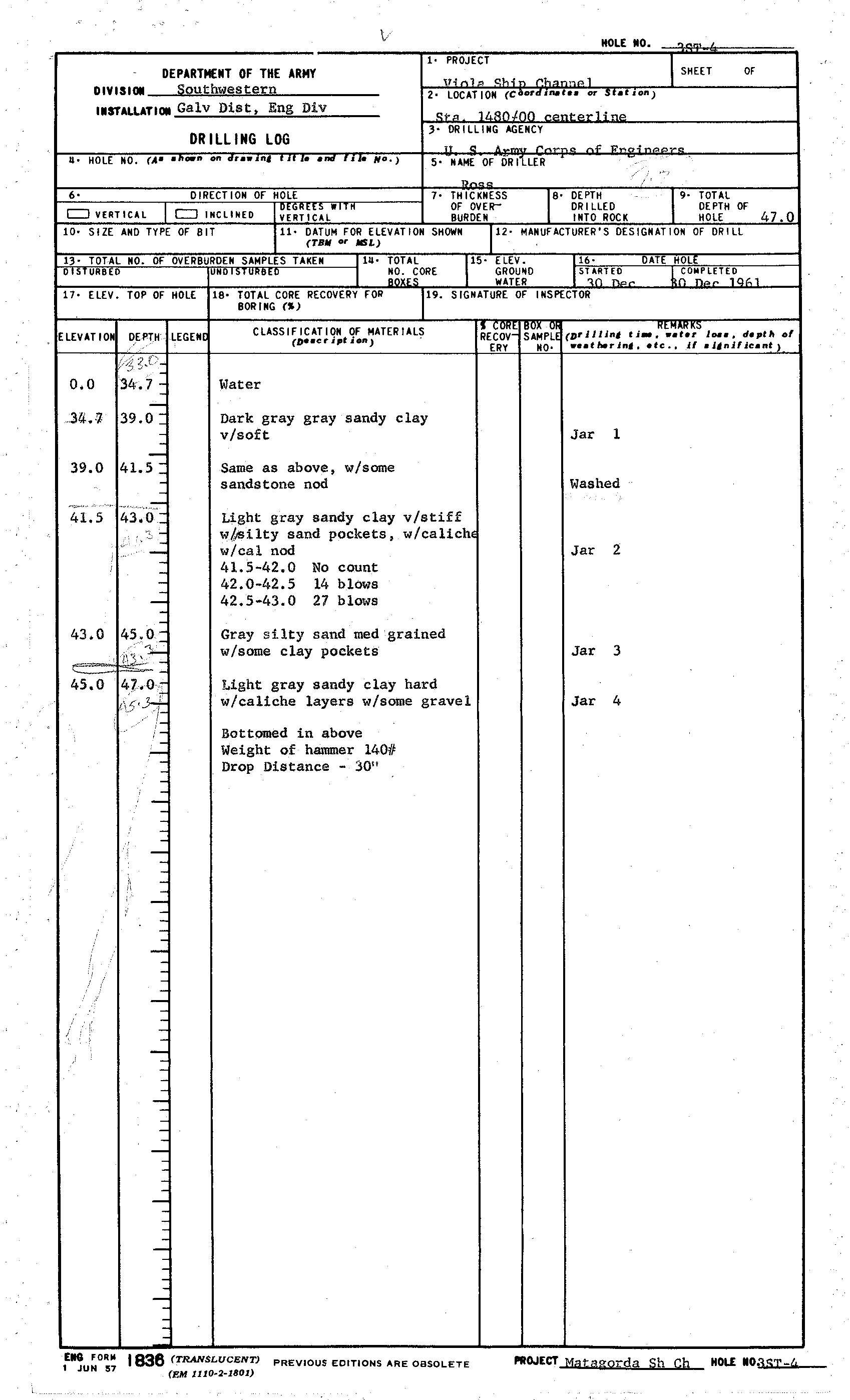
    PROJECT
    DEPARTMENT OF THE ARMY
    \1{
    ,,1.
    ~hi
    n
    ('h~n',,"
    1
    SHEET
    OF
    DIVISION
    ~Quthwestern
    2. LOCATION
    (coora,... t.. or ",.t'OIl)
    IISTALUTION
    Galv Dist, Eng Div
    ~.~
    1'"'''\1nn
    lin"
    DR ILLI NG
    LOG
    3'
    DRILLING AGENCY
    " "
    •.=,
    r,
    ~
    ,.
    ,"
    "~"i n""~.
    ll. HOLE NO. (Ae eno.-n on dr ....n' 1.111. enu ,jJa N0.)
    5'
    NAME
    OF DRI1.LER
    '"
    D,
    '
    ,
    6.
    DIRECTION OF HOLE
    7.
    TH I CKNESS
    18'
    DEPTH
    9.
    TOTAL
    CJ
    VERTICAL
    I
    C:J
    INCLINED
    ~~~~~~~L·"n
    OF OVER-"
    DRI LLED
    DEPTH OF
    BURDEN
    INTO ROCK
    HOLE
    47.0
    10.
    SIZE AND TYPE OF BIT
    11.
    DATUM FOR ELEVATION SHOWN
    112'
    MANUFACTURER'S DESIGNATION OF DRILL
    (TBM
    or JISt)
    13'
    TOTAL NO. OF OVERBURDEN SAMPLES TAKEN
    1..
    TOTAL
    r5'
    HEV.
    16.
    DATE HOL
    O'>lU•• EO
    UNO", URO'O
    I
    :gXEg
    ORE
    GROUND
    ISIAfll£D
    k~O';;~~TE~
    'l" 1
    WATER
    10
    n,,~
    17.
    ELEV. TOP OF HOLE
    18'
    TOTAL CORE RECOVERY FOR
    19.
    SIGNATURE OF INSPECTOR
    BORING (")
    ELEVATION
    DEPTH
    LEGEN
    CLASSIFICATION OF MATERIALS
    :E~~~=
    I
    ~~~pr;
    (D,l111n,
    ti_
    .ti'~~~~~;::,
    IN •• dept
    It
    01
    (D..eriptioft)
    ERY
    NO'
    ••• ''',In, .•tc.,
    If
    .UnJfleant)
    [4
    <-1>-
    .
    -
    0.0
    34.7:
    Water
    34.'1 39.0
    -
    :
    Dark gray gray sandy clay
    :
    v/soft
    Jar
    1
    39.0
    -:
    41.5_
    Same as above, w/some
    -
    sandstone nod
    Washed
    -
    -"."..
    .~,.
    ..,.... ...7
    41.5 43.0:
    Light gray sandy clay v/stiff
    ,
    :'
    -
    w!,silty sand pockets, w/cal1chE
    ..
    '. -
    w/cal nod
    Jar 2
    .-
    ::
    41.5-42.0
    No count
    ::
    42.0-42.5
    14 blows
    -::
    42.5-43.0 27 blows
    43.0
    45,0:
    Gray silty sand med grained
    i' "s'
    "1-
    w/some clay pockets
    Jar
    3
    e
    C
    '
    '_
    ~-
    ..
    -
    45.0
    47.0c
    Light gray sandy clay hard
    ,
    c
    w/caliche layers w/some gravel
    Jar
    4
    ~L}'
    ',-.3-±
    -;_
    . i-
    Bottomed in above
    .
    -:
    i::
    Weight of hammer 140#
    Drop Distance - 30"
    .-=
    ::
    ::
    i
    -:
    -
    -:
    .
    -
    =