I
IDLE NO
~)i'~
J,~
1. PROJECT
DEPARTMENT OF THE ARMY
IPn~r
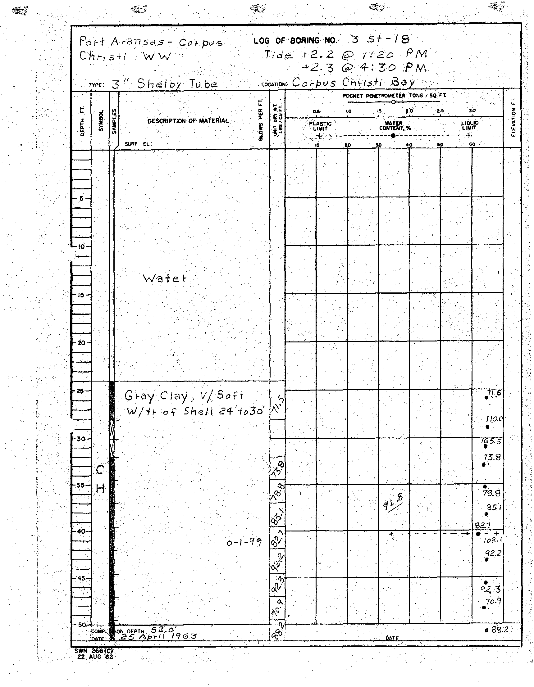
Aransas-Cornus Christi 1'1
SHEET
OF
DIVISIOII
Southwestern
2' LOCATION (c.ordIN'" or Sr.I .... )
INSTALLATION
Galv Dist, Eng Div
Cornus
Christi Bav
DR ILlING LOG
3' DRILLING AGENCY
U.
S.
Army Corps of Engineers
Ii.
HOLE NO.
(All';
.,._"
0 .. fln. In' ,n ,.
lind
,
I'.
110.)
5' NAME OF DR ILLER
3ST-18
Smith
6'
DIRECTION OF HOLE
7. TH ICKNESS
lB' DEPTH
9. TOTAL
CJ
VERT ICAl
c::J
INCLINED
DtG.Et' WIT"
OF OVER-
DR I LLED
DEPTH OF
52 0
VERT I CAl
BURDEN
INTO ROCK
HOLE
•
10. SIZE
AND TYPE OF BIT
11. DATUM FOR ELEVATION SHOWN
liZ'
MANUFACTURER'S DESIGNATION OF DRILL
qhelb" T..be - 3"
(T8111
or
/fI5L)
13' TOTAL NO. OF OVERBURDEN SAMPLES TAKEN
r,..
TOTAL
115' HEV.
16'
•
HOL
DIS
URB,D ?
.T,
jUliOl"U.B'D 9 Cont
I
:~;.~ORE
GROUND
l"t~T~pr
CO"Pl\~:O
ars
WATER
25 A r 1963
17' ELEV. TOP OF HOLE
lB. TOTAL CORE RECOVERY FOR
19. SIGNATURE OF INSPECTDR
BORING (11)
ELEVATION
DEPTH
LEGEN
CLASSIFICATION OF MATERIALS
I:E~~~
i
~~~p~1
(Drllll,.,
'J_."'~~~~:)
10118.
tI.~'1t
.1
(D••
er
ipl
;on)
ERY
NO'
••• tlWr inC! ••te ••
II el, .. J/lc ...')
0.0
24.0:
\,ater
~
:
f-
24.0
28.0..:
4-10'
rods and 3'! ST went to 28
0
.~
-
No resistance
~
-
Gray clay, mucky, w/tr shell
f-
-
f::-
-:
v/soft
Cont.
I
28.0
30.0
.:
_
3-10'
rods, 3" ST and kelly
r-
~
-:
No res is tance
r
-
Gray,
v/soft
clay, w/silt and tr shell
t=
Jar
1
...:
-
Same as above,
No resistance
I-
~
30.0 32.0-
';:
:
v/soft
Jar
2
-:
f:-
4-10'
rods, 3
'1
ST and kelly
f-
32.0
34.5 :
f=
-
No resistance
-:
Gray clay, v/soft, w/tr org. ma
Cont. 2
f:-
-
~
34.5 37.0:
Same as above, no resistance
f-
-:
v Isoft
Cont. 3
r-
f::-
.:
I
r-
37.0
39.5 _
4-10' rods,
3" ST and kelly
I-
-:
No resistance
f:.-
clay, v/soft
Cont. 4
I-
:
Gray,
l-
I-
-
I-
39.5
42.0:
Same as above, No resistance
j::-
:
v/soft
Cont. 5
-
1=
42.0
44. -':
5-10' rods, 3" ST and ke lly
I-
-
No resistance
J:-
:
Gray, clay, v/soft,
w/tr
1=
-:
org. mat
Cont.
6
t=-
-
r=
44.5
47.0:
Same as abOVe, No resistance
l-
......
v/soft
Cont.
7
I=-
-
t=
47.0
49.~
5-10'
rods, 3" ST and kelly
1=
-
No res is tance
I--
-
-
Gray clay, v/soft
Cont. 8
1=
'-
-
f-
49.5
52.U:
5-10'
rods, 3" ST and kelly
~
:
No resistance
r::-
...:
Gray,
clay, v/soft, w/tr org.
-
-
mat.
Cont.
9
;:::-
•.
:
-
-:
Bottom
~
Tide
f2.2
@ 1:20 PM
-
Tide
f2.3
@ 4:30 PM
=
Wind 18-24 MPH
=
.
-:
-
=
=-
-
=-
-
:
-
~.
-:
-
=
'=-
~
=-
ENG FORM 1836
(EM llJO-J-J80J)
PREVIOUS EDITION MAY BE USED
, MAR 61
TRANSLUCENT
UNTIL EXHAUSTED.
'ROJ£CTPt. A. Corpus
christl WW
IIOl[
IO.3ST-18
~
...t;
~":'''.'
~:~
,,~:;:;
=~.;:;
-"~:F
.......
"
I
Po rt A
~an
sa s
-
CO
~P'''S
LOG
OF BORING NO.
"3
S+ - 18
r
ChI"}
S +/
'Ww
I,.de.. +2.2.
@ ;:
2-D
PM
I
.
......
2.
"3
(iY.
4-: 36
PM
..
TYPE:
3"
.
ShelbY
Tv
be
.LOCAT,ON:
C
0
~
p
OJ
s. C
h~,·.s+"
Bay
..
.
P<?CJC,ET
PENEJ'~oMntR
,tONS
I
s~
n
..
..,
0
-
..,
~
"'to'
". .
~
~
~
lZ
~
-.'
0.6-
.'
,..
"
,.'
,4 .
~
§e
,.0
I
it
DESCRIPTION
'OF'
MATERIAL
.
Q
~
:t
.
PLASTiC
\
WAT~R
~
I
Ii;
!
.
~~
LIQUID
g
.
w
..
"
LIMIT
COHT£ T.%.
LIMIT
...
l-
w
0
..
_:.±-c~---_':~------.--------_C~----+
w
~
SURf EL'_
.
'-~---:-'
-10 .
"SO
40-
,....
50
:
GO
.-'
....
f--
:
..
f--
~
.
.,..--
.
'.'
- .. 5_
:.
'--
I.
..--
-
10-
..
.-
f-- ...
f--
wafer
......
..
,
I
f--
'.
:
'.
•
15_.
.
-
:
.
'--
'.
~
".
. -,.-'
:
.
: ..
'.
20-
=
'.'
..
.:'.'
'.'
-
,
..
.'
.
.
25-
.
'.' .
I:
f--
Gray C
fRy)
V
ISoft
~.
I .
11.5
."
I
. f-'---
W/-hof
Shell 24-'+030:
~.
-
~
.
f-
11.0.
0
:
-
..
•
C.30~
-:
165.5
•
~
-
I
73.S
-
C
"
C?l
..