1. 19630426 Port Aransas to Corpus WW Drilling Logs.pdf
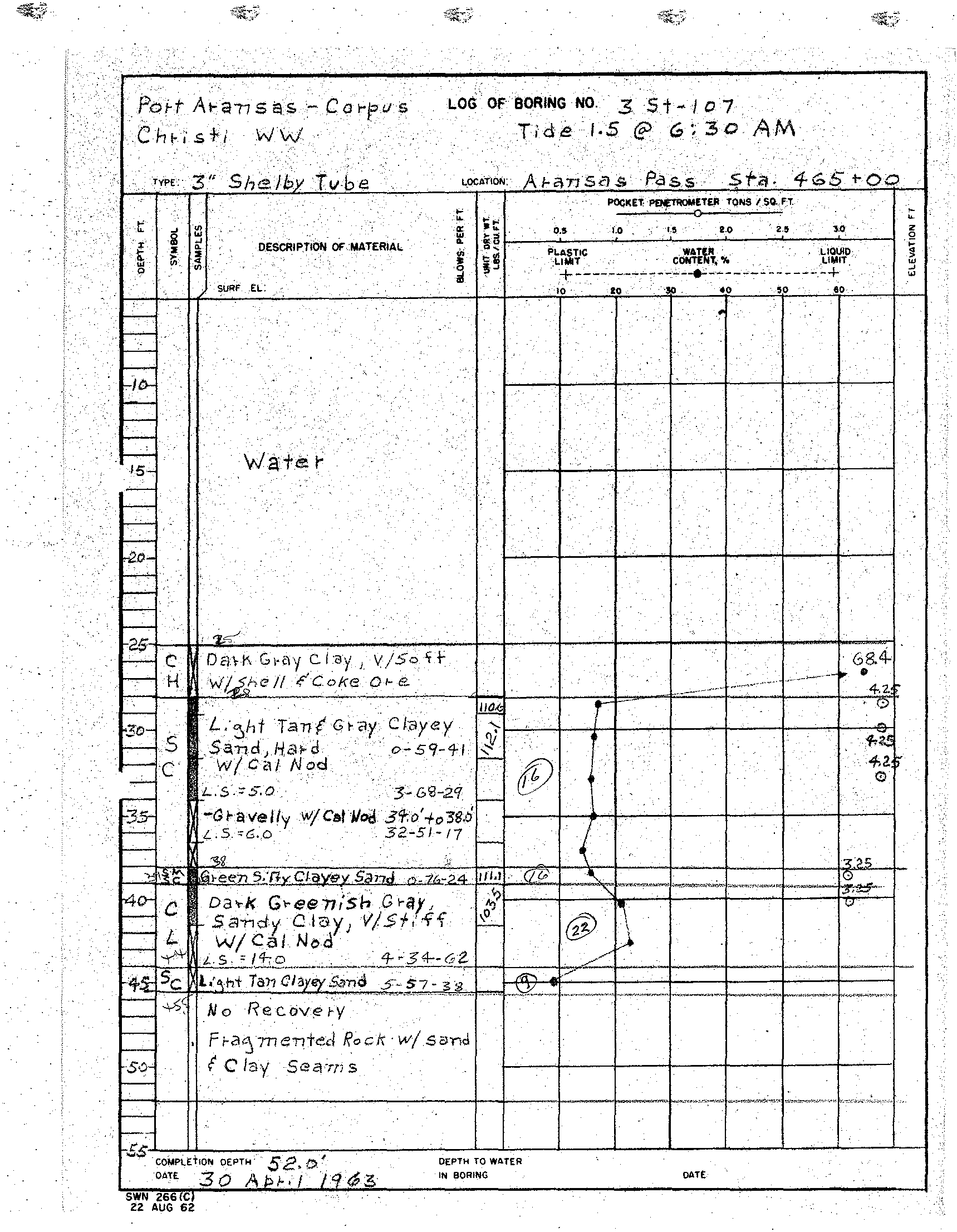
    2. 3ST-107

    alt
    alt
    alt
    alt
    alt
     
    HOLE NO.
    107
    DEPARTMENT
    OF
    THE
    ARMY
    DIVISIOII
    Southwestern
    OF
    Christi
    T
    ..
    )
    INSTALLATION
    Galv Dist, Eng Div
    Sta.
    -465100
    DR ILUNG LOG
    .J
    15'
    NAME
    OF DRILLER
    25.0 128.0
    28.0
    29.0
    31.5
    34.0
    36.5.
    38.0
    39.0
    41.5
    44.0145.5
    45.5
    CLASSIFICATION OF MATERIALS
    (D••
    cr
    ;pl
    iOlt,
    Dark gray silty redeposit
    erial wlshe11 and coke ore
    Light tan gray
    c1ay~sand,
    hard
    Light gray tan clayey sand wltr
    of cal nod, hard
    Light tan gray clayey sand
    w/small cal nod
    Light gray sand wllight gray
    cal nod
    Light gray sand cemented into
    cal nod
    -----.---.-------
    Dark green sand
    ---
    w/cemente,d
    sands~one
    and med sand, hard
    Dark gray sand
    wlca1
    nod
    Med sandstone_from 40.0 to 40.1
    in Jar 4,
    v~tiff
    Layers of dark tan and green
    sand w
    11ayers
    of cal nod
    44.0-44.5 No blows
    44.5-45.0 4 blows
    45.0-45.5 3 blows
    Light tan fine sand
    45.5-52.0
    rock wlsand
    l:lJ.nders~unab1e
    .~
    to recover
    wi
    barrel, also unable to recover
    w/3"
    ST and sp1itspoon
    Bottom
    NOTE:
    From 25.0-44.0
    ;laS
    pushel1
    wlrotation of 3" ST
    44.0-45.5 splitspoon drive
    Tide 1.5 @ 6:30 AM
    ENG FORM 1836
    (EM
    1110.1.1801)
    PREVIOUS EDITION MAY BE USED
    1 MAR 61
    TRANSLUCENT
    UNTIL EXHAUSTED.
    Jar 1
    Cont. 1
    Cont. 2
    Cont. 3
    Jar 2
    Jar 3
    Cont. 4
    Cont. 5
    Jar 4
    Jar 5
    IN •• fl••" .1
    • J,nJ' lea ..t
    4.51
    4.51
    4.51
    4.51
    3.25
    M
    ,.
    J
    /) ("
    v:
    .f","!,
    fu
    1/ /
    I)
    "d~
    NQJEtr
    pt. A. Corpus
    Christi 1.J1-I
    HOU
    10.3ST-107

    alt
     
    .;¥
    ~~:u:;
    i~ii:u::
    ~:'::
    ~~:.;'
    pQf-t
    AI-an s 1:IS- C
    Q
    I-f,",5
    Chl-,'
    sf'!
    WW
    I.ocf OF BORING NO..
    35t -
    J
    07
    Tide I.S@' G
    ~:3
    a
    AM
    1
    'Yl'E:3"
    Shelby
    tvb~
    lOCATIoN
    A
    1-2m
    Sil
    s
    Pass
    .s
    ta.
    4-
    G5 ... 00
    1
    . -i
    ,.,
    t
    It
    I
    \'l
    POCKEt-~nQt
    TQNS i"So..,F:T.
    t ......
    "0'
    "'--
    ffi
    ~~
    0.5-
    1'.0
    I.,
    2.0
    '2.'
    'l.0
    ~
    2
    !~
    D.EscRIP.Tlim oF MATERIAl
    G.
    Iku
    .-
    ~
    ~ ~
    PL.ASTIC
    ._'NAT.".iI .. .LlWD
    ~
    ~
    ~
    !n'.
    :!
    ,
    !
    lD
    -'LlMIT
    CONTENT.,
    %
    .LIMIT
    IV
    '~,
    . .J
    .
    + ________
    .:..~-_:--+-'------.------.-+
    .
    ~
    SURF
    _EL:
    . 10 .
    1:0
    '3P .
    .0
    '.0
    ,60
    -I .
    r...,J
    '1
    I
    I
    15
    I
    Water
    I ..
    111<11 t r I
    -'
    -
    ~
    ~
    ~
    ~
    ..
    I
    1
    ~.
    --'-,0
    .
    '.
    25
    ' '1<
    .
    .'.
    ..
    .c..:.- C
    Da,K
    G\.eIY c
    lay I.
    V/50 H
    .'
    ...'
    . 68.4
    ~
    Hw'L<'hC?
    if .fCoke
    0
    I-
    e.
    ...........
    ~
    .... •
    ~'
    . '.' _'.,
    .......... 4.2'
    _
    ~.
    .
    '. ... lM1l.
    ~
    . I;)
    30-
    ."
    L,~ht
    T3nt'c,.ay
    C
    t:ayey
    ":-. ............
    F- 55.
    a.lld)
    Halo-.
    d
    0-59-'1-1
    ~
    . '.
    .1>.?!!
    l-
    C .
    W.. I C ,11 Nod
    '.
    .,-'- (t;>fl.'
    .+.2.
    .,...i- '. '. .."
    • ... /"/
    0
    '. =--
    .l....5..:;,.0
    3-69-2'1_
    .
    ... 3.5-
    -0
    rave
    lIy W! Cat'lIoij.
    3'(;0'+0
    'Siui
    1
    il-"-'-
    f-4..5~G.O·
    . .32.-51'/.7 .... {
    ~
    ..---
    '. 'l,g..
    ),
    '""r
    ">c
    \~~
    i.('he'm
    ~,,:rty
    Cfgye'tS;Znd
    0.1£;.,,,,
    III,)
    ..(7
    (p....
    .
    (:)
    LA
    ~
    .. , ".
    I;>
    ,,'-'
    '-"-'~-
    "_..... '"F'-- .
    I"TV COaTI< GreeniS";CriifY,
    .;.,
    1'1"
    ,;
    ~.,
    Sa-ndf
    Clay)
    V!SfiH
    L.
    ~
    1\
    ~
    L
    W/CaIN"d.
    W.lJ
    '1"'''' ,".
    s. =! 1-; 0
    _~_"'_'.
    ,-..
    4-"
    3