1. 19630426 Port Aransas to Corpus WW Drilling Logs.pdf
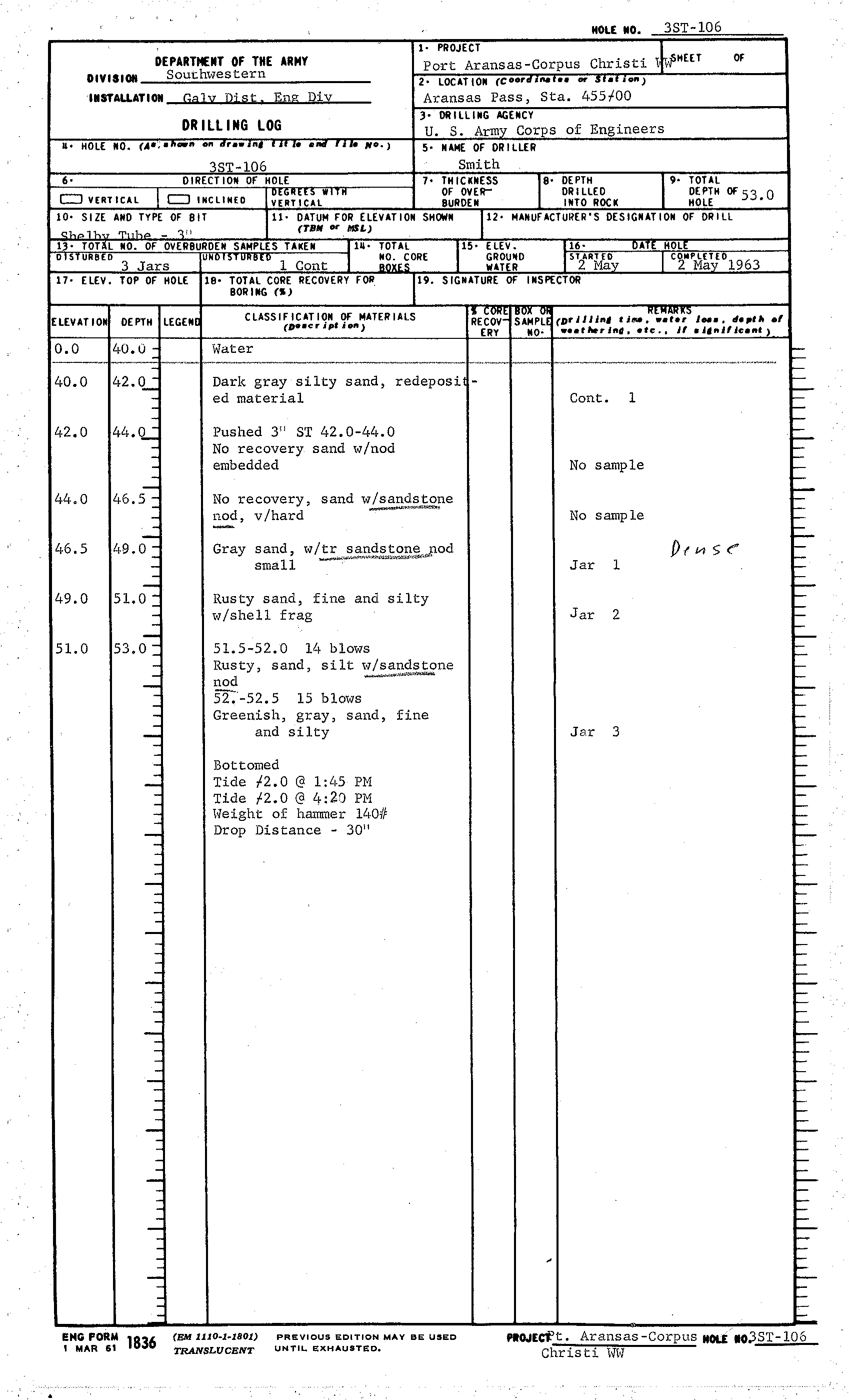
    2. 3ST-106

    alt
     
    .
    HOLE .0
    3ST-106
    1. PROJECT
    ~I
    DEPARTMENT OF THE
    ARMY
    HEEl
    OF
    Port Aransas-Corpus Chrlstl
    DIVISION
    SouLhlVestern
    2. LOCATION (Coo'II."aua or 3r,UJ.ft)
    IISTALLATIOI
    GaJ~~
    Dj
    ~t
    a Eng Div
    Aransas Pass,
    Sta.
    455,100
    DR ILLI NG
    LOG
    ). ORILLING AGENCY
    U.
    S. Army Corps of Engineers
    11. HOLE NO. (Aa'; an"" on Ifr•••n,
    ~
    u ,e ,,,.,,
    I
    J •• 110.)
    5' NAME OF DRILLER
    3ST-106
    Smith
    6.
    DIRECTION OF HOLE
    7' TH ICKNESS
    t.
    DEPTH
    \9' TOTAL
    c:J VERT ICAl
    CJ INCLINED
    ~::~:~!lW""
    OF OYER""
    DR ILLED
    DEPTH Of
    53 0
    BURDEN
    INTO ROCK
    HOLE
    10. SIZE AND TYPE OF BIT
    11. DATUM FOR ELEYATION SHOWN
    \12' MANUFACTURER'S DESIGNATION OF DRILL
    "h~lh" 'T'"h~
    - i"
    (TBM
    01'
    MSL)
    13' TOT L NO. OF OYERBURDEN SAMPLES TAKEN
    I
    U. TOTAL
    r5' HEY.
    16.
    A
    HOL
    DISIURBEO
    ",",,,",••" 1 Cont
    I
    :~XF~ORE
    GROU'O
    ISTARTED
    I
    c'2"Pr!i~;::"l963
    3 Jars
    WATER
    2 Mav
    17. HEY. TOP OF HOLE
    lB' TOTAL CORE RECOYERY FO".
    19. SIGN.TURE OF INSPECTOR
    BORING (S)
    ElEYAT ION
    DEPTH
    LEGEN~
    CLASSIFICATION Of MATERIALS
    IM~~
    I
    S~~Pr.
    (DrlJJJI't, tl.....
    t.,.
    ,....
    tI.",,.
    .,
    (D••
    cr ipt
    ion)
    0.0
    40:~
    Water
    . -
    ~.--.
    ~--~---------------
    40.0
    42.0....::
    Dark gray silty sand, redeposi
    =
    ed material
    -
    42.0
    44.Q....
    Pushed 3" ST 42.0-44.0
    -
    No recovery sand lV/nod
    embedded
    -
    -
    No recovery, sand tv/sandstone
    44.0
    46.5 -
    ........,......><>=""....".,.."
    46.5
    49.0:
    -
    -
    -
    nod,
    Gray
    v/hard
    sand, IV /_tr
    J'~l!~.~~£~~.Jlod
    =
    small
    .
    49.0
    51.0
    -
    Rusty sand, fine and Silty
    :
    v,
    /she 11 frag
    51.0
    53.0:
    51.5-52.0 14 bloIVs
    -
    Rusty, sand, silt H/sandstone
    -
    nod
    ~~
    -:
    52:-52.5
    15 blows
    -
    Greenish, gray, sand,
    fine
    -
    and silty
    -:
    -
    Bottomed
    -=
    Tide ,12.0 @ 1:1>5 PM
    =
    Tide
    f2.0
    @ 4:20 PM
    -
    Height of hammer
    140fl
    -::
    Drop Dis tance - 30"
    -
    :
    -
    :
    -
    ::
    -
    ::
    ..:::.
    -
    :
    -
    -::
    -=
    =
    -
    -:
    -
    -
    -
    :
    -::
    -
    -:
    :
    ENG PORM
    1836
    -=
    (EM
    ll10.1-1801)
    , MAR 6'
    TRANSLUCENT
    PREVIOUS EDITION MAY BE USED
    UNTIL EXHA.USTED.
    ERY
    NO'
    .... rllerl", ••re.,
    JI
    al,ttl/lc...')
    ~
    .~",'-'~-
    ,--,--
    ~~,-.--,~~~,-....
    -.,,, ..
    ~.~<-",~~~~.,,~-, ,'.-"~~~.».
    ~
    Cont. 1
    -
    =-
    No sample
    -
    ~
    No sample
    r-
    ~
    f::-
    PtVl
    S ("
    I-
    Jar
    1
    ~
    =-
    Jar
    2
    =-
    ::-
    -
    Jar
    3
    f:
    r-
    ~
    !-
    '-
    r-
    ~
    ~
    ~
    f=
    !-
    ~
    ~
    f::-
    f=
    f=
    r-
    ~
    ~
    f:"
    =-
    -
    =-
    -
    ,
    =
    ::-
    =-
    PIIDJEc:i't. Aransas
    -
    -Corpus
    MOLE
    lo;3ST-106
    -----
    ~
    Christi HW

    alt
     
    ,
    ~
    f,
    ~
    ~
    j
    .
    ~
    1
    ~1i:,,~:
    "
    ..,...1
    •...
    PO.
    '.
    t.•.. Ara.
    i1
    ..
    ·.,~.a.·.s.·.cC~~.pvs
    '.'
    Ch~·,'st.i<·WW'
    !.
    !
    .' •...' . ". •. .'
    ":;~:":,
    '<.
    ~~:5
    ~OGOFB~FtiNGNO.
    ... 3S+
    ~'0&
    ..'.
    i
    T,de' +£.;(1:;1.
    4-$,PM
    .. p;o
    ~
    4-:
    EO
    PM .....
    ~:5'
    LOCAtION:
    AI-;;lTIsa
    ~'f~ss
    ..5
    t~:.
    455+
    00
    I
    j
    T',;~J!'SheJl6y.)!Jb~.
    ".1
    i
    It.
    ,
    '~
    .....
    'j'
    ~
    ~.'.'
    . DESCRIPTION OF MATERIAL
    POCKET-"PENETRoMEfER:
    'TONS
    'i
    $Q; 'Ft .
    :;::
    t,.:.'t-:"
    .
    - '-, , '
    -q-'
    ~"~
    ,
    ~'
    !~~
    0:5-
    1.0
    l,~,
    '.2.0
    :U
    3,0",
    &.0'
    _,
    '_
    _\
    . J .... ,'
    I
    ,!- - ,;-,
    "
    -.~
    o
    .
    :-'.'••...'!.
    I
    ~
    .
    !ll
    ~
    PL.A$TtC
    . 'WAttR
    LIQUID
    ~
    ~U.RF:
    .£1..:
    t=d .
    ...
    ~
    I .......
    ""_O_.;'-_+f
    I
    -
    ill
    ~ i~
    LlMtT
    + ____
    '.
    '
    "C()t(rtfllT."':.,':,
    LIMIT
    0 __________• __________
    -~---+
    10'
    10
    10
    ........
    I.·T.~·
    ~
    ..
    ,
    , Iq ,
    II .
    . "".'
    15.
    "2.0.;1
    t2~J
    I ,
    .. ',
    .'
    .j
    I
    .
    /"/
    . \Vater
    ,
    " t.
    o
    o
    ,I
    I
    -
    -
    I
    -
    I
    . I"
    I
    o
    ,
    I'
    -I
    -
    I .
    ,
    -'/
    II II II
    30.
    I .
    I .
    .
    '1
    o
    ~
    I
    -.
    ;~·;o
    C
    Da~f(.G.
    i<ayS'871d/
    CI
    a.t
    '.
    ....
    '.('
    '.~
    'ti'z
    '-..0..+',;..:.l-::.,
    <-.$.=17;·0~.
    0-30-70