LOt 'Of SOIL BORi~IG
    Projec-t No.Me: Mid Bo.y Mo.rsn $i-tec
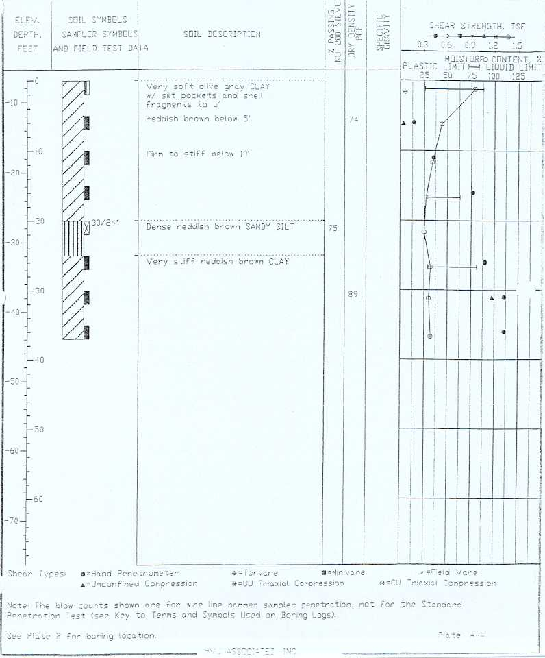
    Boring No.:
    MB-4
    (OOB)
    4
    DQt~.
    \.I Q ter Depth:
    8 Feet'
    S to. ticn:
    TiMe \.Jater Dep-th MeQsured:
    02.00
    OfF5~"::
    Pro ject. No. 39-2I7G-QO
    Approx. Eie'I.'
    -6.9 MLT