13.1
19651029 Boring Log Sabine Neches W.W..pdf
13.2.pdf
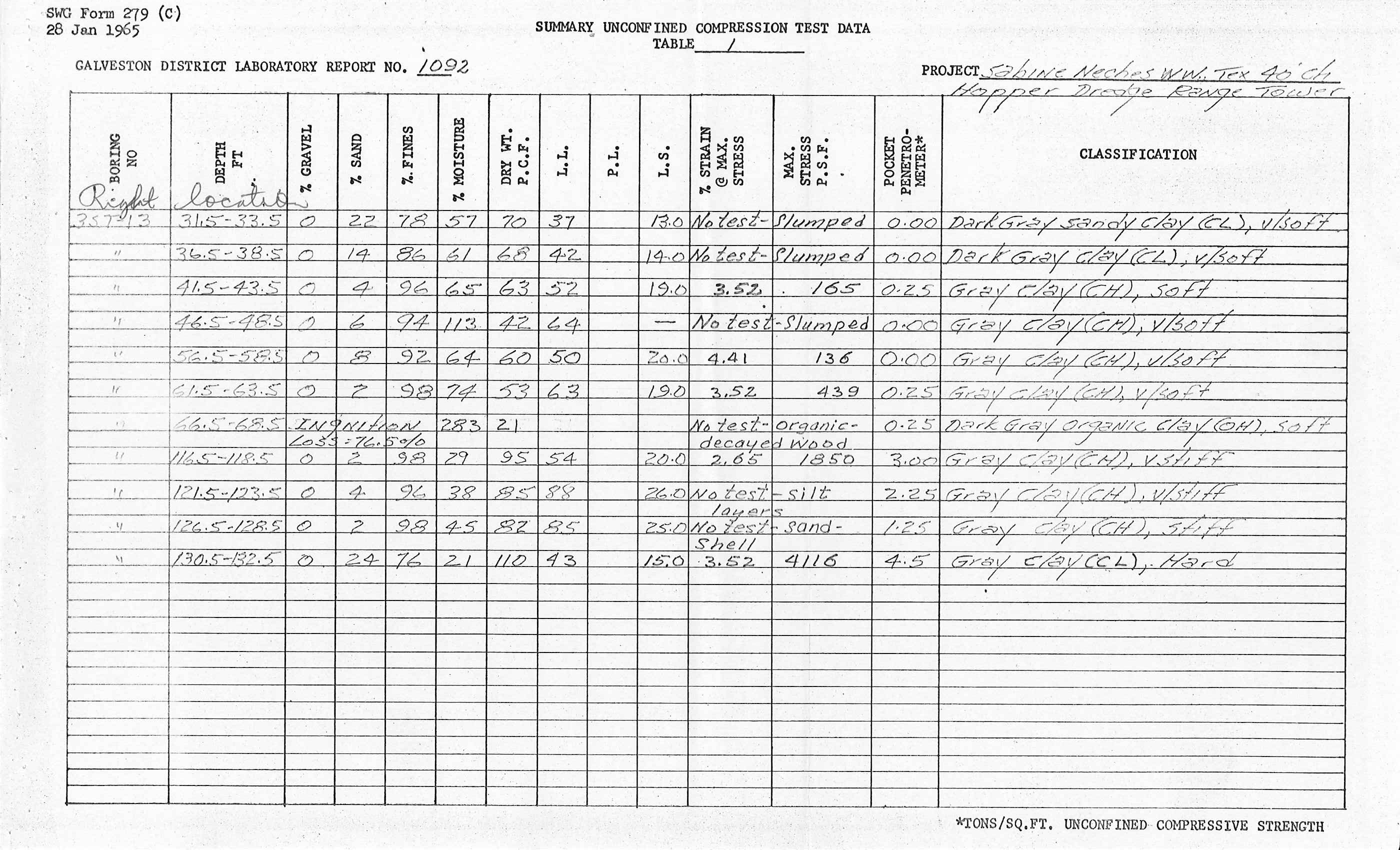
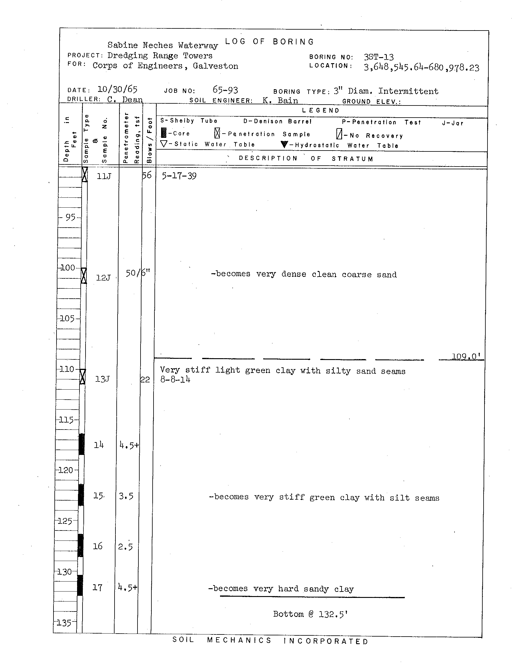
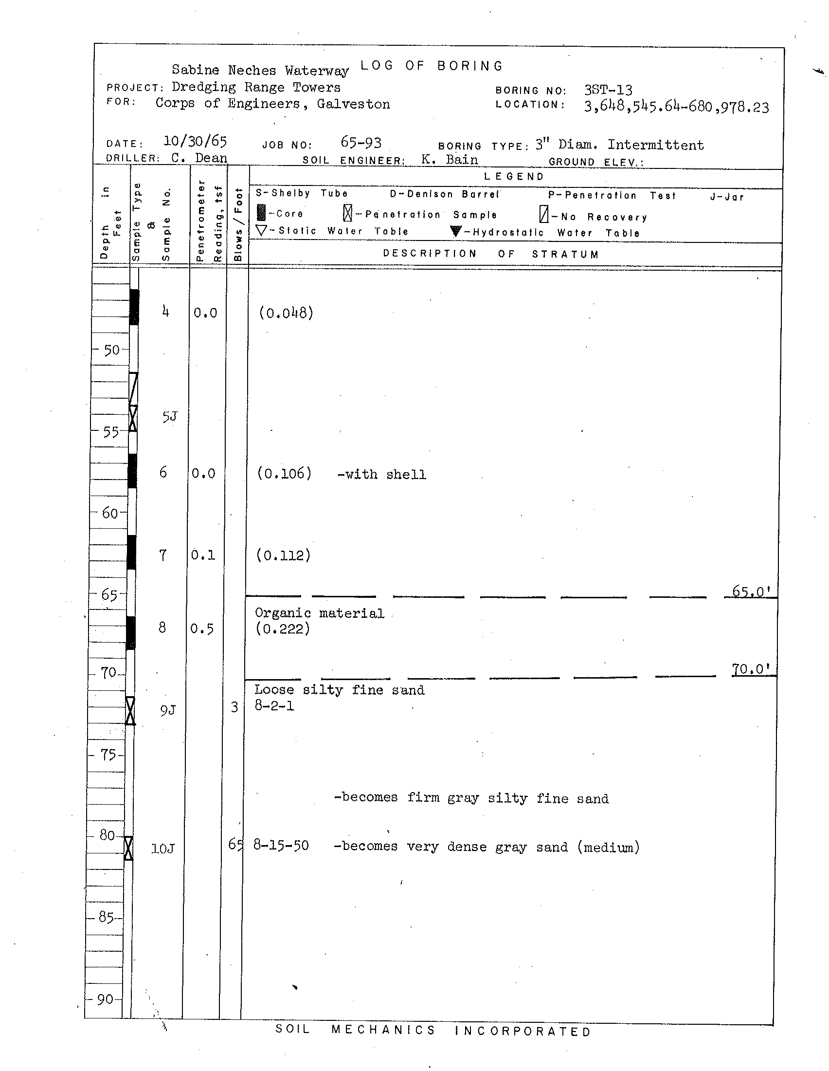
USACE1593ST-13
19650316 Boring Log Sabine Neches W.W..pdf