1. B-10(1).pdf
    2. USAGE290B-10

    alt
     
    r--:-'
    (
    ..
    --
    ~-~
    S~MARY
    OF LABORATORY TEST DATA
    COMPRESSION TEST
    ~
    PROJECT: Leo Kaufer Memorial Park, Klebcrg County, TX
    ii)~
    :0:
    ~
    ! -
    0
    ::e
    ~
    en
    >-
    OTHER TESTS
    PROJECT NO.: G-86-AUS-308
    TABLE I
    DATE:ll/17/86
    !Z'"
    0
    -,lI!
    ...
    ",u-
    wen
    z
    ii!~
    w
    '
    ,
    i
    DEPnI
    M........
    Dry
    AMerbera Umits
    ",8
    "'>-
    <i
    S
    !
    BORING
    UN
    <C
    .
    "'II>
    IN
    MATERIAL DESCRPTiON
    Content
    00n.11y
    a:
    '
    :E
    a:
    !;ill!
    ~
    NO.
    FEET
    ("!o)
    (pc!)
    LL
    PI.
    PI
    ~~
    8
    Iii
    -'''-
    ....
    ,
    '
    B-7 4 - 6
    Tan
    sandy clay.
    20
    106 45 16 29 60
    2.5
    4.4
    Split'
    ,
    B-8
    8
    -10
    Tan sandy clay.
    (CL)
    24
    101
    2.0
    7.8
    Split
    ,
    I
    ,
    I
    J
    I
    B-9 4 - 6
    Tan
    sandy clay.
    (CL)
    17
    115
    4.6 14.8
    Split
    ,
    !
    8 -10 Tan clayey sand. (SC)
    25
    99
    i
    0.7
    6.2
    Bulge
    14-16
    Tan clayey sand.
    (SC)
    26
    98
    0.5
    1.2
    Split
    28-30 Tan clayey sand. (SC)
    23
    102
    1.4
    2.5
    Split
    ;
    60°
    B-IO
    2 - 4 Tan and light gray clayey sand. (SC)
    26
    100
    1.3
    5.6
    Shear
    6 - 8
    Tan
    silty sand. (SM)
    22
    N.P 22
    i
    8-10 Tan andlight gray clayey sand. ( SC)
    25
    99
    ' 0 "
    )
    .;'
    2.5
    I
    Spli t
    I
    - -----
    .,'
    SOUT"WIITERN LABOftATOftlES

    alt
    ~--
    ~-.-~
    ---
    SUMMARY OF LABORATORY TEST DATA
    COMPRESSION TEST
    "
    PMK)JECT:
    Leo Kaufer Memorial Park, Kleberg County, TX
    z
    c;;~
    z
    0'1
    ~
    I
    !-
    2
    ~
    ...
    ~
    ....
    >-
    OTHER TESTS
    PROJECT NO.: G-86-AUS-308
    DATE:II/17/86
    .... '"
    0
    .Jll!
    ....
    TABLE I
    ~8
    "''''
    z
    ..
    ~
    w
    DEPTH
    Motshn
    Dry
    Afferberg Limits
    0:: ....
    ;;;
    ~
    BORING
    l\!~
    "-
    15",
    IN
    MATERIAL DESCRPIK>H
    Conten'
    Dentlty
    ~
    a::
    .... ll!
    I
    NO.
    LL
    PL
    PI
    ~~
    8
    ....
    I ..
    FEET
    ("!oj
    (pct)
    UJ.
    -' 0..
    ...
    ...:.
    ,
    11.0
    !
    B-IO 18-20
    Tan andlight gray clayey sand.
    (SG)
    21
    105
    3.0
    Split
    I
    B-ll
    2 - 4
    Tan and
    light gray clayey sand. ( SC)
    24
    103
    11.0
    5.6
    Split
    i
    i
    8 -10
    Tan and light gray clayey sand.
    (SC) 23
    108
    1.1
    5.1
    : Split
    18-20
    Tan and light gray clayey sand.
    (SC)
    26
    100
    3.7
    2.3
    Split
    B-14
    0-1.5
    Gray sandy clay. (CL)
    16
    45
    !
    13 32
    50
    6 - 8
    Light brown clay. (CH)
    26
    98
    57
    17
    40 51
    1.0
    3.4
    Split
    B-15
    0-2 Dark gray clay. (CH)
    26
    65
    21 44
    75
    I
    8 -10
    Light brown sandy clay. (CL)
    22
    106
    2.9
    I
    1. 4
    i
    Split
    I
    ,
    ,
    I
    J
    j
    +
    SOUT....
    I[.T1:11t1
    LAIIOIIATOIU£S
    ...•.•.
    _
    ..
    __._._._.__
    .
    -----.--~------------
    •..
    --
    •.-
    ..---.---.
    --.--~----.-
    .•.
    --
    ..
    ----------.---
    ..
    -
    .•..
    ----~-------

    alt
    alt
    alt
     
    I.
    !
    ("
    .'j.
    I
    i
    L
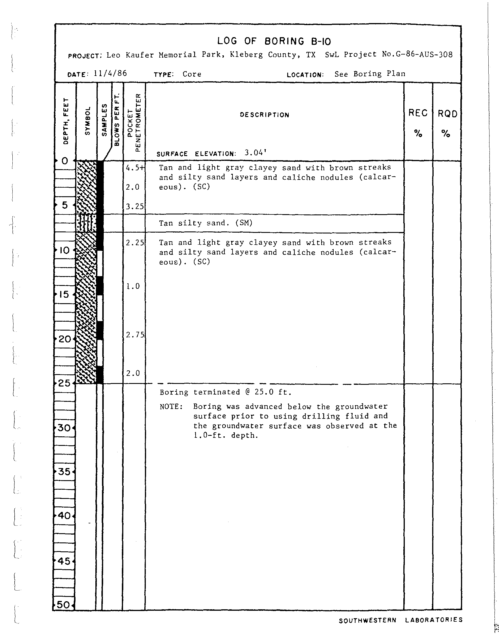
    LOG OF
    80RING
    8-10
    PROJECT:
    Leo Kaufer Memorial
    Park, Kleberg
    County,
    TX
    SwL
    Project No.G-86-AUS-308
    DATE:
    11 /4/86
    TYPE:
    Core
    LOCATION:
    See Boring Plan
    It
    ex:
    I-
    w
    "'
    '"
    !~
    f-
    "'
    ...J
    W
    f-W
    REC
    ROD
    IL
    0
    ...J
    w::E
    DE SCR IPTION
    II)
    "-
    ><0
    :r
    ::E
    ::E
    S
    vex:
    f-
    >
    ..
    01-
    %
    0/0
    "-
    '"
    '"
    o.w
    "'
    0
    w
    z