1. U.S. ARMY CORPS OF ENGINEERS
      2. GEOTECHNICAL BORING DATA

      alt
      '.-...._,
      ._-,-
      ,.
      ________
      ~
      _____,_..
      ~~_._.
      ______
      ~
      ____.___ ..
      _,,~_
      ...
      _~
      ____.__
      ._!~"-.~<~_<_~o,
      ____
      ._~~~~'m.~'''_~_~
      __
      "~_M~~
      U.S. ARMY CORPS OF ENGINEERS
      GEOTECHNICAL BORING DATA
      PAOJECTNAME
      lidmio.
      14
      Ut0'ffnt"!
      LOG OF BORING NO.
      90
      ",.J 3
      LOCATION/STATION
      90
      -I-
      0
      0
      I'
      ."
      8
      DATE /TIME STARTED
      C):5/lc;/"'");'.'
      55
      2<--....
      DATE/TIME COMPLETED
      /(
      //
      <[:
      30
      //
      /
      TIDE ELEVATION
      oJ.
      7.00
      MLT DATUM
      I
      WATER DEPTH
      /0.50
      ~,,\-~'
      '"
      DEPTH FROM WATER SURFACE
      TO BOTTOM OF BORING
      2::(
      JJ
      orO
      0
      WEATHER
      l
      fr"1/(
      .-1"
      un""
      DRILL RIG MANUFACTURE
      MODEL NO.
      CF
      -
      5
      /'
      DRILLER
      or:;t:-'
      ,-H'Y/a
      M
      IOl3Efl
      ;; •
      t' J-f (r:
      >kY>'
      :-
      J
      DRILLER'S
      I
      LOGGER'S COMMENTS
      _______________
      Page-L
      I
      3
      ErA{
      (
      t

      alt
      __,_."..
      ~
      ___
      ~~~
      ___,__._'___
      ~,.~.~
      __...__
      ".:"':~_"~n'
      __
      ~
      ___
      ·~
      ___
      ~ '_'_"_~
      __
      ~~"~'=,
      I-
      Z
      :::>
      "'0
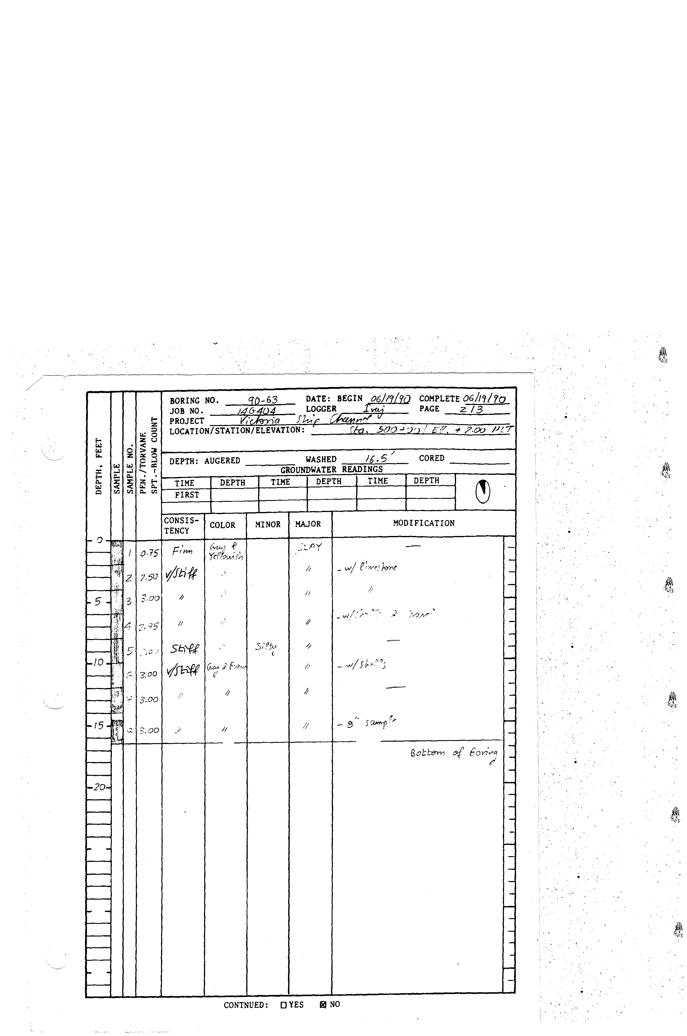
      BORING NO.
      qQ-63
      DATE: BEGIN
      06/1'l/W
      COMPLETE
      06/17/'10
      JOB NO.
      I~~
      L9GGE~
      Irav'
      PAGE
      z/3
      PROJECT
      t"o
      Jk. e r;t,iMI'1M"
      LOCATION/STATION/ELEVATION:
      j
      ria.
      5(}r)-"Y//
      £i"'.
      .,.
      '?,C)o P!7
      I-
      Z U
      '"
      <
      TIME
      I
      DEPTH
      TIME
      TIME
      (!)
      '"
      0
      >3
      ""
      Z
      C
      "'0
      ..l
      :r
      '"
      ..l
      ..l
      '"
      .....
      1-'"
      r
      l-
      =-
      ""
      =-
      :>:
      ~
      zl-
      '"
      <
      '" ""
      Q
      '"
      '"
      =-'"
      DEPTH: AUGERED
      WASHED
      16.5/
      GROUNDWATER READINGS
      CORED _____
      FIRST
      DEPTH
      DEPTH
      i~~~~S-
      COLOR
      I
      MINOR
      I
      MAJOR
      I
      MODIFICATION
      ~
      0
      k,,:'
      f\\\',
      I 0,75
      Film
      '(\,wI
      '" I'.
      of
      "
      ~
      ':.J'Y
      ,
      ~
      JC (OwI,')
      'iii
      2
      7,5'J vjJti#
      //
      -
      wi
      e:~,.d<Y"c
      1+
      :r
      ...,
      II
      ,(
      I- 5 ...j ; ,3
      ;),00
      1/
      rrr
      ',.... f,!
      _"'I/"·/~"
      !.
      .."
      "
      .....")
      //)./"/"
      ,1
      L:, -;:or;
      II
      1/
      ~'
      '
      .'
      '-
      ,lr
      r"
      Sf::.,-J!C
      S,'fR<
      "-'
      -I
      t~\
      :;;
      .
      ,
      0
      ...'
      I ttt
      . (.
      HO-~_
      71
      ,,[
      /s"""
      :i "
      'AlrL"\IJ/J
      ~
      r;(
      ;A}-••..,
      II
      -
      vJ
      po."')
      ::-
      '$,00
      VI
      J "'-M'
      (I
      I;
      ;f
      3.00
      f-
      15,
      ~
      00,'
      //
      1/
      -
      8"
      S~1"
      .......,
      ).
      ,/
      13 01: i::rJ>,.,
      ~
      fj
      0
      YJ'""e
      _
      t!
      I
      ~~II
      ~
      r -i I I
      -j
      ,
      I- -j I I
      -
      ..
      -1 I I
      ~
      .J
      CONTNUED:
      0 YES
      e NO

      alt
      alt
      Project
      CHANNEL TO VICTORIA
      SUMMARY OF LABORATORY TEST RESULTS
      VICTORIA, TEXAS
      BorIng No.
      SPT
      Dry
      Wei
      Depth
      PP
      Blows
      Visual
      USC Mc
      Unll
      Unll
      LL
      S.
      ( It)
      (tsf)
      per
      Classification
      (%)
      WI
      WI
      (%)
      Foot
      (pcl)
      (pcl)
      1
      0-2
      0.50
      Gray and yellowish blue, SANDV CLAV, firm, with
      CL
      21.5
      calcareous nodules
      2
      2
      - 4
      1.50
      Gray and yellowish blue, SANDV CLAV, stiff, with
      CL
      20.6
      106.6 128.6
      larae calcareous nodules
      3
      4-6
      0.75
      Gray and yellowish blue, SANDV CLAV, firm, with
      CL
      21.9
      large calcareous nodules
      4
      6
      - 8
      2.50
      Gray and yellowish blue, SANDV CLAV, very stiff,
      CL
      23.4
      with
      large, calcareous nodules
      5
      8
      - 10
      1.25
      Gray and green, SANDV CLAV, sliff, wilh
      CL
      23.2
      102.8
      162.4
      sillY clav pockels blockv structure
      6
      10 - 12
      1.75
      Gray and brown,
      SANDV CLAV, stiff, with
      CL
      23.4
      sltt pockets
      7
      12 - 14
      3.00
      Gray and brown, SANDV CLAV, very stiff, wilh
      CL
      sill packets slickensided
      8
      14.5-16.5
      3.00
      Gray and brown, SANDV CLAV, very stiff, with
      CL
      24.0
      sill pockets
      S # : Sample Number, P P : Pockel Penelrometer Reading, USC : Unified Soli Classification, Me: MOlslure Content
      q u : Unconfined
      Compressive Sirength, W 0 H : Weight of hammer, WOP: Weighl of pipe
      27
      31
      90-63
      Mechanical Analysis
      PL
      %
      Passino
      (%)
      .4
      #10
      #40 #100
      14 98.2 96.2 95.4 93.t
      16 100.0 99.9 99.9
      98.5
      Torvane
      Shear
      Strenglh
      #200
      (tsf)
      63.8
      0.45
      64.5
      qu
      (Isf)
      0.19,
      --.:.---,./
      0.22
      ~i
      I
      I
      !
      ,
      I
      I
      :1
      'I
      i
      I
      I
      'I
      I
      t
      I
      I
      I
      I

      alt
      .;-
      o
      .;-
      <:>
      "
      Z
      o
      -,
      .D
      o
      Failure Sketches
      0.20
      ~
      0.15
      [J
      '"
      0-
      ;:::.
      ,,;
      0
      ~
      .!:; 0.10
      <J>
      ••
      ~
      e
      0.
      E
      0
      '"
      0.05
      o
      Controlled stress
      0.00
      ~
      Controlled strain
      0
      Test No.
      Type of Specimen
      Water content
      "
      Void ratio
      E
      "'
      Saturation
      Dry density. Ib/eu
      ft
      Time do failure, min
      Unconfined comftressive
      stronglh, T/sq t
      Undro'lned shear strength, T/sq ft
      Sensitivity ratio
      Initial specimen diameter. in.
      Initial specimen height. in.
      5
      "
      eo
      S,
      y,
      to
      q.
      S.
      S,
      00
      H,
      10
      Axial Strain,
      51)
      1
      Undisturbed
      20.6
      "
      106.6
      "
      2.92
      .19
      .09
      2.825
      5.590
      :II
      ,.
      EM 1110-2-1906
      Appendix XI
      30 Nov 70
      15
      20
      :II
      "
      ,.
      ,.
      Classification
      Gray and bluish yellow, SANDY CLAY, stiff. with large cQlcoreous nodules
      LL
      27
      Remarks
      ENG FORM
      3659
      1 JUN 65
      I PL
      14
      I PI
      13
      I
      G.
      Project
      CHANNEL TO VICTORIA, TEXAS
      Area
      Channel to Victoric in Son Antonio Bay, Texas
      Boring No.
      90-63
      Sample No.
      2
      Depth
      2-4
      ft
      Dale
      8/1/90
      EI
      UNCONFINED COMPRESSION TEST REPORT
      PLATE XI-2
      Geotest Engineering, Inc.
      PLATE

      alt
      ..
      o
      ..
      ..,.
      (5
      Z
      o
      -,
      .f:>
      o
      Failure Sketches
      0.24
      I'
      iii
      0.18
      L-.J
      ;::.
      '"
      .;.