1. u.s. ARMY CORPS OF ENGINEERS
      2. GEOTECHNICAL BORING DATA

      alt
      ~~--~~----
      ".c.____ "
      '--'~---'-'--~-"'~-'''--~---
      ..
      ~~.-.-~"~-"."--.--.~-~,,
      ..
      ~~~~~~~.--,,---.-.~.-.~.-~.~.-~,.--.~~~
      ..
      ~"
      u.s. ARMY CORPS OF ENGINEERS
      GEOTECHNICAL BORING DATA
      !3&f
      '/',L
      '
      '/ ,e)
      p
      PAOJECTNAME
      Y/V/TTno.
      ...'IA.AC
      /;':7/h11'~:
      I
      LOG OF BORING NO.
      90-6:2
      LOCATION/STATION
      490 +00
      DATE/TIME STARTED
      c16/I9/9o
      (?
      8:10~
      DATE/TIME COMPLETED
      d
      It
      !3:
      50
      //
      TIDE ELEVATION
      -!
      ZO::)
      MLT DATUM
      WATER DEPTH
      10.5)
      ,
      -... \)C
      lS .:J
      DEPTH FROM WATER SURFACE
      ~-
      ~
      TO BOTTOM OF BORING
      ,/
      ~
      ,
      :J
      >'
      .-"1'
      ")
      r
      WEATHER
      ~J..y
      '("
      iu YJ
      iA//,
      C"
      DRILL RIG MANUFACTURE
      MODEL NO.
      c
      F
      - S-
      DRILLER
      L""-f,
      '"Y
      .
      J
      ~
      7//?')
      LD3:HI
      f;)k"
      (
      1/" .'-1:,.
      ¥/
      "
      DRILLER'S/ LOGGER'S COMMENTS
      __----'-____________
      Page
      I
      /
      3
      ----
      )
      ,

      alt
      ~'_'
      _',___
      ~.
      __..____,__
      . __'_,__.:....:.........__
      ~
      __._________"_:___-'-c._....;_._..__
      ~
      ___' _.
      _:........_._~
      ___
      ~._
      .___
      ""_"_".~.~_,_.
      __
      :":,:"",,,._.<._.•
      _,~~
      __. __
      ";"~_'_'~_~'_>~~"'_~'_"_;->'
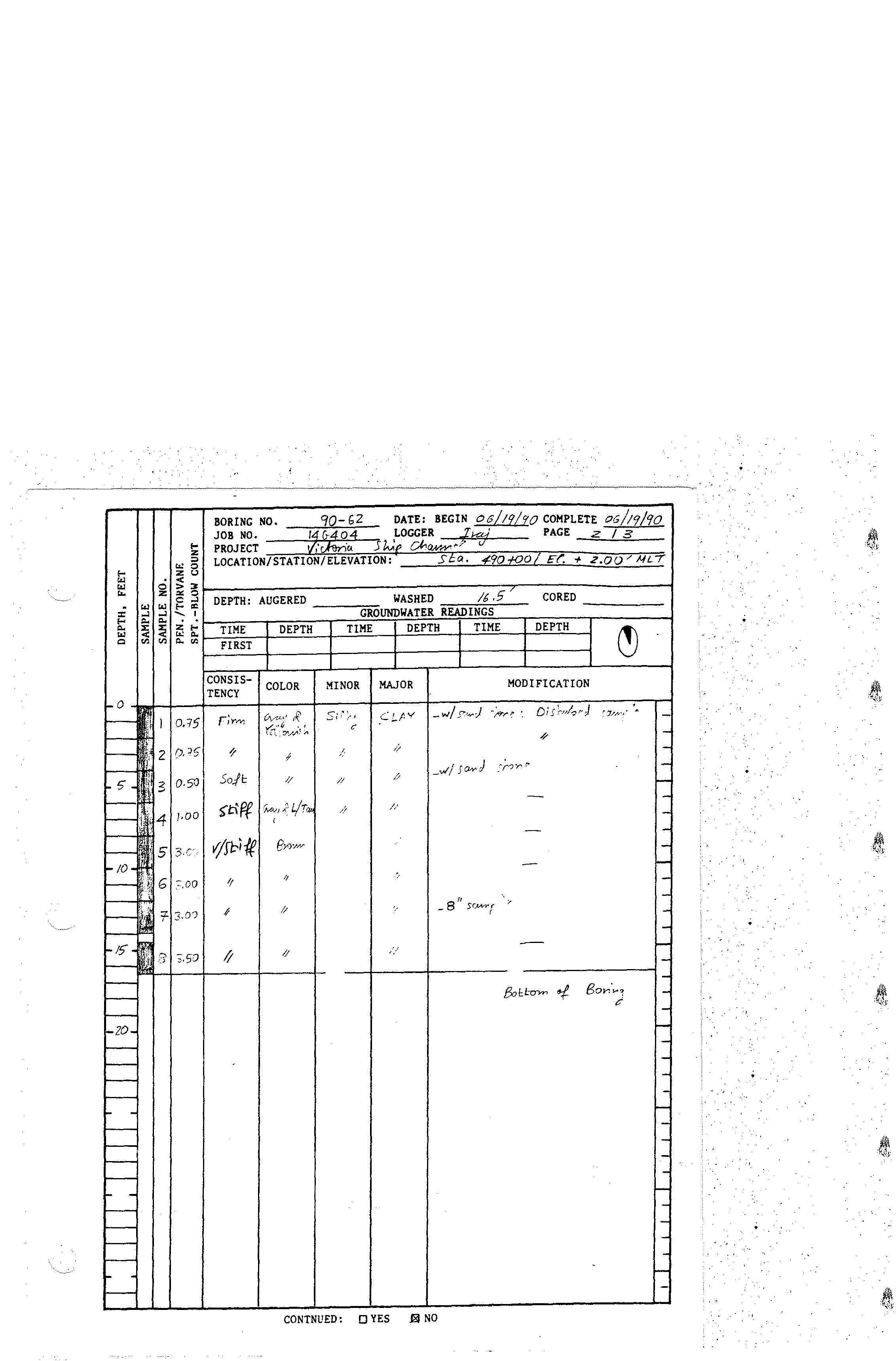
      BORING NO.
      90-
      GZ
      DATE: BEGIN
      06/19190
      COMPLETE
      06/19/90
      JOB NO.
      14&404
      LOGGER
      .jw
      PAGE
      Z
      /3
      !;;
      PROJ ECT
      0/,' f hr.'fA
      5~"
      c;t.0//'#'
      ,/
      -v
      '" 5 LOCATION/STATION/ELEVATION:
      S(;o., 490-1-00/ Et'.
      +
      2.00/
      NL-r
      E-
      zu
      '"
      0>3
      . <
      /
      ...
      z=<O
      C'
      '" '"
      ~
      ol
      DEPTH: AUGERED
      WASHED
      /6,7
      CORED _____
      :r
      ..J..J .....
      I
      GROUNDWATER READINGS
      e;
      E-
      ""
      ~ ~
      0..
      ~
      t
      TIME
      DEPTH
      TIME
      DEPTH
      TIME
      DEPTH
      ~
      Q
      '" '" 0.. '"
      FI RST
      ~~~~--~-----+-----+-----+----~
      ~~=~~S-
      COLOR
      MINOR
      MAJOR
      MODIFICATION
      ,
      ~
      0
      ,
      "J '
      ~[I
      0
      '1c
      r;y>-y;
      w
      u
      '
      tR
      St~~~,
      ,:':'/....f.
      V
      _wi
      S":'..... )
      -;9'l't:',
      D1SrHI?f~'
      r1h'"-'''
      ~
      -
      t'
      .
      J
      -/.,,,",'
      c'
      _
      P+
      (~,.~/"...,5..,
      4"-'
      ,
      ,
      1--_ 'i
      2 (), J5
      fi
      1,'/
      -,
      t'
      f
      '
      '.,
      vii sew) 'nY'"
      ..,
      I-
      5'. !i' 3
      0,50
      Sole
      1/
      /1
      ,;
      -
      H
      I---I-~
      4
      ,.00
      )t\{2f
      'M/)t./T~
      .,'
      /!
      -
      j
      I----lli"!iil'
      --
      ; j 5
      3C
      1f/:'I-I.f'
      8J"lw'
      I -
      ~/O·flr_
      I
      II
      '
      -
      1--
      ,,~.
      ""
      ",00
      r
      1--'"",,;.j"
      8 ",
      -
      '--~i".'
      -., 0')
      f
      II
      '-
      I
      -
      I
      ':'
      !
      /
      ,
      SCt+7"r
      /'
      r
      ~l
      T"')'
      ~~'
      -
      f-
      Ie"
      I"
      :7 '", "" -
      50 1/
      I'
      Ij
      ':
      "
      -
      I-
      1-_ 'I ',' ,. '
      I -
      BoH-rr>n
      1.
      Bo",'~~
      -
      c
      _
      1-20.
      I--
      I-
      I-
      -
      -
      f- -
      I-
      ,
      -
      ,
      -
      -
      -
      ~
      -
      ~
      -
      1-
      ,
      -
      -
      f-
      I--
      CONTNUED:
      0
      YES
      III NO

      alt
      Project
      CHANNEL TO VICTORIA
      SUMMARY OF LABORATORY TEST RESULTS
      VICTORIA, TEXAS
      Boring No.
      SPT
      Dry
      Wet
      Depth
      PP
      Blows
      Visual
      USC Me
      Unit
      Unit
      LL
      S#
      (ft)
      (tst)
      per
      Classification
      ("!o)
      WI
      WI
      ("!o)
      Foot
      (pet)
      locll
      1
      o -
      2
      1.00
      Light brown and
      gray,
      SILTY CLAY, stiff, with
      CL
      21.2
      sand and large calcareous nodules
      2
      2 - 4
      0.75
      Light brown and
      gray,
      SILTY CLAY, firm, with
      CL
      20.6
      sand and laras calcareous nodules
      3
      4
      - 6
      2.00
      Gray
      & brownish,
      yellow,
      SILTY CLAY,
      very
      stiff
      CL
      24.1
      101.2 125.6
      r
      with
      traces of sand & calcareous nodules, slickensided
      4
      6
      {~
      ~5
      Light brown and
      gray,
      SILTY CLAY, stiff
      CL
      22.2
      5
      8
      - 10
      3.00
      Brown, CLAY,
      very
      stiff, with silt
      partings,
      CH
      25.6
      99.4
      124.8
      slickensided
      6
      10 - 12
      3.00
      Brown, CLAY,
      very
      stiff, with
      silt
      partings,
      CH
      27.9
      slickensided
      7
      12
      - 14
      3.00
      Brown, CLAY,
      very
      stiff, with silt partings,
      CH
      29.7
      91.2
      118.3
      slickensided
      8
      14.5-16.5 3.50
      Brown, CLAY,
      very
      stiff, with
      silt
      partings,
      CH
      30.5
      slickensided
      S # : Sample Number, P P . Pocket Penetrometer Reading, USC : Unified
      ..
      SOil ClaSSification,
      ..
      Me: MOisture Content
      q u : Unconfined Compressive
      Strength, W 0 H : Weight of hammer, WOP: Weight of pipe
      48
      52
      90-62
      Mechanical Analysis
      PL
      % Passinc
      ("!o)
      #4
      #10 #40 #100
      18 100.0 99.6 99.0 98.8
      23
      100.0
      100.0 100.0 100.0
      Torvane
      Shear
      qu
      Strength
      (tst)
      #200
      Its II
      98.3
      0.79
      100.0
      0.50

      alt
      ---~--...
      ----------~~--'-~-".~---"-----
      ..
      ~--.~----~-,,-,,~,-~--~,-~,,~-.-
      ..
      ~.~--.-.--~~-~-:,...-~-----:.....-~,---,-,~~.-~-.,~----
      .,..
      C!;
      01
      "
      Z
      o
      .0
      -,
      o
      Failure Sketches
      0.8
      ~
      ~
      0.6
      "
      ~
      or
      ~
      ,,;
      ~
      ~
      0.4
      III
      .~
      ~
      ~
      "-
      0
      E
      ()
      0.2
      o
      Controlled stress
      0.0
      ~
      Controlled strain
      0
      Test No.
      Type of Specimen
      Waler conlent
      '0
      Void ratio
      ~
      Sotur<ltion
      £
      Dry
      density,
      Ib/
      cu It
      Time to failure, min
      Unconfined
      comftressive
      strength, T/sq t
      Undrained shear strength, T/sq ft
      Sensitivity ratio
      Initial specimen diameter. in.
      Initial specimen height. in.
      5
      10
      Axial Strain, S5
      1
      Undisturbed
      w,
      24.0
      ,.
      <0
      S.
      ,.
      1'.
      101.2
      t.
      2.42
      q,
      .79
      S,
      AD
      S.
      0.
      2.825
      H,
      5.590
      '"
      '"
      EM
      1110~2-1906
      Appendix XI
      30 Nov 70
      15
      20
      '"
      ,.
      ,.
      ,.
      Clossification
      Gray and yellowish brown. CLAY, very stiff, with sand and calcareous nodules, S
      LL
      48
      Remarks
      ENG FORM 3659
      1 JUN 6S
      I PL
      18
      I PI
      30
      JG.
      Project
      CHANNEL TO VICTORIA, TEXAS
      .
      Are,
      Channel to Victorio in San Antonio Boy. Texas
      Boring No.
      90-62
      Somple No.
      3
      Depth
      EI
      4-6
      It
      Dote
      8/1/90
      UNCONFINED COMPRESSION TEST REPORT
      -
      --
      -
      --
      PLATE XI-2
      Ceotest Engineering. Inc.
      PLATE

      alt
      .r'
      01
      ..,.
      (1;
      z
      o
      -"
      -,