1. u.s. ARMY CORPS OF ENGINEERS
      2. GEOTECHNICAL BORING DATA

      alt
      ~--
      .----~-- -"----------.-"~
      ..-----.--.-
      .-.-~-~----'"
      ,,,.,,-,-----
      ·~--~·~-,-~_~_~~_·"·~~,_··_~_~_k
      u.s. ARMY CORPS OF ENGINEERS
      GEOTECHNICAL BORING DATA
      PROJECT NAME
      t/~/I'a
      J~'.P
      C1t
      fMmt
      f
      i
      LOG
      OF BORING NO.
      90-60
      LOCATION/STATION
      460
      tOO
      DATE/TIME STARTED
      /
      :
      ,~
      (}5/8,1':,)
      tY
      4:45 1'''''
      DATE/TIME COMPLETED
      1
      {I
      2: 7:;- /(
      TIDE ELEVATION
      I 7.9J
      WATER DEPTH
      -f
      IO,O()
      DEPTH FROM WATER SURFACE
      /
      TO BOTTOM OF BORING
      2:7,50
      WEATHER
      (t4.w=
      f
      fU#V'/Z.<'f
      ('I'
      DRILL RIG MANUFACTURE
      MODEL NO.
      C
      F
      -
      S
      MLT DATUM
      -
      -7
      'C'-->.
      ....
      -.~
      ,...
      Otmf!"'t('./~'?-
      DRILLER
      In-~
      .
      If
      1/1) '>'(A""
      _:(.-" /
      LCQ3EfI
      v
      DRILLER'S/ LOGGER'S COMMENTS
      _______________
      Page_I_/~
      fj,!-.4f
      I
      t
      "
      ,
      ,
      ,

      alt
      !-o
      z
      ::>
      !-o
      '"
      ZU
      0
      '"
      .<
      '"
      ....
      o
      z
      >
      '"
      ;J:
      0
      c ..J
      .
      '"
      '" !-o '"
      :r
      ..J
      ..J .....
      I
      E-<
      ""
      ""
      ""
      ~
      ~
      Z
      E-<
      '"
      Q
      "'''"
      '"
      til Il.. tr.;
      1-0
      ,
      /.00
      ..
      ~
      I
      ,
      :1
      ';' 2
      a
      J
      5
      I- .>
      If
      - 'C
      .J. - ,-
      Wi 4
      /,00
      "'S 1.00
      f-/D.
      ~
      /. a'J
      ~0
      .r
      <.0-..:....-.
      I
      ~
      3.00
      T
      ,I-
      I-
      6.
      til
      B
      3.5)
      :,.'
      cr
      ::.5J
      1-
      70
      1-2'5".
      '- -
      l-
      .
      ••_____''''__
      ' •____
      " _ .._.__
      ~
      ..
      ~
      ____
      ~.
      ___
      ~_.~.~~~
      _____
      ~~,.~~".~.~
      .•
      _.~,~.~~_'
      _'_,,_'
      __
      .~
      ...
      ~"""._'A_~'
      ___'
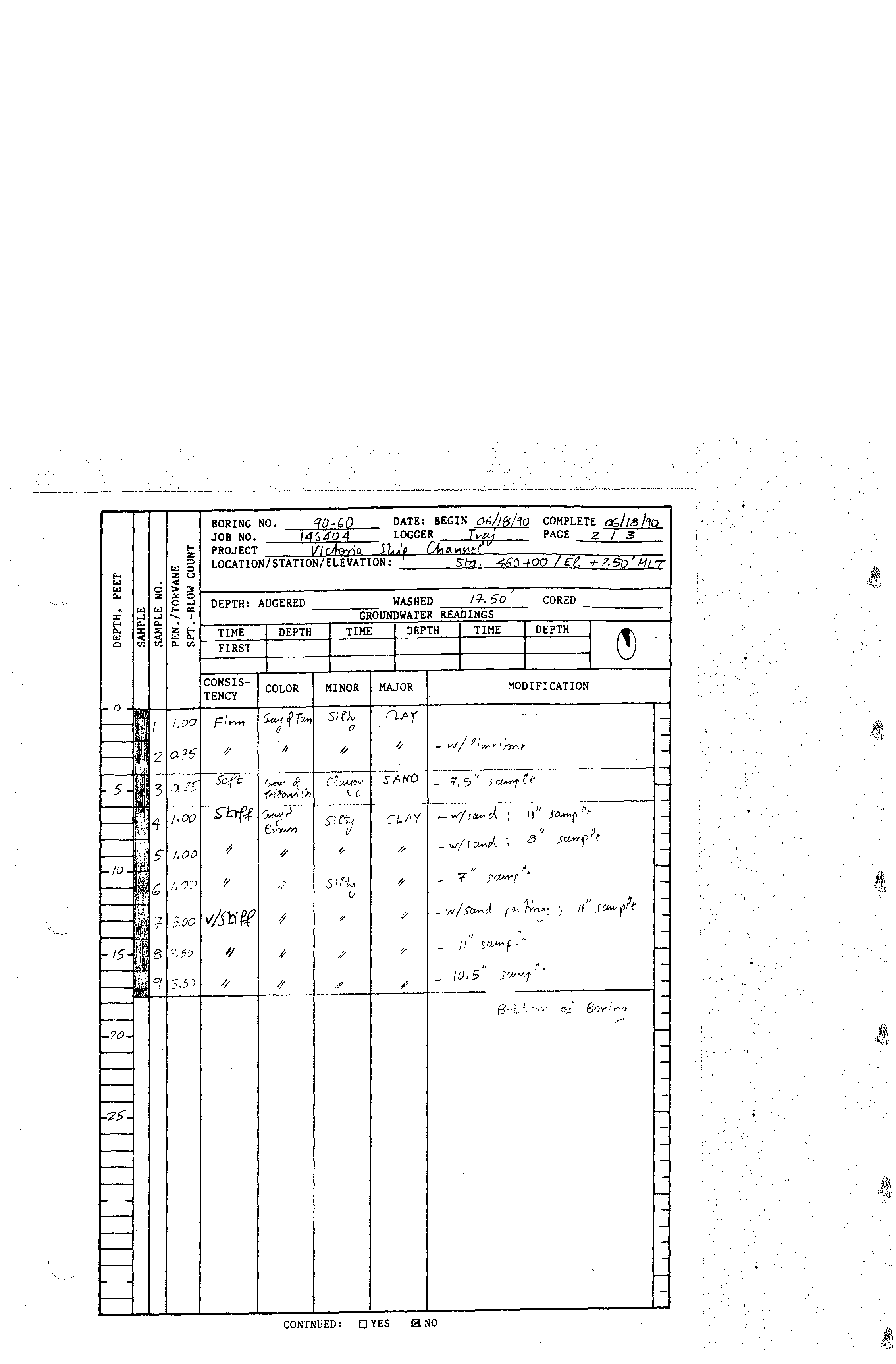
      BORING NO.
      qO-bQ
      DATE:
      BEGIN
      061J8/10
      COMPLETE
      06/J13
      L~o
      JOB NO.
      146-if04
      LOGGER
      T~
      PAGE
      Z / 3
      PROJECT
      IIi
      ,.(... ,
      "S1..'D
      LA.,/.1t", ..;;;--
      LOCATION/STATION/ELEVATION:
      '
      slzJ,
      "4t;(1 -1.0(")"
      /
      £1.
      +-
      1.50
      HL
      7'
      DEPTH: AUGERED
      WASHED
      /:;'.50
      CORED
      GROUNDWATER READINGS
      TIME
      DEPTH
      TIME
      DEPTH
      TIME
      DEPTH
      FIRST
      ~
      CONSIS-
      COLOR
      MINOR
      MAJOR
      MODIFICATION
      TENCY
      (LA,
      F,'VW!
      ~
      fTC<NJ
      Sie~
      -
      -
      (
      ~
      -
      / f'
      ,
      1/
      It
      ~
      - VII
      "W)9".'}"!!'Y"'l(':
      -
      -----.--.--
      -"-'"
      -
      Soft
      ~v/
      R
      C?:v...{O<.J
      S
      AtrO
      _ 7-. ':,"
      s
      ClAA>f
      I't
      -
      '(d~I>W"!
      ),
      li ('
      "
      ~hf.,f ~:""/
      ----
      .. ----,--
      .
      -.------ --- -
      -
      -,---_..
      -
      J
      - - - --
      -,,-
      --.
      II
      - --- --_._
      !'
      .
      -
      (
      5'.
      fTj
      Cl..I>Y
      _ wiJOM
      ;
      "
      sa..,p
      , '
      -
      6Y>'-m
      U
      /1
      P
      -
      ?
      9-
      f.'
      4-
      _ w/ f /M"\',
      8
      5UWf t
      1-
      II
      "I
      I-
      (/
      "
      Sir~
      ~
      _ -:r
      fctN'~
      r •
      1-
      "
      U
      ,1 •
      1/'1
      JCJoM It
      -
      v/Sb'ff
      1
      ,i'
      t?
      _wl>ewoJ
      f)/"
      (Yyt:-~
      :,
      -
      "
      "
      -
      If
      f
      ,}-
      ,..
      -
      ! !
      S!hW'
      P
      ,
      >
      I-
      ..
      "
      1-
      10.5
      S'./I
      M
      1
      '
      ,
      /.I
      1/
      ~
      -
      -
      /
      '---.'
      -
      ---
      g,,:
      !
      ,'--,-','1
      "
      6',)
      'r ,,"
      y,
      ~I
      -
      ~.
      "I.. -
      "-
      -
      ,~
      f--
      I-
      I-
      -
      -
      '-
      -
      -
      -
      -
      I-
      -
      ;-
      -
      "
      "
      I-
      -
      - ----
      CONTNUED:
      0 YES
      13 NO
      "
      ,
      .
      ,
      ,

      alt
      alt
      Project
      CHANNEL TO VICTORIA
      SUMMARY OF LABORATORY TEST RESULTS
      VICTORIA, TEXAS
      Boring No.
      SPT
      Dry
      Wet
      Depth
      PP
      Blows
      Visual
      USC Me
      Unit
      Unit
      LL
      S#
      (It)
      (tsl)
      per
      Classification
      ("!o)
      Wt
      WI
      ("!o)
      r
      Foot
      (pcf)
      (pel)
      1
      o
      1
      2
      1.00
      Gray, SANDY CLAY, stiff
      CL
      26.9
      ~
      2
      2~
      1.50
      Bluish green, CLAY, stiff, with
      silt, traces of
      CH
      33.4
      86.1
      114.8
      sand and calcareous nodules
      3
      4W-
      .
      Yellowish brown, light green and dark gray, SILTY
      SM
      SAND very loose with clay
      4
      6
      • 8
      2.00
      Gray and brownish yellow, SILTY CLAY, stiff,
      CL
      19.4
      with
      large sand pockets
      5
      8
      • 10
      1.50
      Gray and yellowish brown, SANDY CLAY, stiff,
      CL
      21.1
      106.3 128.8
      f'-,
      with silt and calcareous nodules
      6
      10~
      2.00
      Gray and brown, SILTY CLAY, stiff, with
      CL
      21.7
      calcareous nodules
      7
      12
      • 14
      3.75
      Gray and brown, CLAY, very stiff, with silt
      CH
      17.4
      partings
      .
      8
      14
      • 16
      4.50
      Brown, CLAY, hard, with silt partings,
      slickensidec
      CH
      20.4
      106.7 128.5
      9
      16
      • 17.5
      4.50
      Brown, CLAY, hard, with silt partings
      CH
      19.1
      S
      # :
      Sample Number, P P : Pocket Penetrometer Reading, USC: Unified
      "
      SOIl Classification,
      "
      M c : MOisture Content
      q u : Unconfined Compressive Strength, W
      0
      H : Weight of hammer, WOP: Weight of pipe
      55
      25
      55
      90.60
      Mechanical Analysis
      PL
      % Passing
      ("!o)
      #4
      #10 #40 #100
      22
      100.0 100.0 99.6 99.1
      99.9 99.8
      99.6
      93.1
      16
      99.9 99.8 99.4 96.8
      20 100.0
      100.0
      100.0
      100.0
      Torvane
      Shear
      qu
      Strength
      (tsf)
      #200
      (tsl)
      93.6
      0.33
      30.4
      67.1
      0.10
      100.0
      1.45

      alt
      alt
      Project
      CHANNEL TO VICTORIA
      SUMMARY OF LABORATORY TEST RESULTS
      VICTORIA, TEXAS
      Boring No.
      SPT
      Dry
      Wet
      Depth
      PP
      Blows
      Visual
      USC
      Mc
      Unit
      Unit
      LL
      S#
      (It )
      (tsf)
      per
      Classification
      (%)
      WI
      WI
      (%)
      Foot
      (ocf)
      (ocf)
      1
      o -
      2
      1.00
      Gray, SANDY CLAY, stiff
      CL
      26.9
      2
      2
      - 4
      1.50
      Bluish green, CLAY, stiff, with silt, traces of
      CH
      33.4
      86.1
      114.8
      sand and calcareous nodules
      .
      3
      4.6
      -
      Yellowish brown, light green and dark gray, SILTY
      SM
      SAND
      with clay
      4
      6.8
      2.00
      Gray and brownish yellow, SILTY CLAY, stiff,
      CL
      19.4
      with large sand pockets
      5
      8
      - 10
      1.50
      Gray and yellowish brown, SANDY CLAY, stiff,
      CL
      21.1
      106.3
      128.8
      with silt and calcareous nodules
      6
      10 - 12
      2.00
      Gray and brown, SILTY CLAY, stiff, with
      CL
      21.7
      calcareous nodules
      7
      12 . 14
      3.75
      Gray and brown, CLAY,
      very
      stiff, with silt
      CH
      17.4
      Ipartings
      8
      14
      - 16
      4.50
      Brown,
      CLAY, hard, with silt partings
      CH
      20.4
      106.7 128.5
      9
      16
      - 17.5 4.50
      Brown,
      CLAY, hard, with silt partings
      CH
      19.1
      S # : Sample Number, P P : Pocket Penetrometer Reading, USC . Unified
      ..
      SOIl Classification,
      ..
      M c . MOisture Content
      q u : Unconfined Compressive Strength, W
      0
      H : Weight of hammer, WOP: Weight of pipe
      55
      25
      55
      90-60
      Mechanical Analysis
      PL
      % Passing
      (%)
      #4
      #10 #40
      #100
      22
      100.0
      100.0
      99.6
      99.1
      99.9 99.8 99.6
      93.1
      16 99.9 99.8
      99.4
      96.8
      20 100.0 100.0 100.0 100.0
      I, .
      Torvane
      Shear
      qu
      Strength
      (tsf)
      #200
      (IsO
      1
      93.6
      0.33
      30.4
      ..e
      Y
      )"
      I'
      ">",,, .
      67.1
      0.10
      /
      ~
      /
      J
      l/
      100.0
      1.45

      alt
      ....
      ;f
      ~:
      .;
      z
      -"
      -,
      o
      ""__"___
      ~
      __._,,___,,__
      ._~_.
      __
      ~
      _____
      ~_::..-.
      ..
      ~,,_,,~,.~~_w~_,
      ..
      ~_._m.'.
      __
      ~_">""_"~~,_~".~~'_.~
      ___
      "~,,_~.~
      __
      ~~~
      __
      o"_~>' '~~
      __
      '_.'~_'_"'''~_'~'~_m
      __
      .~'
      Failure Sketches
      0.4
      0
      0.3
      .,
      <T
      ~
      ~
      ,.;
      0
      v
      ~
      0.2
      .~
      ~
      a.
      0
      v
      E
      0
      ()
      0.1
      o
      Controlled stress
      0.0
      ~
      Controlled strain
      0
      Test No.
      Type of Specimen
      Waler content
      ]
      Void rotio
      :f
      Saturation
      Dry
      density.
      Ib/
      cu
      It
      Time to failure. min
      Unconfined comftressille
      strength. T/sq t
      Undrained shear strength, T/sq
      ft
      Sensitivity r<ltia
      initial specimen diameter, in.
      Initial specimen
      hei9hl.
      in.
      5
      Wo
      eo
      50
      r.
      ~
      q.
      S.
      S.
      Do
      Ho
      10
      Axial Strain,
      ~
      1
      Undisturbed
      33.4
      It
      It
      86.1
      3.62
      .33
      .17
      2.825
      5.590
      ,.
      ,.
      EM 1110-2-1906
      Appendix XI
      30 Nov 70
      15
      20
      I
      ,.
      It
      :
      It
      It
      I
      I
      Classification
      Bluish green, Silty CLAY, stiff, with sand and calcareous nodules
      LL
      55
      Remarks
      ENG FORM 3659
      1 JUN 65
      I PL
      22
      I PI
      33
      I
      G.
      !
      Project
      CHANNEL TO VICTORIA.
      TEXAS
      Area
      Channel to Victoria in San Antonio Bay. Texas
      Boring No.
      90=£0-
      /
      Sample No.
      2
      Depth
      (/
      2-4 ft
      Date
      8/1/90
      EI
      \
      -"
      UNCONFINED COMPRESSION TEST REPORT
      PLATE XI-2
      Geotest Engineering. Inc.
      PLATE

      alt
      "C-.~O~'W"'~'~~~.
      '"
      a
      '"
      ..,.
      Cl
      Z
      o
      .0
      -,
      o
      -~_'_'-c~c-'~.
      _._.
      ~'
      __
      '.c~cc~c,_~·~c~
      ••••_._,_,,__
      ._.•
      _~'_-'.---_._
      ••"._
      Failure Sketches
      0.16
      ~
      0.12
      '"
      <T
      m
      ;::,.
      ,;
      m
      ~
      0.08
      'm
      ~
      ~
      "-
      E
      0
      0
      0.04
      o
      Controlled stress
      0.00
      ~
      Controlled strain
      0
      Test No.
      Type of Specimen
      Waler content
      '0
      Void ratio
      ~
      SolurCltion
      Dry density, Ib/cu It
      Time to failure, min
      Unconfined
      comftreSSiVfi
      strength, T/sq t
      Undrained shear strength, T/sq
      ft
      Sensitivity ratio
      Initiol specimen diameter, in.
      Initial specimen height, in.
      5
      10
      Axial Stroin,
      ~
      1
      Undisturbed
      w,
      21.1
      ,.
      eo
      So
      ,.
      1',
      106.3
      ~
      1.33
      q.
      .10
      S.
      .05
      S,
      Do