1. u.s. ARMY CORPS OF ENGINEERS
      2. GEOTECHNICAL BORING DATA

      alt
      , "------
      '.~
      _._.._..
      ~_.
      ___._.__
      ".~_O<.
      ______.__
      ._~
      ___
      <~._".
      __
      .~"
      __
      "'"'~_"'~_~''''-.
      ______
      "_.",_~~
      ___.__. __
      ~n~w.'~'
      __
      ~<~'"~_~~.
      ___
      ~~
      u.s. ARMY CORPS OF ENGINEERS
      GEOTECHNICAL BORING DATA
      Yt'd-'
      r.'
      I
      ('/
      /J
      PROJECT NAME
      one
      -'
      "/!~
      ,
      !.MrZwne-
      LOG OF BORING
      NO.
      90- 59
      LOCATION/STATION
      445 +
      00
      g~
      DATE/TIME STARTED
      C;;')g
      ":1
      ';?
      3:45
      I
      Pm
      DATE/TIME COMPLETED
      h
      ,t
      4.' 35
      II
      TIDE ELEVATION
      ..: ':',5
      J
      MLT DATUM
      WATER DEPTH
      "3.50
      -II
      DEPTH FROM WATER SURFACE
      I
      TO BOTTOM OF BORING
      ;?
      ;~',
      SO
      rl?
      1
      WEATHER
      .~
      (r;;vy'
      r;,I'
      .
      '////'/:Y
      :;".,-
      DRILL RIG MANUFACTURE
      MODEL
      NO.
      CF
      -;;
      r
      DRILLER
      /)tmp/r-"
      .J<;v/;,-:
      l.CG?ffi
      froJ,,'/
      I
      do
      r
      !cUM
      a..
      1
      J
      DRILLER'S/ LOGGER'S COMMENTS
      _____
      -==---________
      Page_/_/~
      ,
      I
      ,
      ,
      ,
      ..

      alt
      _~."_
      ...._,__,,___
      ~"."."'_'_'_"_
      ..____
      .~~"
      ..___
      .~~._.~~~
      ___,,__
      ~._u,,~
      __
      ~.
      __
      .~_,_><~~,,~"_~."_ ,,_~~~"m~~~_'~~._~~'"
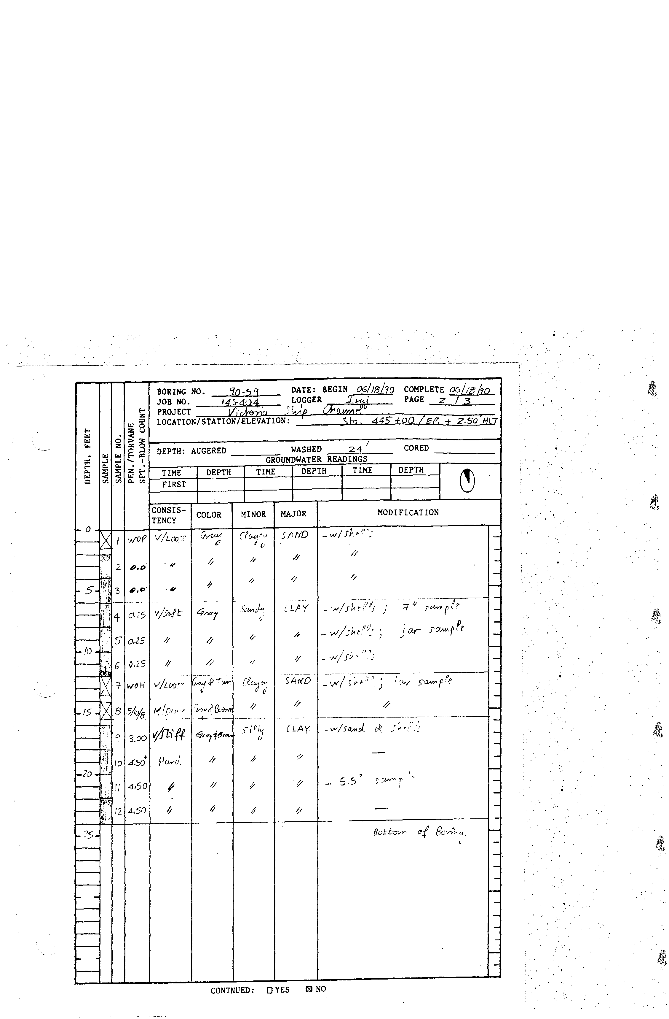
      BORING NO.
      'lO-59
      DATE: BEGIN
      OG/JShO
      COMPLETE
      00/18/90
      JOB NO.
      14G-r:a;;,
      ,TO,GGER
      .T~'
      PAGE
      Z. /
      3
      PROJECTl!i'
      (I
      ;,
      >'"'
      (fin
      LOCATION/STATION/ELEVATION:
      f
      1i:
      44~+oQ
      ,
      lEe:
      -t 2.$O'/:1l7
      ,..
      z
      r.:.:o
      ::>
      ,..
      z u
      '"
      <
      '"
      0
      >3
      r..
      z
      C...l
      "'0
      ::r:
      '"
      '"
      ,..'"
      ...l
      -'
      .....
      I
      DEPTH: AUGERED
      WASHED
      241
      CORED
      I
      GROUNDWATER READINGS
      ,..
      c..
      c..
      0..
      :r
      ~
      z ,..
      '"
      <
      ~Q.,
      Q
      0r-
      en
      0..
      or-
      TIME
      1
      DEPTH
      1
      TIME
      I
      DEPTH
      TIME
      DEPTH
      ~
      FIRST
      I
      1
      1
      --
      ~
      l--___
      t' ,
      21
      0.0'1
      -
      q
      ti'!:
      //
      I- 5
      ..
      V~
      3
      1
      ~.I>'
      . Ii'
      ~
      r"""j..
      "
      V/J<>/t
      0/,41
      ,
      ~';
      I
      li';.;14 10.:5
      l'
      /;
      'l
      /f
      (e'd~~
      v
      q
      ~ ~
      V /UJO'"
      >""" f
      T"""
      <J
      .
      I-----¥"'. b 10.25
      f/
      1----I=-J8.
      ~5~cv8-0!
      0'
      ,,'
      I~/~',) 6,~
      /---l.,
      0,
      13.0ol~!b'#
      &1,.,
      id'l
      5-
      if
      ~
      .. ;!
      ~-I:
      Ii
      11014.50+
      -Zo
      ..
      j.J
      ().v"j
      /,!
      .1
      1---1". Uj4.S0j
      f
      J;
      .f
      I;
      1/
      j
      i'
      1-75-
      - -l
      ~
      I
      ij
      CLAY
      H
      l'
      //
      _#i~htifJ
      ;
      1_V//Jht!11; )
      i
      r'
      ,-''1
      ,
      1_
      w/_'"
      ----,--------
      "7
      I/-'~;;'flr
      j Or
      J{NoMfft
      ~,
      S4t(O
      I
      /
      1
      ~J
      '1 •
      VI
      r:.
      yo'"
      ,
      - ,<)
      l
      ~
      /I
      '";'/
      S'cwY'
      f'-"
      //
      #{
      CLAy
      - w/Sf#>J.
      ~
      r-hr./',:'(
      ,.J~'
      _
      --
      ;/
      ~
      "
      -:/'
      I --
      5.<;
      s~"'r
      --
      I
      (.I
      Bocf=..,-,
      o-;f
      8oY':""~
      (
      ~
      --.
      I
      -,.
      --
      I':
      ~
      CONTNUED:
      0 YES
      ~
      NO
      .' ,',

      alt
      Project
      CHANNEL TO VICTORIA
      SUMMARY OF LABORATORY TEST RESULTS
      VICTORIA, TEXAS
      Boring No.
      SPT
      Dry
      Wet
      Depth
      PP
      Blows
      Visual
      USC
      Mc
      Unit
      Unit
      LL
      S#
      ( It)
      (tsl)
      per
      Classification
      (%)
      Wt
      Wt
      (%)
      Foot
      (pcf)
      (pcf)
      1
      o -
      1.5
      WOP Gray, SILTY SAND, very loose, with shell
      SM
      fraoments
      2
      2 - 4
      Gray,
      SILTY SAND, very loose, with clay and shell
      SM
      24.4
      "
      fraoments
      3
      4t;.1
      Gray, SILTY SAND, very loose, with clay and shell
      SM
      fragments
      4
      S~
      !.-.
      0.25
      Bluish green, SILTY CLAY, soft, with
      calcareous nodules and shell fraaments
      CL
      22.7 101.4 124.5
      5
      8 - 10
      Gray, SILTY SAND, very loose, with clay and shell
      SM
      25.4
      fraoments
      S
      10 - 12
      Brown, bluisn green and dark gray, CLAYEY SILTY
      SM
      20.S
      r----
      SAND very loose, with shell fraoments
      7
      12~
      WOH Brown, SILTY SAND, very loose, with clay and
      SM
      25.8
      shell fragments