alt
    ""-~'
    U.S.
    ARMY CORPS OF ENGINEERS
    GEOTECHNICAL BORING DATA
    PROJECT NAME
    V,'rJcoy,'
    ()
    S
    lv,
    p
    aClhm r:
    P
    ,
    LOG OF BORING
    NO.
    q:.J
    -5 6
    LOCATION/STATION
    385
    +
    00
    DATE/TIME STARTED
    06/JS/crO)
    J/:
    15
    <ZM?
    DATE/TIME COMPLETED
    l'
    //
    IL',55
    U
    I
    TIDE ELEVATION
    +
    2.50
    MLT DATUM
    I
    WATER DEPTH
    4,9J
    -'-2-
    DEPTH
    FROM
    WATER SURFACE
    )
    TO
    BOTTOM OF BORING
    27.
    50
    WEATHER
    /lrtuM1
    #
    (0;;4
    '"
    DRILL RIG MANUFACTURE
    MODEL
    NO.
    CF-S
    DRILLER
    OJ:;:''UJ:h;;j
    LD3lffi
    DRILLER'S/ LOGGER'S COMMENTS
    _______________
    Page-L
    J~
    /3,t"A-/
    I
    r
    .
    ,

    alt
    "--
    ...._...__._____._._..____..__-'--....____
    ~.o<~.~.~.
    __._,__
    ....:._.~_."_
    ..
    _,~"_,~_._w~~,
    __
    ~_·
    __
    _
    "~.~~_"';_._;_
    .
    .r~
    •• o___
    c_~~~_'"'-~,~_,~~
    ____
    .~
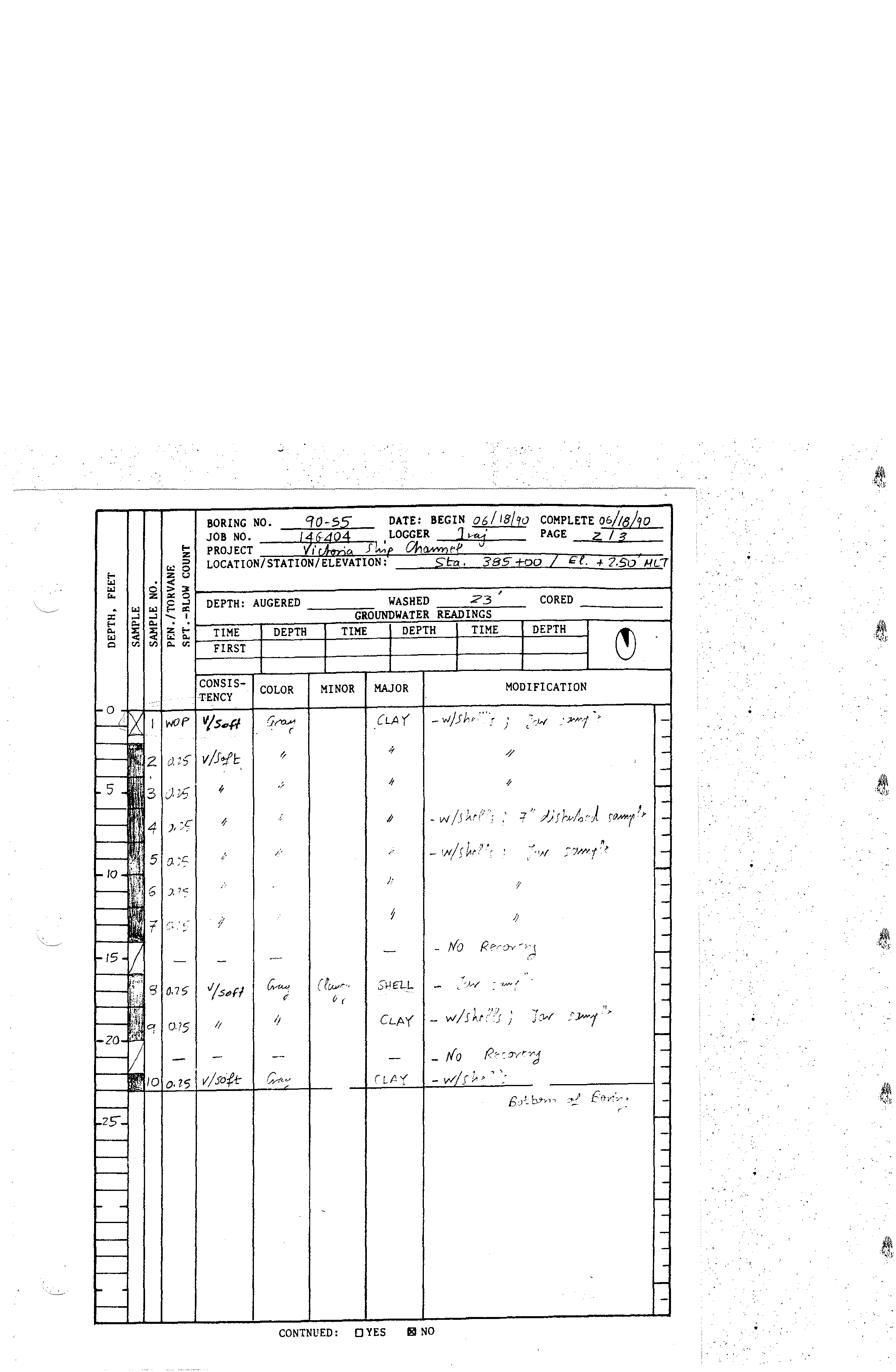
    BORING NO.
    '10-55
    DATE: BEGIN
    06/ i8!?rJ
    COMPLETE
    06/18/90
    JOB NO.
    1~G-404
    0 LOGGER
    1
    "'t/'
    PAGE
    Z. /3
    PROJECT
    ,..;]."
    tM
    I"
    LOCATION/STATION/ELEVATION:
    t-a..
    3'B5
    +00
    ". +
    1050
    Ml7
    !-
    Z
    ::>
    !-
    '"
    zu
    0
    '"
    <
    '"
    0
    >:>:
    ....
    z
    :>:0
    C -'
    ;c
    '"
    -'
    '"
    -'
    ......
    !- '"
    I
    ,
    WASHED
    23
    lOrn
    RF..AnINC:~
    DEPTH:
    AUGERED
    CORED _____
    !-
    o..
    o..
    ""
    :r
    ~
    Z!-
    '"
    <
    :...: c..
    c
    cr. til
    "" '"
    TIME
    IJt::I'TH
    FIRST
    TIME
    I
    DEPTH
    I
    TIME
    IEPH
    (!)
    CONSIS-
    I
    COLOR
    MODIFICATION
    r'I'ENCY
    ~
    .. I I
    woP
    I
    "IS~fi
    r;",...,
    r
    MINOR
    I
    MAJOR
    CLA
    '(
    -;
    - w)Sh,. .. ..:
    ,
    ..
    J'
    P'~f"l
    >-
    I-
    rW
    cJ.2:71 V
    /Joj'c
    1-
    l'
    ,
    ,/
    It
    -1
    II
    v/soP;:
    ~Z5"_
    f-
    -
    ~
    -
    /'
    e-
    11
    /J
    Crtt.....
    (tI-W"
    V (
    tJ
    ;-
    /!
    1
    s-~aL
    (Lf'.
    '(
    (U'.
    '{
    I
    liJM"1' >
    I'
    '.
    "
    j'
    I
    J I
    - vi
    .J
    ;<ri';
    :r' 7.JJrk";':'ft
    !
    J
    .,.
    -V'~St,1f;";
    ,
    " .ft/
    _.
    "
    ~
    )//'/.1'"
    t
    !;
    - No
    t<f'rcJy
    "'j
    ,~
    ,
    ~
    '':).''''/
    ~
    'f",,';
    /"
    /
    1
    "",:'"'f'
    't
    '.'J_t"'r
    :..... /1'"1.........
    _ vv
    "
    .J
    j
    J
    ,_vv
    "
    y'
    1.'
    _ No
    p",
    :r,rrJ
    ,j'
    .'
    - v/j J!-"
    .
    _
    r
    .
    CONTNUED:
    0
    YES
    ~
    NO
    ,
    ,
    -
    I-
    f-
    ~
    1=
    ~
    .

    alt
    Project
    CHANNEL TO VICTORIA
    SUMMARY OF LABORATORY TEST RESULTS
    VICTORIA, TEXAS
    Boring No,
    SPT
    Dry
    Wet
    Depth
    PP
    Blows
    Visual
    USC
    Me
    Unit
    Unit
    LL
    S#
    (ft )
    (tsf)
    per
    Classification
    (%)
    WI
    WI
    (%)
    Foot
    (pet)
    (pet)
    1
    o - 1.5
    WOP
    Gray, SANDY CLAY, very soft, with shell
    CL
    64.1
    fragments
    2
    2 -4
    0.25
    Gray, SANDY CLAY, very soft, with shell
    CL
    57.1
    fragments
    3
    4 - 6
    0.25
    Gay, SANDY CLAY, very soft, with shell
    CL
    57.8
    £")
    fragments
    4
    6:;0
    ~25
    Gray, SANDY CLAY, very soft, with shell
    CL
    40.8
    fraaments
    5
    8
    ~~/
    1ft.25
    Gray, CLAYEY SAND, with shell fragments
    SC
    41.3
    6