alt
    "---"--,-~-~--~--~--,:"",,,,,,-~---,----~
    •.
    -~-.-"~ .,_,_~._'~
    __
    n.~~m"""';.,_,;;.:..
    ___
    ,~~",~,"";""",~,=,."=~.,",,~~~~~~~_,~ ~~">,"'~m~='_'~~~':';"'m~=m'~~~~_'
    ...&~=«:'====-=.="m=--.".,.~="='m_¥:~~_
    '-----./
    u.s. ARMY CORPS OF ENGINEERS
    GEOTECHNICAL BORING DATA
    /3~t'
    PROJECT NAME
    Vi vb
    vi
    ct
    S~jt'
    OM.lI':~
    ,")
    LOG OF BORING
    NO.
    era
    -Lj
    S
    LOCATION/STATION
    235 -1-')0
    "
    '\
    -'
    i
    1"/'"'.
    ~J
    DATE !TIME STARTED
    =
    DATE!TIME COMPLETED
    "
    TIDE ELEVATION
    -'
    ~.
    00
    J
    WATER DEPTH
    ..,
    ,
    ,Co.
    ./
    DEPTH FROM WATER SURFACE
    /
    TO BOTTOM OF BORING
    2 :::. ? ':;;'
    ~
    '/
    " 1./.
    I
    WEATHER
    C,J/;,('
    ~'
    V"r11C1",u
    {
    DRILL RIG MANUFACTURE
    -F
    r:
    MODEL
    NO.
    .
    ~
    ::;
    DRILLER
    0('Y'd
    '. ,,';
    h.
    ': '
    ~:HI
    rYl'
    I
    '
    I'.
    I
    '
    ':"
    {;(
    7
    C}1.'1I'.A
    J
    ::f:rJr)
    )//'/1
    :0:
    00
    II
    MLT DATUM
    -
    7J
    -;
    \"'''~~.
    rt-
    I
    .JL...-.J
    DRILLER'S! LOGGER'S COMMENTS
    _______________
    Page_!_
    !-.:L
    ,
    I
    .

    alt
    alt
    '--'
    ~
    ___
    ,~.
    __
    ~
    _____
    ·_.~_,~~.u~~~,,=~~~=-.~,,~=~"U~""
    __
    ~~_._"~,,:,:<~~<_~~~.~._~=~,~~_."'-~=~~_"""",,~=_=.~=~~==~""===
    ..
    ~'''~<~,_
    ,
    ,
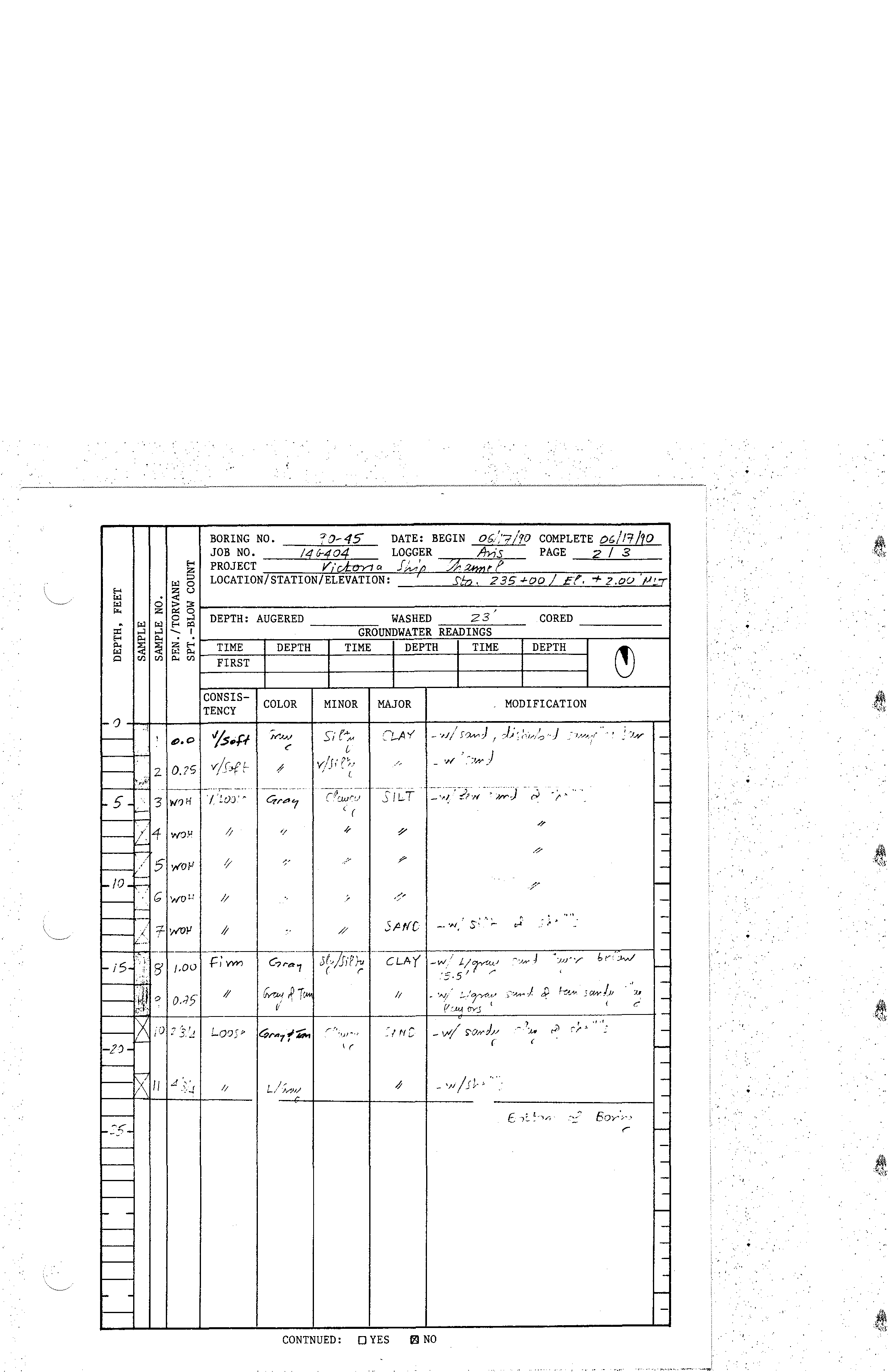
    BORING NO.
    '{O-45
    DATE: BEGIN
    Ob,:?!1D
    COMPLETE
    06/1'7110
    JOB NO.
    146-404
    LOGGER
    A-n's
    PROJECT
    V'/cd;p-yt a
    fJv,'p
    /J.
    2fmt e
    LOCATION/STATION/ELEVATION:/
    S'm,
    235
    -1-00 IE!,
    -+
    2.00 'p,.,..
    PAGE
    2
    /
    3
    ...
    ::>
    z
    '" 0
    DEPTH: AUGERED
    WASHED
    23
    CORED
    GROUNDWATER READINGS
    TIME
    I
    DEPTH
    TIME
    I
    DEPTH
    I
    TIME
    DEPTH
    ~
    FIRST
    I
    I
    I
    I
    I
    I
    ...
    Z
    U
    '"
    0
    ~;3
    '"'
    Z
    O,..J
    ":0
    ...
    :I:
    I,..J
    '" '"
    ,..J --
    ... '"
    I
    ""
    ""
    ~ ~
    ""
    in::
    .
    '"
    <=>
    C/l
    tI)
    Il.; CI:I
    CONSIS-
    COLOR
    MINOR
    MAJOR
    MODIFICATION
    TENCY
    5:' f'"
    !
    J
    J"
    "is,;;!
    N""".'
    I • '"
    :--L-A
    Y
    _ "1.1/
    .r~,
    I
    ~-,J; ;~i//~·J
    ,--I-'/~_.r"
    .,
    :)4
    C
    [
    V/i>ff-
    /r' "
    /.
    _ ..,.,
    -'.'":lh)
    f
    ~/_'
    C'/
    (
    -
    f-----t-;:U)~~
    <4N''1
    -'r~r~~/
    ( (
    SILT
    =~!~-~-!;"
    -.
    ~;;)
    0>
    .~.
    l=:
    #-
    ~
    q
    I,-
    '/
    ~
    ,-?
    ~
    0'
    .,''''
    Y'
    /"'
    1/
    ;.
    ,;,
    //
    jl'ffC
    -- .,.,
    S:
    ,.;
    ,
    '
    /;
    L
    -.-;::-;-~t--...,-----,---:;----c--~~
    _y./,-/ Llr
    Aj
    ~:)
    ....... J
    ":I.Jf'r
    b{':'~
    :=-5'
    /"
    F,'
    '(W)
    C'?""i
    1
    s~~/JiP~1
    CLAY
    11 I +-
    l
    (h';
    ~J
    '
    /. 4'
    '~y,
    JCW!"
    :
    I
    =
    ~
    HS4i~ ~:;
    4'
    ~
    fi-
    ify7Pf
    1
    1C«4
    If
    ,",I"
    i,
    j81
    i
    'l;"1
    !
    de
    1 -I
    r"
    ~'.'l""'.}
    ;
    ~~Y.l'
    .5
    !NY II)
    _v/I )'O,.,.fp
    (
    )
    ,
    d.'
    :! '"
    C
    ,
    -,,~_
    -0'))
    t4rA1f""'"
    ")}~.'
    -2)
    '(
    .....
    ,,1
    ;-
    /'
    '"
    (
    I--D\III
    A "
    -"\ r
    ,~
    /1
    ,
    J~
    ~
    J ,
    1-/
    ';-'",1))/
    ~
    r,
    .
    I -
    c
    I-
    E.
    .,:.
    :·~A
    60,.:",
    J-:5-
    r
    I-
    -
    -
    f--
    -
    ~
    1-
    I-
    -
    ~
    CONTNUED:
    0 YES
    Ii'J
    NO

    alt
    Project
    CHANNEL TO VICTORIA
    SUMMARY OF LABORATORY TEST RESULTS
    VICTORIA, TEXAS
    Boring No.
    SPT
    Dry
    Wet
    Depth
    PP
    Blows
    Visual
    USC
    Me
    Unit
    Unit
    LL
    S#
    ( ft)
    (tsf)
    per
    Classification
    (%)
    WI
    WI
    (%)
    ;---,
    Foot
    (pcf)
    (pet)
    1
    001
    Dark gray, CLAYEY SAND, very loose, with silt anc
    SC
    36.0
    ~/
    shell fraoments
    ~
    2
    2
    -tU--
    .0.00
    Dark gray, CLAYEY SAND,
    ve~y
    loose, with silt and
    S
    M-
    39.9
    80.3
    112.3
    shell fraoments
    SC
    3
    4 - 5.5
    WOH
    Brown and dark gray, CLAYEY SAND,
    very
    loose,
    SC
    37.0
    with silt' and shell fraoments
    4
    6 - 7.5
    WOH Dark gray, CLAYEY SAND, very loose, with silt,
    SC
    31.5
    ~
    shell fraoments and pebbles
    ,
    5
    8~
    WOH Dark gray, CLAYEY SAND,
    very
    loose, with silt and SC
    30.3
    shell
    fraoments
    6
    10-11.5
    WOH Brown and dark gray, SANDY CLAY,
    very
    soft,
    CL
    33.4
    r---